ACS COMPUTER GROUP

LASERWAVE NUCLEUS 16

Card Type

Sound card

Chipset Controller

ESS Technology, Inc. ES688

I/O Options

Game port, MIDI port, line in, mic in, line out, speaker, volume control, CD-ROM interface (4), SCSI interface, SCSI-2 interface

Maximum Dram

N/A

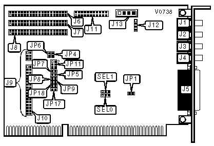
CONNECTIONS

Purpose

Location

Purpose

Location

Speaker

J1

Header for SCSI-2 daughterboard

J8

Line out

J2

Headers for SCSI daughterboard

J9

Line in

J3

Sony CD-ROM interface

J10

Mic in

J4

Header for wave-table daughterboard

J11

Game/MIDI port

J5

Sony CD audio in

J12

Panasonic CD-ROM interface

J6

Panasonic Molex-D 4 CD audio in

J13

Mitsumi CD-ROM interface

J7

 

 

Note: If your CD's audio cable ends in a Molex-D 3 plug, connect it to the first three pins of J13.

GAME PORT CONFIGURATION

» Port

JP1

» Enabled

Closed

» Disabled

Open

CD-ROM CONFIGURATION

» Setting

JP6

» Enabled

Closed

» Disabled

Open

SCSI CONFIGURATION

» Setting

JP5

»

Disabled

Open

»

Enabled

Closed

CD-ROM CONFIGURATION

» Setting

JP7

»

Disabled

Open

»

Enabled

Closed

SOUND CARD MEMORY BASE ADDRESS SELECTION

» Address

SEL0

SEL1

»

220h

Pins 1 & 2 closed

Pins 1 & 2 closed

»

230h

Pins 2 & 3 closed

Pins 1 & 2 closed

»

240h

Pins 1 & 2 closed

Pins 2 & 3 closed

»

250h

Pins 2 & 3 closed

Pins 2 & 3 closed

CD-ROM MEMORY BASE ADDRESS SELECTION

» Address

JP18

JP17

»

340h

Closed

Open

»

320h

Open

Closed

SCSI MEMORY BASE ADDRESS SELECTION

» Address

JP8

JP9

»

280h

Closed

Open

»

2B0h

Open

Closed

SCSI INTERRUPT SELECTION

IRQ

JP11

5

Pins 1 & 2 closed

12

Pins 3 & 4 closed

15

Pins 5 & 6 closed

CD-ROM TYPE SELECTION

Type

JP6

Panasonic

Closed

Sony/Mitsumi/SCSI

Open

SCSI-2 SELECTION

» Setting

JP4

»

SCSI-2 daughterboard not installed

Open

»

SCSI-2 daughterboard installed

Closed