BRAIN BOXES

AT DUAL PORT RS422/485

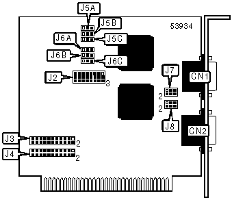
Card Type

Serial card

Chip Set

Unidentified

Data Bus

8-bit ISA

CONNECTIONS

Function

Label

Function

Label

9-pin serial port 1

CN1

9-pin serial port 2

CN2

USER CONFIGURABLE SETTINGS

Function

Label

Position

»

Serial port 1 half duplex gate disabled

J5A

Pins 1 & 2 closed

 

Serial port 1 half duplex gate enabled when RTS true

J5A

Pins 2 & 3 closed

»

Serial port 1 half duplex RTS disabled

J5B

Pins 1 & 2 closed

 

Serial port 1 half duplex RTS enabled

J5B

Pins 2 & 3 closed

»

Serial port 1 half duplex CTS1 disabled

J5C

Pins 1 & 2 closed

 

Serial port 1 half duplex CTS1 enabled

J5C

Pins 2 & 3 closed

»

Serial port 2 half duplex gate disabled

J6A

Pins 1 & 2 closed

 

Serial port 2 half duplex gate enabled when RTS true

J6A

Pins 2 & 3 closed

»

Serial port 2 half duplex RTS disabled

J6B

Pins 1 & 2 closed

 

Serial port 2 half duplex RTS enabled

J6B

Pins 2 & 3 closed

»

Serial port 2 half duplex CTS1 disabled

J6C

Pins 1 & 2 closed

 

Serial port 2 half duplex CTS1 enabled

J6C

Pins 2 & 3 closed

SERIAL PORT ADDRESS SELECTION

Setting

J2 Port 1

J2 Port 2

COM1

Pins 1 & 2 closed

Pins 2 & 3 closed

COM2

Pins 4 & 5 closed

Pins 5 & 6 closed

COM3

Pins 7 & 8 closed

Pins 8 & 9 closed

COM4

Pins 10 & 11 closed

Pins 11 & 12 closed

COM5

Pins 13 & 14 closed

Pins 14 & 15 closed

COM6

Pins 16 & 17 closed

Pins 17 & 18 closed

COM7

Pins 19 & 20 closed

Pins 20 & 21 closed

COM8

Pins 22 & 23 closed

Pins 23 & 24 closed

SERIAL PORT 1 INTERRUPT SELECTION

IRQ

J3

 

IRQ2

Pins 11 & 12 closed

»

IRQ3

Pins 9 & 10 closed

 

IRQ4

Pins 7 & 8 closed

 

IRQ5

Pins 5 & 6 closed

 

IRQ6

Pins 3 & 4 closed

 

IRQ7

Pins 1 & 2 closed

 

IRQ10

Pins 13 & 14 closed

 

IRQ11

Pins 15 & 16 closed

 

IRQ12

Pins 17 & 18 closed

 

IRQ14

Pins 19 & 20 closed

 

IRQ15

Pins 21 & 22 closed

SERIAL PORT 2 INTERRUPT SELECTION

IRQ

J4

 

IRQ2

Pins 11 & 12 closed

»

IRQ3

Pins 9 & 10 closed

 

IRQ4

Pins 7 & 8 closed

 

IRQ5

Pins 5 & 6 closed

 

IRQ6

Pins 3 & 4 closed

 

IRQ7

Pins 1 & 2 closed

 

IRQ10

Pins 13 & 14 closed

 

IRQ11

Pins 15 & 16 closed

 

IRQ12

Pins 17 & 18 closed

 

IRQ14

Pins 19 & 20 closed

 

IRQ15

Pins 21 & 22 closed

SERIAL PORT 1 MULTIPLEX SELECTION

Setting

J7

»

Multiplex disabled

Pins 1 & 3, 2 & 4 closed

 

Signal transmitted & received

Pins 3 & 5, 4 & 6 closed

 

Signals shorted together

Pins 3 & 5, 4 & 6 closed

SERIAL PORT 2 MULTIPLEX SELECTION

Setting

J8

»

Multiplex disabled

Pins 1 & 3, 2 & 4 closed

 

Signal transmitted & received

Pins 3 & 5, 4 & 6 closed

 

Signals shorted together

Pins 3 & 5, 4 & 6 closed