ACQUTEK CORPORATION
PM-8002
|
Card Type |
Virtual memory card |
|
Chip Set |
None |
|
Maximum Onboard Memory |
1MB EPROM |
|
I/O Options |
Watch dog timer connector |
|
Data Bus |
8-bit ISA |
|
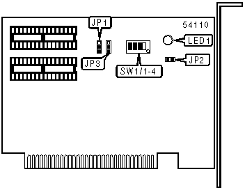
CONNECTIONS | |
|
Function |
Label |
|
Watch-dog timer reset connector |
JP2 |
|
Note: Watch-dog timer reset connector can be connected to mother board or CPU card’s reset connector. | |
|
USER CONFIGURABLE SETTINGS | |||
|
Function |
Label |
Position | |
| » |
Factory configured - do not alter |
JP1 |
Unidentified |
| » |
Factory configured - do not alter |
JP3 |
Pins 1 & 2 closed |
|
DIAGNOSTIC LED | |
|
Function |
Label |
|
Watch dog timer status indicator |
L1 |
|
Note: When watch-dog timer is enabled, LED will start to blink. The user must refresh the watch-dog time every 6 to 42 seconds or the LED will stop blinking and the watch-dog timer will reset the system. | |
|
BIOS ADDRESS SELECTION | ||
|
Address |
SW1/3 |
SW1/4 |
|
CC000h |
Off |
Off |
|
D0000h |
On |
Off |
|
D4000h |
Off |
On |
|
D8000h |
On |
On |
|
BASE I/O ADDRESS SELECTION | ||
|
Setting |
SW1/1 |
SW1/2 |
|
218h |
Off |
Off |
|
298h |
On |
Off |
|
318h |
Off |
On |
|
398h |
On |
On |
|
MISCELLANEOUS TECHNICAL NOTES |
|
The following 2 chip memory kits are available: MK-2E10 (256KB), MK-2E20 (512 KB), MK-2E40 (1MB) |