SUNIX CO., LTD.

SUN-6333/2 (EX-4013)

Card Type

Parallel card

Chip Set

HT6535

Maximum Onboard Memory

None

I/O Options

Parallel ports (2)

Data Bus

16-bit ISA

Floppy drives supported

None

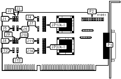
CONNECTIONS

Function

Location

Function

Location

25-pin parallel port 1

P1

26-pin parallel port 2

P2

PARALLEL PORT 1 ADDRESS SELECTION

LPT

J8

J9

J10

»

LPT1(378h)

Pins 2 & 3 closed

Pins 2 & 3 closed

Pins 2 & 3 closed

 

LPT2(278h)

Pins 1 & 2 closed

Pins 2 & 3 closed

Pins 2 & 3 closed

 

LPT3(3BCh)

Pins 2 & 3 closed

Pins 1 & 2 closed

Pins 2 & 3 closed

 

LPT4(268h)

Pins 2 & 3 closed

Pins 2 & 3 closed

Pins 1 & 2 closed

 

LPT5(26Ch)

Pins 1 & 2 closed

Pins 2 & 3 closed

Pins 1 & 2 closed

 

LPT6(27Ch)

Pins 2 & 3 closed

Pins 1 & 2 closed

Pins 1 & 2 closed

PARALLEL PORT 2 ADDRESS SELECTION

LPT

J1

J2

J3

 

LPT1(378h)

Pins 2 & 3 closed

Pins 2 & 3 closed

Pins 2 & 3 closed

»

LPT2(278h)

Pins 1 & 2 closed

Pins 2 & 3 closed

Pins 2 & 3 closed

 

LPT3(3BCh)

Pins 2 & 3 closed

Pins 1 & 2 closed

Pins 2 & 3 closed

 

LPT4(268h)

Pins 2 & 3 closed

Pins 2 & 3 closed

Pins 1 & 2 closed

 

LPT5(26Ch)

Pins 1 & 2 closed

Pins 2 & 3 closed

Pins 1 & 2 closed

 

LPT6(27Ch)

Pins 2 & 3 closed

Pins 1 & 2 closed

Pins 1 & 2 closed

PARALLEL PORT 1 INTERRUPT SELECTION

IRQ

JP3/A

JP3/B

JP3/C

JP3/D

JP3/E

JP3/F

JP3/G

JP3/H

JP3/I

 

IRQ3

Closed

Open

Open

Open

Open

Open

Open

Open

Open

 

IRQ4

Open

Closed

Open

Open

Open

Open

Open

Open

Open

 

IRQ5

Open

Open

Closed

Open

Open

Open

Open

Open

Open

»

IRQ7

Open

Open

Open

Closed

Open

Open

Open

Open

Open

 

IRQ9

Open

Open

Open

Open

Closed

Open

Open

Open

Open

 

IRQ10

Open

Open

Open

Open

Open

Closed

Open

Open

Open

 

IRQ11

Open

Open

Open

Open

Open

Open

Closed

Open

Open

 

IRQ12

Open

Open

Open

Open

Open

Open

Open

Closed

Open

 

IRQ15

Open

Open

Open

Open

Open

Open

Open

Open

Closed

PARALLEL PORT 2 INTERRUPT SELECTION

IRQ

JP1/A

JP1/B

JP1/C

JP1/D

JP1/E

JP1/F

JP1/G

JP1/H

JP1/I

 

IRQ3

Closed

Open

Open

Open

Open

Open

Open

Open

Open

 

IRQ4

Open

Closed

Open

Open

Open

Open

Open

Open

Open

»

IRQ5

Open

Open

Closed

Open

Open

Open

Open

Open

Open

 

IRQ7

Open

Open

Open

Closed

Open

Open

Open

Open

Open

 

IRQ9

Open

Open

Open

Open

Closed

Open

Open

Open

Open

 

IRQ10

Open

Open

Open

Open

Open

Closed

Open

Open

Open

 

IRQ11

Open

Open

Open

Open

Open

Open

Closed

Open

Open

 

IRQ12

Open

Open

Open

Open

Open

Open

Open

Closed

Open

 

IRQ15

Open

Open

Open

Open

Open

Open

Open

Open

Closed

PARALLEL PORT 1 MODE SELECTION

Setting

J12

J13

 

SPP

Pins 2 & 3 closed

Pins 2 & 3 closed

»

ECP

Pins 1 & 2 closed

Pins 1 & 2 closed

 

EPP

Pins 2 & 3 closed

Pins 1 & 2 closed

 

PS/2

Pins 1 & 2 closed

Pins 2 & 3 closed

PARALLEL PORT 2 MODE SELECTION

Setting

J5

J6

 

SPP

Pins 2 & 3 closed

Pins 2 & 3 closed

»

ECP

Pins 1 & 2 closed

Pins 1 & 2 closed

 

EPP

Pins 2 & 3 closed

Pins 1 & 2 closed

 

PS/2

Pins 1 & 2 closed

Pins 2 & 3 closed

PARALLEL PORT 1 DMA CHANNEL SELECTION

Channel

J11

J14

»

1

Pins 1 & 2 closed

Pins 1 & 2 closed

 

3

Pins 3 & 4 closed

Pins 3 & 4 closed

PARALLEL PORT 2 DMA CHANNEL SELECTION

Channel

J4

J7

 

1

Pins 1 & 2 closed

Pins 1 & 2 closed

»

3

Pins 3 & 4 closed

Pins 3 & 4 closed