AST RESEARCH, INC.
PREMMIA SE
|
Processor |
80486SX/80486DX/80486DX2/Pentium Overdrive/Pentium |
|
Processor Speed |
25/33/50(internal)/66(internal)MHz |
|
Chip Set |
AST |
|
Max. Onboard DRAM |
128MB |
|
Cache |
64/128/256KB (with external cache card installed) |
|
BIOS |
AST |
|
Dimensions |
330mm x 218mm |
|
I/O Options |
Floppy drive interfaces (2), IDE interface, parallel port, PS/2 mouse port, serial ports (2), VGA feature connector, VGA port, SCSI backplane card |
|
NPU Options |
None |
|
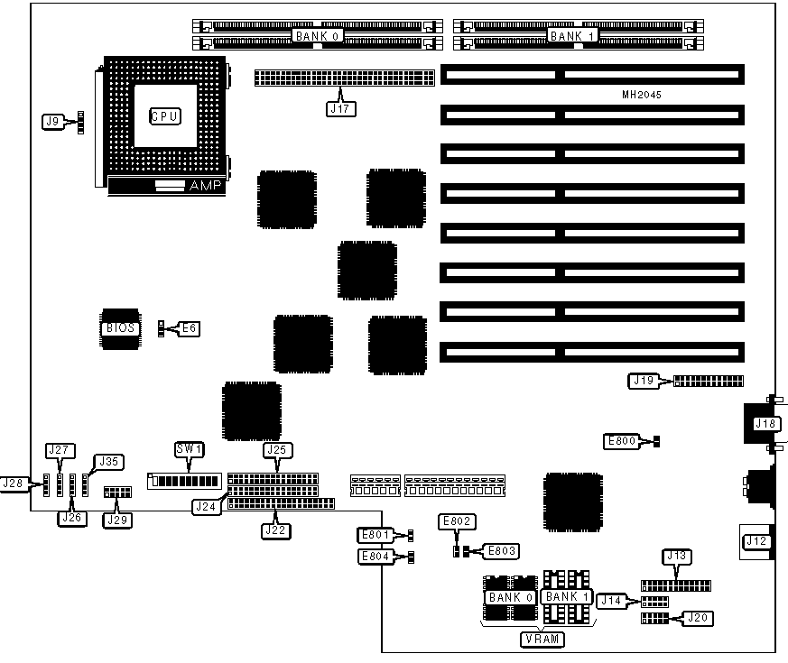
CONNECTIONS | |||
|
Purpose |
Location |
Purpose |
Location |
|
Chassis fan power |
J9 |
IDE interface |
J22 |
|
PS/2 mouse port |
J12 |
Floppy drive interface (primary) |
J24 |
|
Parallel port |
J13 |
Floppy drive interface (secondary) |
J25 |
|
Serial port 1 |
J14 |
External battery |
J26 |
|
Pentium/Cache upgrade connector |
J17 |
Speaker |
J27 |
|
VGA port |
J18 |
Chassis fan power |
J28 |
|
VGA feature connector |
J19 |
Control console connector |
J29 |
|
Serial port 2 |
J20 |
IDE interface LED |
J35 |
|
USER CONFIGURABLE SETTINGS | |||
|
Function |
Jumper/Switch |
Position | |
|
» |
Flash BIOS type select 5v - 5volt |
E6 |
pins 2 & 3 closed |
|
Flash BIOS type select 12v - 12volt |
E6 |
pins 1 & 2 closed | |
|
» |
Factory configured - do not alter |
E800 |
pins 1 & 2 closed |
|
» |
Factory configured - do not alter |
E801 |
pins 2 & 3 closed |
|
» |
Factory configured - do not alter |
E802 |
pins 2 & 3 closed |
|
» |
Factory configured - do not alter |
E803 |
pins 1 & 2 closed |
|
» |
Factory configured - do not alter |
E804 |
pins 1 & 2 closed |
|
» |
On board video enabled |
SW1/1 |
On |
|
On board video disabled |
SW1/1 |
Off | |
|
» |
Factory configured - do not alter |
SW1/2 |
Off |
|
» |
EISA CMOS memory normal operation |
SW1/3 |
Off |
|
EISA CMOS memory clear |
SW1/3 |
On | |
|
» |
Boot type select normal |
SW1/4 |
Off |
|
Boot type select flash BIOS update |
SW1/4 |
On | |
|
» |
Password disabled |
SW1/5 |
On |
|
Password enabled |
SW1/5 |
Off | |
|
» |
Factory configured - do not alter |
SW1/6 |
Off |
|
» |
System setup type select allow access |
SW1/7 |
Off |
|
System setup type select deny access |
SW1/7 |
On | |
|
» |
Factory configured - do not alter |
SW1/8 |
Off |
|
» |
I/O port address select 0398h |
SW1/9 |
On |
|
I/O port address select 026Eh |
SW1/9 |
Off | |
|
» |
Factory configured - do not alter |
SW1/10 |
Off |
|
DRAM CONFIGURATION | ||
|
Size |
Bank 0 |
Bank 1 |
|
2MB |
(2) 256K x 36 |
NONE |
|
4MB |
(2) 256K x 36 |
(2) 256K x 36 |
|
4MB |
(2) 512K x 36 |
NONE |
|
6MB |
(2) 256K x 36 |
(2) 512K x 36 |
|
8MB |
(2) 512K x 36 |
(2) 512K x 36 |
|
10MB |
(2) 256K x 36 |
(2) 1M x 36 |
|
12MB |
(2) 512K x 36 |
(2) 1M x 36 |
|
16MB |
(2) 2M x 36 |
NONE |
|
18MB |
(2) 256K x 36 |
(2) 2M x 36 |
|
20MB |
(2) 512K x 36 |
(2) 2M x 36 |
|
24MB |
(2) 1M x 36 |
(2) 2M x 36 |
|
32MB |
(2) 2M x 36 |
(2) 2M x 36 |
|
32MB |
(2) 4M x 36 |
NONE |
|
34MB |
(2) 256K x 36 |
(2) 4M x 36 |
|
36MB |
(2) 512K x 36 |
(2) 4M x 36 |
|
40MB |
(2) 1M x 36 |
(2) 4M x 36 |
|
48MB |
(2) 2M x 36 |
(2) 4M x 36 |
|
64MB |
(2) 4M x 36 |
(2) 4M x 36 |
|
64MB |
(2) 8M x 36 |
NONE |
|
66MB |
(2) 256K x 36 |
(2) 8M x 36 |
|
68MB |
(2) 512K x 36 |
(2) 8M x 36 |
|
72MB |
(2) 1M x 36 |
(2) 8M x 36 |
|
80MB |
(2) 2M x 36 |
(2) 8M x 36 |
|
96MB |
(2) 4M x 36 |
(2) 8M x 36 |
|
128MB |
(2) 8M x 36 |
(2) 8M x 36 |
|
VIDEO MEMORY CONFIGURATION | ||
|
Size |
Bank 0 |
Bank 1 |
|
515KB |
(2) 256K x 4 |
NONE |
|
1MB |
(2) 256K x 4 |
(2) 256K x 4 |
|
Note: Bank 0- is factory installed and is not configurable. | ||
|
MISCELLANEOUS TECHNICAL NOTE |
|
Note: CPU speed is dependent upon main board model. |
|
CONNECTIONS | |||
|
Purpose |
Location |
Purpose |
Location |
|
DC power connector 1 |
CN1 |
SCSI connector |
J4 |
|
DC power connector 2 |
CN2 |
SCSI connector |
J7 |
|
SCSI connector |
J1 |
SCSI drive cage connector |
J8 |
|
SCSI drive cage connector |
J2 |
SCSI drive cage connector |
J9 |
|
SCSI drive cage connector |
J3 |
SCSI connector |
J10 |
|
USER CONFIGURABLE SETTINGS | |||
|
Function |
Jumper |
Position | |
|
» |
Terminator power jumper enabled |
E13 |
Closed |
|
Terminator power jumper disabled |
E13 |
Open | |
|
» |
Terminator power jumper enabled |
E14 |
Closed |
|
Terminator power jumper disabled |
E14 |
Open | |
|
SCSI ID CONFIGURATION (J1) | |||
|
Setting |
E1 |
E2 |
E3 |
|
ID0 |
Open |
Open |
Open |
|
ID1 |
Closed |
Open |
Open |
|
ID2 |
Open |
Closed |
Open |
|
ID3 |
Closed |
Closed |
Open |
|
ID4 |
Open |
Open |
Closed |
|
ID5 |
Closed |
Open |
Closed |
|
ID6 |
Open |
Closed |
Closed |
|
ID7 |
N/A |
N/A |
N/A |
|
Note: ID7 is factory reserved - do not alter. | |||
|
SCSI ID CONFIGURATION (J4) | |||
|
Setting |
E4 |
E5 |
E6 |
|
ID0 |
Open |
Open |
Open |
|
ID1 |
Closed |
Open |
Open |
|
ID2 |
Open |
Closed |
Open |
|
ID3 |
Closed |
Closed |
Open |
|
ID4 |
Open |
Open |
Closed |
|
ID5 |
Closed |
Open |
Closed |
|
ID6 |
Open |
Closed |
Closed |
|
ID7 |
N/A |
N/A |
N/A |
|
Note: ID7 is factory reserved - do not alter. | |||
|
SCSI ID CONFIGURATION (J7) | |||
|
Setting |
E7 |
E8 |
E9 |
|
ID0 |
Open |
Open |
Open |
|
ID1 |
Closed |
Open |
Open |
|
ID2 |
Open |
Closed |
Open |
|
ID3 |
Closed |
Closed |
Open |
|
ID4 |
Open |
Open |
Closed |
|
ID5 |
Closed |
Open |
Closed |
|
ID6 |
Open |
Closed |
Closed |
|
ID7 |
N/A |
N/A |
N/A |
|
Note: ID7 is factory reserved - do not alter. | |||
|
SCSI ID CONFIGURATION (J10) | |||
|
Setting |
E10 |
E11 |
E12 |
|
ID0 |
Open |
Open |
Open |
|
ID1 |
Closed |
Open |
Open |
|
ID2 |
Open |
Closed |
Open |
|
ID3 |
Closed |
Closed |
Open |
|
ID4 |
Open |
Open |
Closed |
|
ID5 |
Closed |
Open |
Closed |
|
ID6 |
Open |
Closed |
Closed |
|
ID7 |
N/A |
N/A |
N/A |
|
Note: ID7 is factory reserved - do not alter. | |||