APRICOT COMPUTERS LIMITED

XEN-PC/PCM

Processor

CX486M6/CX486CXM6 &C6/80486SX/CX486M7/80486DX/80486DX2/Pentium Overdrive/Pentium

Processor Speed

25/33/40/50(internal)/60/66(internal)/66MHz

Chip Set

ALI/Intel/VLSI

Max. Onboard DRAM

128MB

Cache

64/128/256/512KB

BIOS

Unidentified

Dimensions

330mm x 218mm

I/O Options

32-bit PCI local bus slot (on riser card), floppy drive interface, IDE interface, parallel port, PS/2 mouse port, serial ports (2), VGA port

NPU Options

None

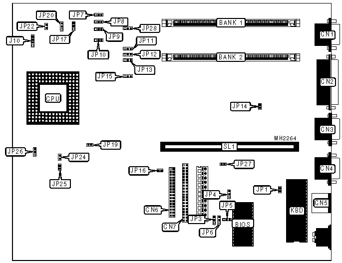
CONNECTIONS

Purpose

Location

Purpose

Location

VGA port

CN1

PS/2 mouse port

CN5

Parallel port

CN2

Floppy drive interface

CN6

Serial port 1

CN3

IDE interface

CN7

Serial port 2

CN4

Riser Card

SL1

USER CONFIGURABLE SETTINGS

Function

Jumper

Position

»

Factory configured - do not alter

J10

Open

»

BIOS type select original

JP1

Open

 

BIOS type select OEM

JP1

Closed

»

Security enabled

JP2

pins 1 & 2 closed

 

Security disabled

JP2

pins 2 & 3 closed

»

Factory configured - do not alter

JP3

Open

»

BIOS type select Flash

JP4

pins 1 & 2 closed

 

BIOS type select EPROM

JP4

pins 2 & 3 closed

»

Floppy drive select normal

JP5

pins 1 & 2 closed

 

Floppy drive select 3 mode

JP5

pins 2 & 3 closed

»

IDE I/O address select 03xH

JP6

pins 1 & 2 closed

 

IDE I/O address select 0BxH

JP6

pins 2 & 3 closed

»

On board video disabled

JP14

Open

 

On board video enabled

JP14

Closed

»

IDE interface enabled

JP16

Open

 

IDE interface disabled

JP16

Closed

»

Factory configured - do not alter

JP19

Open

»

Key select locked

JP22

Open

 

Key select unlocked

JP22

Closed

»

On board memory enabled

JP28

pins 1 & 2 closed

 

On board memory disabled

JP28

pins 2 & 3 closed

Note: The location of JP2 is unknown.

DRAM CONFIGURATION (NON PENTIUM)

Size

Bank 1

Bank 2

4MB

NONE

NONE

8MB

NONE

(1) 1M x 36

8MB

(1) 1M x 36

NONE

12MB

NONE

(1) 2M x 36

12MB

(1) 1M x 36

(1) 1M x 36

16MB

(1) 1M x 36

(1) 2M x 36

20MB

NONE

(1) 4M x 36

20MB

(1) 4M x 36

NONE

24MB

(1) 1M x 36

(1) 4M x 36

24MB

(1) 4M x 36

(1) 1M x 36

28MB

(1) 4M x 36

(1) 2M x 36

36MB

(1) 4M x 36

(1) 4M x 36

Note: Bank 0 contains 4MB & is factory installed.

DRAM CONFIGURATION (PENTIUM)

Size

Bank 1

Bank 2

8MB

NONE

NONE

16MB

(1) 1M x 36

(1) 1M x 36

16MB

(1) 2M x 36

NONE

20MB

(1) 1M x 36

(1) 2M x 36

24MB

(1) 2M x 36

(1) 2M x 36

24MB

(1) 4M x 36

NONE

28MB

(1) 1M x 36

(1) 4M x 36

32MB

(1) 2M x 36

(1) 4M x 36

40MB

(1) 4M x 36

(1) 4M x 36

40MB

(1) 8M x 36

NONE

44MB

(1) 1M x 36

(1) 8M x 36

48MB

(1) 2M x 36

(1) 8M x 36

56MB

(1) 4M x 36

(1) 8M x 36

72MB

(1) 8M x 36

(1) 8M x 36

72MB

(1) 16M x 36

NONE

76MB

(1) 1M x 36

(1) 16M x 36

80MB

(1) 2M x 36

(1) 16M x 36

88MB

(1) 4M x 36

(1) 16M x 36

104MB

(1) 8M x 36

(1) 16M x 36

128MB

(1) 16M x 36

(1) 16M x 36

Note: Bank 0 contains 8MB & is factory installed. When 128MB is installed, the on board memory is disabled.

CACHE CONFIGURATION

Note: The location and bank configuration of cache is unknown.

CACHE JUMPER CONFIGURATION

Size

JP24

JP25

JP26

64KB

Open

Open

pins 1 & 2 closed

128KB

Open

Closed

pins 2 & 3 closed

256KB

Closed

Closed

pins 1 & 2 closed

Note: The jumper settings for 512KB cache is unknown.

CPU TYPE CONFIGURATION

Type

JP11

JP12

JP13

JP15

JP18

JP20

JP27

CX486M6

2 & 3

1 & 2

2 & 3

2 & 3

2 & 3

1 & 2

Open

CX486M7

2 & 3

1 & 2

1 & 2

2 & 3

2 & 3

2 & 3

Open

CXM6 & C6

2 & 3

1 & 2

2 & 3

2 & 3

2 & 3

1 & 2

Open

80486

1 & 2

1 & 2

1 & 2

1 & 2

2 & 3

2 & 3

Open

P24T

1 & 2

2 & 3

1 & 2

2 & 3

1 & 2

2 & 3

Closed

Note: The jumper settings for the Pentium processor are unknown. Pins designated should be in the closed position. The location of JP18 is unknown.

CPU SPEED CONFIGURATION

Speed

JP7

JP8

JP9

JP10

JP17

25MHz

2 & 3

2 & 3

1 & 2

2 & 3

2 & 3

33MHz

1 & 2

2 & 3

1 & 2

2 & 3

2 & 3

40MHz

1 & 2

1 & 2

2 & 3

1 & 2

1 & 2

50iMHz

2 & 3

2 & 3

1 & 2

2 & 3

2 & 3

50MHz

2 & 3

2 & 3

1 & 2

1 & 2

1 & 2

66iMHz

1 & 2

2 & 3

1 & 2

2 & 3

2 & 3

Note: The jumper settings for the Pentium processor are unknown. Pins designated should be in the closed position.

MISCELLANEOUS TECHNICAL NOTE

Note:Not all options listed in this document are available on each motherboard.