ASUS COMPUTER INTERNATIONAL

TX97-X (REV. 2.03)

Processor

CX M1/AM K5/Pentium

Processor Speed

75/90/100/120/133/150/166/200MHz

Chip Set

Intel

Video Chip Set

None

Maximum Onboard Memory

256MB

Maximum Video Memory

None

Cache

512KB

BIOS

Unidentified

Dimensions

330mm x 218mm

I/O Options

32-bit PCI slots (4), floppy drive interface, game/MIDI port, IDE interfaces (2), PS/2 mouse port, serial ports (2), IR connector, USB connectors (2), ATX power connector, line in connector, line out connector, microphone connector, CD-ROM audio interface

NPU Options

None

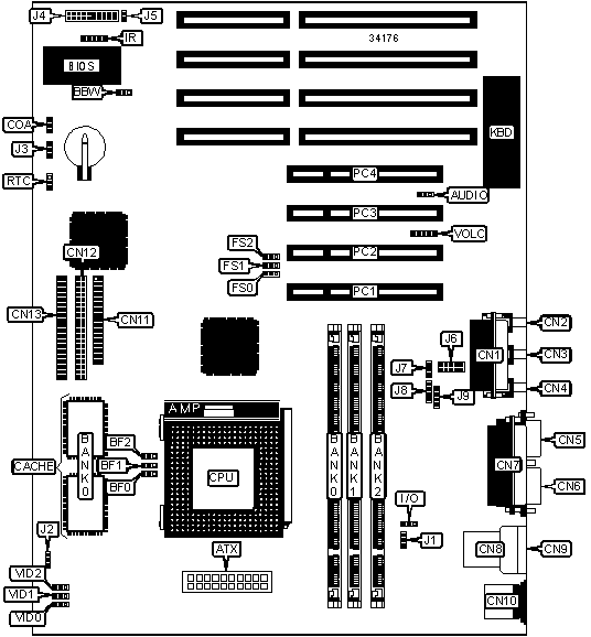
CONNECTIONS

Purpose

Location

Purpose

Location

ATX power connector

ATX

IDE interface 1

CN13

Game/MIDI port

CN1

Chassis open alarm

COA

Microphone in connector

CN2

IR connector

IR

Line in connector

CN3

Chassis fan power

J1

Line out connector

CN4

Chassis fan power

J2

Serial port 1

CN5

Chassis fan power

J3

Serial port 2

CN6

Front panel connector

J4

Parallel port

CN7

IDE interface LED

J5

USB connector 1

CN8

Creative Modem connector

J6

USB connector 2

CN9

Panasonic CD-ROM connector

J7

PS/2 mouse port

CN10

Mitsumi CD-ROM connector

J8

Floppy drive interface

CN11

Sony CD-ROM connector

J9

IDE interface 2

CN12

32-bit PCI slots

PC1 - PC4

USER CONFIGURABLE SETTINGS

Function

Label

Position

»

On board audio enabled

AUDIO

Pins 2 & 3 closed

 

On board audio disabled

AUDIO

Pins 1 & 2 closed

»

Factory configured - do not alter

BF2

Unidentified

»

Flash BIOS write protect disabled

BBW

Pins 1 & 2 closed

 

Flash BIOS write protect enabled

BBW

Pins 2 & 3 closed

»

On board I/O enabled

I/O

Pins 1 & 2 closed

 

On board I/O disabled

I/O

Pins 2 & 3 closed

»

CMOS memory normal operation

RTC

Pins 1 & 2 closed

 

CMOS memory clear

RTC

Pins 2 & 3 closed

 

Volume control up

VOLC

Pins 1 & 2 closed

 

Volume control down

VOLC

Pins 4 & 5 closed

DIMM CONFIGURATION

Size

Bank 0

Bank 1

Bank 2

8MB

(1) 1M x 64

None

None

16MB

(1) 2M x 64

None

None

16MB

(1) 1M x 64

(1) 1M x 64

None

24MB

(1) 2M x 64

(1) 1M x 64

None

24MB

(1) 1M x 64

(1) 1M x 64

(1) 1M x 64

32MB

(1) 4M x 64

None

None

32MB

(1) 2M x 64

(1) 2M x 64

None

32MB

(1) 1M x 64

(1) 1M x 64

(1) 2M x 64

40MB

(1) 4M x 64

(1) 1M x 64

None

40MB

(1) 2M x 64

(1) 2M x 64

(1) 1M x 64

48MB

(1) 4M x 64

(1) 2M x 64

None

48MB

(1) 2M x 64

(1) 2M x 64

(1) 2M x 64

DIMM CONFIGURATION (CON'T)

Size

Bank 0

Bank 1

Bank 2

48MB

(1) 1M x 64

(1) 1M x 64

(1) 4M x 64

64MB

(1) 8M x 64

None

None

64MB

(1) 4M x 64

(1) 4M x 64

None

72MB

(1) 8M x 64

(1) 1M x 64

None

72MB

(1) 4M x 64

(1) 4M x 64

(1) 1M x 64

80MB

(1) 8M x 64

(1) 2M x 64

None

80MB

(1) 4M x 64

(1) 4M x 64

(1) 2M x 64

96MB

(1) 8M x 64

(1) 4M x 64

None

96MB

(1) 4M x 64

(1) 4M x 64

(1) 4M x 64

128MB

(1) 8M x 64

(1) 8M x 64

None

128MB

(1) 16M x 64

None

None

136MB

(1) 16M x 64

(1) 1M x 64

None

144MB

(1) 16M x 64

(1) 2M x 64

None

160MB

(1) 16M x 64

(1) 4M x 64

None

192MB

(1) 16M x 64

(1) 8M x 64

None

256MB

(1) 16M x 64

(1) 16M x 64

None

256MB

(1) 32M x 64

None

None

CACHE CONFIGURATION

Size

Bank 0

256KB

(2) 32K x 32

512KB

(2) 64K x 32

CPU SPEED SELECTION (CYRIX)

CPU speed

Clock speed

Multiplier

BF0

BF1

FS0

FS1

FS2

166MHz

66MHz

2x

2 & 3

1 & 2

1 & 2

2 & 3

2 & 3

Note: Pins designated should be in the closed position.

CPU SPEED SELECTION (AMD)

CPU speed

Clock speed

Multiplier

BF0

BF1

FS0

FS1

FS2

75MHz

50MHz

1.5x

1 & 2

1 & 2

2 & 3

1 & 2

2 & 3

90MHz

60MHz

1.5x

1 & 2

1 & 2

2 & 3

2 & 3

2 & 3

100MHz

66MHz

1.5x

1 & 2

1 & 2

1 & 2

2 & 3

2 & 3

120MHz

60MHz

1.5x

1 & 2

1 & 2

2 & 3

2 & 3

2 & 3

133MHz

66MHz

1.5x

1 & 2

1 & 2

1 & 2

2 & 3

2 & 3

Note: Pins designated should be in the closed position.

CPU SPEED SELECTION (INTEL)

CPU speed

Clock speed

Multiplier

BF0

BF1

FS0

FS1

FS2

75MHz

50MHz

1.5x

1 & 2

1 & 2

2 & 3

1 & 2

2 & 3

90MHz

60MHz

1.5x

1 & 2

1 & 2

2 & 3

2 & 3

2 & 3

100MHz

66MHz

1.5x

1 & 2

1 & 2

1 & 2

2 & 3

2 & 3

120MHz

60MHz

2x

2 & 3

1 & 2

2 & 3

2 & 3

2 & 3

133MHz

66MHz

2x

2 & 3

1 & 2

1 & 2

2 & 3

2 & 3

150MHz

60MHz

2.5x

2 & 3

2 & 3

2 & 3

2 & 3

2 & 3

166MHz

66MHz

2.5x

2 & 3

2 & 3

1 & 2

2 & 3

2 & 3

200MHz

66MHz

3x

1 & 2

2 & 3

1 & 2

2 & 3

2 & 3

Note: Pins designated should be in the closed position.

CPU VOLTAGE SELECTION

Voltage

VID0

VID1

VID2

2.5v

Pins 1 & 2 closed

Pins 2 & 3 closed

Pins 1 & 2 closed

2.7v

Pins 1 & 2 closed

Pins 1 & 2 closed

Pins 1 & 2 closed

2.8v

Pins 2 & 3 closed

Pins 2 & 3 closed

Pins 2 & 3 closed

2.9v

Pins 1 & 2 closed

Pins 2 & 3 closed

Pins 2 & 3 closed

3.4v

Pins 2 & 3 closed

Pins 1 & 2 closed

Pins 2 & 3 closed

3.5v

Pins 1 & 2 closed

Pins 1 & 2 closed

Pins 2 & 3 closed