ADVANCED INTEGRATION RESEARCH, INC.

P6KDI

Processor

Pentium II

Processor Speed

180/200/233/266MHz

Chip Set

Intel

Video Chip Set

None

Maximum Onboard Memory

1GB (EDO supported)

Maximum Video Memory

None

Cache

256/512/1024KB (located on Pentium II CPU)

BIOS

AMI

Dimensions

305mm x 244mm

I/O Options

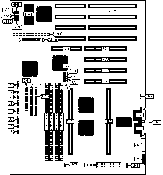
32-bit PCI slots (4), floppy drive interface, green PC connector, IDE interfaces (2), SCSI interface, Ultra-Wide SCSI interface, parallel port, PS/2 mouse port, serial ports (2), IR connector, USB connector, ATX power connector, RAID slot, CPU Slot 1 (2)

NPU Options

None

CONNECTIONS

Purpose

Location

Purpose

Location

ATX power connector

ATX

Reset switch

J3

Serial port 2

CN1

Speaker

J4

Serial port 1

CN2

IDE interface LED

J5

Parallel port

CN3

Power LED & keylock

J6

USB connector

CN4

Turbo LED

J7

PS/2 mouse port

CN5

Soft off power supply

J8

IDE interface 1

CN6

Chassis fan power

JP1

IDE interface 2

CN7

Chassis fan power

JP2

Floppy drive interface

CN8

Chassis fan power

JP3

SCSI interface

CN9

32-bit PCI slots

PC1 - PC4

Ultra-Wide SCSI interface

CN10

RAID slot

SL1

IR connector

J1

CPU Slot 1

SL2

Green PC connector

J2

CPU Slot 1

SL3

USER CONFIGURABLE SETTINGS

Function

Label

Position

»

SCSI low byte enabled

HBEN

Pins 2 & 3 closed

 

SCSI high byte enabled

HBEN

Pins 1 & 2 closed

DIMM CONFIGURATION

Size

Bank 0

Bank 1

Bank 2

Bank 3

8MB

(1) 1M x 64

None

None

None

16MB

(1) 1M x 64

(1) 1M x 64

None

None

16MB

(1) 2M x 64

None

None

None

24MB

(1) 1M x 64

(1) 1M x 64

(1) 1M x 64

None

32MB

(1) 1M x 64

(1) 1M x 64

(1) 1M x 64

(1) 1M x 64

32MB

(1) 2M x 64

(1) 2M x 64

None

None

32MB

(1) 4M x 64

None

None

None

48MB

(1) 2M x 64

(1) 2M x 64

(1) 2M x 64

None

64MB

(1) 2M x 64

(1) 2M x 64

(1) 2M x 64

(1) 2M x 64

64MB

(1) 4M x 64

(1) 4M x 64

None

None

64MB

(1) 8M x 64

None

None

None

96MB

(1) 4M x 64

(1) 4M x 64

(1) 4M x 64

None

128MB

(1) 4M x 64

(1) 4M x 64

(1) 4M x 64

(1) 4M x 64

128MB

(1) 8M x 64

(1) 8M x 64

None

None

128MB

(1) 16M x 64

None

None

None

192MB

(1) 8M x 64

(1) 8M x 64

(1) 8M x 64

None

256MB

(1) 8M x 64

(1) 8M x 64

(1) 8M x 64

(1) 8M x 64

256MB

(1) 16M x 64

(1) 16M x 64

None

None

256MB

(1) 32M x 64

None

None

None

DIMM CONFIGURATION (CON'T)

Size

Bank 0

Bank 1

Bank 2

Bank 3

384MB

(1) 16M x 64

(1) 16M x 64

(1) 16M x 64

None

512MB

(1) 16M x 64

(1) 16M x 64

(1) 16M x 64

(1) 16M x 64

512MB

(1) 32M x 64

(1) 32M x 64

None

None

768MB

(1) 32M x 64

(1) 32M x 64

(1) 32M x 64

None

1GB

(1) 32M x 64

(1) 32M x 64

(1) 32M x 64

(1) 32M x 64

Note: Board accepts EDO memory. Board also accepts x 72 SIMMs.

CACHE CONFIGURATION

Note: 256KB/512KB cache is located on the Pentium II CPU.

CPU SPEED SELECTION

CPU speed

JS1

JS2

JS3

JS4

JS5

180MHz

1 & 2

1 & 2

1 & 2

1 & 2

1 & 2

200MHz

2 & 3

2 & 3

2 & 3

2 & 3

1 & 2

233MHz

2 & 3

2 & 3

2 & 3

2 & 3

1 & 2

266MHz

2 & 3

2 & 3

2 & 3

2 & 3

1 & 2

Note: Pins designated should be in the closed position.

CPU SPEED SELECTION (CON'T)

CPU speed

JSS1

JSS2

JSS3

JSS4

180MHz

1 & 2

2 & 3

1 & 2

1 & 2

200MHz

1 & 2

2 & 3

1 & 2

1 & 2

233MHz

2 & 3

2 & 3

1 & 2

1 & 2

266MHz

1 & 2

1 & 2

2 & 3

1 & 2

Note: Pins designated should be in the closed position.