ACHME COMPUTER, INC.

MS-5172

Device Type

Mainboard

Processor

CX 6X86/CX 6X86L/CX 686MX/AM K5/AM K6/Pentium

Processor Speed

Unidentified

Chip Set

SIS

Video Chip Set

None

Maximum Onboard Memory

768MB (EDO & SDRAM supported)

Maximum Video Memory

None

Cache

512KB

BIOS

Unidentified

Dimensions

305mm x 186mm

I/O Options

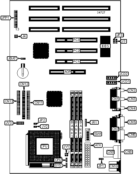
32-bit PCI slots (3), floppy drive interface, MIDI/game port, green PC connector, IDE interfaces (2), parallel port, PS/2 mouse port, serial ports (2), IR connector, USB connectors (2), ATX power connector, AGP slot, line in, line out, microphone in, audio in – CD-ROMs (2)

NPU Options

None

CONNECTIONS

Purpose

Location

Purpose

Location

AGP slot

AGP

Wake on LAN connector

J2

ATX power connector

ATX

Wake on modem connector

J3

Game/MIDI port

CN1

Green PC LED

J4/pins 1 & 2

Microphone in

CN2

Soft off power supply

J4/pins 3 & 4

Line in

CN3

Audio in – CD-ROM

JCD1

Line out

CN4

Audio in – CD-ROM

JCD2

Serial port 2

CN5

Turbo LED

JFP1/pins 2 & 3

Serial port 1

CN6

Reset switch

JFP1/pins 9 & 10

Parallel port

CN7

IDE interface LED

JFP1/pins 12 & 24

USB connector 1

CN8

Power LED & keylock

JFP1/pins 13 - 17

USB connector 2

CN9

Speaker

JFP1/pins 19 - 22

PS/2 mouse port

CN10

Remote power on/off switch

JP4/pins 3 & 4

IDE interface 2

CN11

IR connector

IR1

IDE interface 1

CN12

32-bit PCI slots

PC1 – PC3

Floppy drive interface

CN13

Chassis fan power

SYS

CPU fan power

CPU

   

Note: The location of J2 & JP4 is unidentified.

USER CONFIGURABLE SETTINGS

Function

Label

Position

»

CMOS memory normal operation

JBAT

Pins 1 & 2 closed

 

CMOS memory clear

JBAT

Pins 2 & 3 closed

 

Power on mode voltage select 5v

JP1

Pins 1 & 2 closed

 

Power on mode voltage select 5vsb

JP1

Pins 2 & 3 closed

 

Cyrix linear mode enabled

JP2

Closed

 

Cyrix linear mode disabled

JP2

Open

»

Flash BIOS voltage select 5v

JP3

Pins 2 & 3 closed

 

Flash BIOS voltage select 12v

JP3

Pins 1 & 2 closed

»

Factory configured - do not alter

JV2

Unidentified

DIMM CONFIGURATION

Size

Bank 0

Bank 1

Bank 2

8MB

(1) 1M x 64

None

None

16MB

(1) 2M x 64

None

None

16MB

(1) 1M x 64

(1) 1M x 64

None

24MB

(1) 2M x 64

(1) 1M x 64

None

24MB

(1) 1M x 64

(1) 1M x 64

(1) 1M x 64

32MB

(1) 4M x 64

None

None

32MB

(1) 2M x 64

(1) 1M x 64

(1) 1M x 64

32MB

(1) 2M x 64

(1) 2M x 64

None

40MB

(1) 4M x 64

(1) 1M x 64

None

40MB

(1) 2M x 64

(1) 2M x 64

(1) 1M x 64

DIMM CONFIGURATION (CON’T)

Size

Bank 0

Bank 1

Bank 2

32MB

(1) 2M x 64

(1) 2M x 64

None

40MB

(1) 4M x 64

(1) 1M x 64

None

40MB

(1) 2M x 64

(1) 2M x 64

(1) 1M x 64

48MB

(1) 4M x 64

(1) 1M x 64

(1) 1M x 64

48MB

(1) 4M x 64

(1) 2M x 64

None

48MB

(1) 2M x 64

(1) 2M x 64

(1) 2M x 64

56MB

(1) 4M x 64

(1) 2M x 64

(1) 1M x 64

64MB

(1) 8M x 64

None

None

64MB

(1) 4M x 64

(1) 2M x 64

(1) 2M x 64

64MB

(1) 4M x 64

(1) 4M x 64

None

72MB

(1) 8M x 64

(1) 1M x 64

None

72MB

(1) 4M x 64

(1) 4M x 64

(1) 1M x 64

80MB

(1) 8M x 64

(1) 1M x 64

(1) 1M x 64

80MB

(1) 8M x 64

(1) 2M x 64

None

80MB

(1) 4M x 64

(1) 4M x 64

(1) 2M x 64

88MB

(1) 8M x 64

(1) 2M x 64

(1) 1M x 64

96MB

(1) 8M x 64

(1) 2M x 64

(1) 2M x 64

96MB

(1) 8M x 64

(1) 4M x 64

None

96MB

(1) 4M x 64

(1) 4M x 64

(1) 4M x 64

104MB

(1) 8M x 64

(1) 4M x 64

(1) 1M x 64

112MB

(1) 8M x 64

(1) 4M x 64

(1) 2M x 64

128MB

(1) 16M x 64

None

None

128MB

(1) 8M x 64

(1) 4M x 64

(1) 4M x 64

128MB

(1) 8M x 64

(1) 8M x 64

None

136MB

(1) 16M x 64

(1) 1M x 64

None

136MB

(1) 8M x 64

(1) 8M x 64

(1) 1M x 64

144MB

(1) 16M x 64

(1) 1M x 64

(1) 1M x 64

144MB

(1) 16M x 64

(1) 2M x 64

None

144MB

(1) 8M x 64

(1) 8M x 64

(1) 2M x 64

152MB

(1) 16M x 64

(1) 2M x 64

(1) 1M x 64

160MB

(1) 16M x 64

(1) 2M x 64

(1) 2M x 64

160MB

(1) 16M x 64

(1) 4M x 64

None

160MB

(1) 8M x 64

(1) 8M x 64

(1) 4M x 64

168MB

(1) 16M x 64

(1) 4M x 64

(1) 1M x 64

176MB

(1) 16M x 64

(1) 4M x 64

(1) 2M x 64

192MB

(1) 16M x 64

(1) 4M x 64

(1) 4M x 64

192MB

(1) 16M x 64

(1) 8M x 64

None

192MB

(1) 8M x 64

(1) 8M x 64

(1) 8M x 64

200MB

(1) 16M x 64

(1) 8M x 64

(1) 1M x 64

DIMM CONFIGURATION (CON’T)

Size

Bank 0

Bank 1

Bank 2

208MB

(1) 16M x 64

(1) 8M x 64

(1) 2M x 64

224MB

(1) 16M x 64

(1) 8M x 64

(1) 4M x 64

256MB

(1) 16M x 64

(1) 8M x 64

(1) 8M x 64

384MB

(1) 16M x 64

(1) 16M x 64

(1) 16M x 64

512MB

(1) 32M x 64

(1) 32M x 64

None

768MB

(1) 32M x 64

(1) 32M x 64

(1) 32M x 64

Note: Board accepts EDO & SDRAM memory. 384MB maximum if using SDRAM memory. 768MB maximum if using EDO memory.

CACHE CONFIGURATION

Note: 512KB cache is factory installed and is not configurable. The location is unidentified.

CPU CLOCK SPEED SELECTION

CPU speed

AGP speed

PCI speed

SW1/4

SW1/5

SW1/6

60MHz

60MHz

30MHz

On

On

On

66MHz

66MHz

33MHz

Off

On

On

68.5MHz

68.5MHz

34MHz

On

Off

On

75MHz

75MHz

37.5MHz

Off

Off

On

75MHz

64MHz

32MHz

On

On

Off

83MHz

66MHz

33MHz

Off

On

Off

90MHz

60MHz

30MHz

On

Off

Off

100MHz

66MHz

33MHz

Off

Off

Off

CPU MULTIPLIER SELECTION

Multiplier

SW1/1

SW1/2

SW1/3

1.5x

Off

Off

Off

2x

On

Off

Off

2.5x

On

On

Off

3x

Off

On

Off

3.5x

Off

Off

Off

4x

On

Off

On

4.5x

On

On

On

CPU VOLTAGE SELECTION

Voltage

V core

JV3

3.3v

2.0v

Open

3.3v

2.1v

Pins 9 & 10 closed

3.3v

2.2v

Pins 7 & 8 closed

3.3v

2.3v

Pins 7 & 8, 9 & 10 closed

3.3v

2.4v

Pins 5 & 6 closed

3.3v

2.5v

Pins 5 & 6, 9 & 10 closed

3.3v

2.6v

Pins 5 & 6, 7 & 8, closed

3.3v

2.7v

Pins 5 & 6, 7 & 8, 9 & 10 closed

3.3v

2.8v

Pins 3 & 4 closed

3.3v

2.9v

Pins 3 & 4, 9 & 10 closed

3.3v

3.0v

Pins 3 & 4, 7 & 8 closed

3.3v

3.1v

Pins 3 & 4, 7 & 8, 9 & 10 closed

3.3v

3.2v

Pins 3 & 4, 5 & 6 closed

3.3v

3.3v

Pins 3 & 4, 5 & 6, 9 & 10 closed

3.3v

3.4v

Pins 3 & 4, 5 & 6, 7 & 8 closed

3.5v

3.5v

Pins 3 & 4, 5 & 6, 7 & 8, 9 & 10 closed

CPU VOLTAGE SELECTION

Setting

JV1

Single

Open

Dual

Pins 1 & 2, 3 & 4 closed