ACHME COMPUTER, INC.

MS-6117

Device Type

Mainboard

Processor

Pentium II

Processor Speed

200/233/266/300/333MHz

Chip Set

Intel

Video Chip Set

None

Maximum Onboard Memory

1GB (EDO & SDRAM supported)

Maximum Video Memory

None

Cache

256/512KB (located on Pentium II CPU)

BIOS

Unidentified

Dimensions

305mm x 186mm

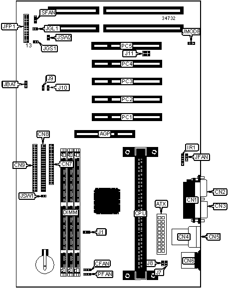
I/O Options

32-bit PCI slots (5), floppy drive interface, green PC connector, IDE interfaces (2), parallel port, PS/2 mouse port, serial ports (2), IR connector, USB connectors (2), ATX power connector, AGP slot

NPU Options

None

CONNECTIONS

Purpose

Location

Purpose

Location

AGP slot

AGP

Green PC LED

JGL1

ATX power connector

ATX

Green PC connector

JGS1

CPU fan power

CFAN

Turbo LED

JFP1/pins 2 & 3

Parallel port

CN1

Reset switch

JFP1/pins 9 & 10

Serial port 2

CN2

IDE interface LED

JFP1/pins 12 & 24

Serial port 1

CN3

Power LED & keylock

JFP1/pins 13 - 17

USB connector 1

CN4

Speaker

JFP1/pins 19 - 22

USB connector 2

CN5

Chassis fan power

JFAN

PS/2 mouse port

CN6

Soft off power supply

JSW1

Floppy drive interface

CN7

Soft off power supply

JSW2

IDE interface

CN8

32-bit PCI slots

PC1 – PC5

IDE interface

CN9

Power supply fan

PFAN

IR connector

IR1

Chassis fan power

SFAN

USER CONFIGURABLE SETTINGS

Function

Label

Position

»

Factory configured - do not alter

J1

Unidentified

»

Factory configured - do not alter

J11

Unidentified

»

CMOS memory normal operation

JBAT

Pins 1 & 2 closed

 

CMOS memory clear

JBAT

Pins 2 & 3 closed

»

Flash BIOS voltage select 12v

JMODE

Pins 1 & 2 closed

 

Flash BIOS voltage select 5v

JMODE

Pins 2 & 3 closed

DIMM CONFIGURATION

Size

Bank 0

Bank 1

Bank 2

8MB

(1) 1M x 64

None

None

16MB

(1) 2M x 64

None

None

16MB

(1) 1M x 64

(1) 1M x 64

None

24MB

(1) 2M x 64

(1) 1M x 64

None

24MB

(1) 1M x 64

(1) 1M x 64

(1) 1M x 64

32MB

(1) 4M x 64

None

None

32MB

(1) 2M x 64

(1) 1M x 64

(1) 1M x 64

32MB

(1) 2M x 64

(1) 2M x 64

None

40MB

(1) 4M x 64

(1) 1M x 64

None

40MB

(1) 2M x 64

(1) 2M x 64

(1) 1M x 64

48MB

(1) 4M x 64

(1) 1M x 64

(1) 1M x 64

48MB

(1) 4M x 64

(1) 2M x 64

None

48MB

(1) 2M x 64

(1) 2M x 64

(1) 2M x 64

56MB

(1) 4M x 64

(1) 2M x 64

(1) 1M x 64

64MB

(1) 8M x 64

None

None

64MB

(1) 4M x 64

(1) 2M x 64

(1) 2M x 64

DIMM CONFIGURATION (CON’T)

Size

Bank 0

Bank 1

Bank 2

64MB

(1) 4M x 64

(1) 4M x 64

None

72MB

(1) 8M x 64

(1) 1M x 64

None

72MB

(1) 4M x 64

(1) 4M x 64

(1) 1M x 64

80MB

(1) 8M x 64

(1) 1M x 64

(1) 1M x 64

80MB

(1) 8M x 64

(1) 2M x 64

None

80MB

(1) 4M x 64

(1) 4M x 64

(1) 2M x 64

88MB

(1) 8M x 64

(1) 2M x 64

(1) 1M x 64

96MB

(1) 8M x 64

(1) 2M x 64

(1) 2M x 64

96MB

(1) 8M x 64

(1) 4M x 64

None

96MB

(1) 4M x 64

(1) 4M x 64

(1) 4M x 64

104MB

(1) 8M x 64

(1) 4M x 64

(1) 1M x 64

112MB

(1) 8M x 64

(1) 4M x 64

(1) 2M x 64

128MB

(1) 16M x 64

None

None

128MB

(1) 8M x 64

(1) 4M x 64

(1) 4M x 64

128MB

(1) 8M x 64

(1) 8M x 64

None

136MB

(1) 16M x 64

(1) 1M x 64

None

136MB

(1) 8M x 64

(1) 8M x 64

(1) 1M x 64

144MB

(1) 16M x 64

(1) 1M x 64

(1) 1M x 64

144MB

(1) 16M x 64

(1) 2M x 64

None

144MB

(1) 8M x 64

(1) 8M x 64

(1) 2M x 64

152MB

(1) 16M x 64

(1) 2M x 64

(1) 1M x 64

160MB

(1) 16M x 64

(1) 2M x 64

(1) 2M x 64

160MB

(1) 16M x 64

(1) 4M x 64

None

160MB

(1) 8M x 64

(1) 8M x 64

(1) 4M x 64

168MB

(1) 16M x 64

(1) 4M x 64

(1) 1M x 64

176MB

(1) 16M x 64

(1) 4M x 64

(1) 2M x 64

192MB

(1) 16M x 64

(1) 4M x 64

(1) 4M x 64

192MB

(1) 16M x 64

(1) 8M x 64

None

192MB

(1) 8M x 64

(1) 8M x 64

(1) 8M x 64

200MB

(1) 16M x 64

(1) 8M x 64

(1) 1M x 64

208MB

(1) 16M x 64

(1) 8M x 64

(1) 2M x 64

224MB

(1) 16M x 64

(1) 8M x 64

(1) 4M x 64

256MB

(1) 16M x 64

(1) 8M x 64

(1) 8M x 64

384MB

(1) 16M x 64

(1) 16M x 64

(1) 16M x 64

512MB

(1) 32M x 64

(1) 32M x 64

None

512MB

(1) 64M x 64

None

None

768MB

(1) 32M x 64

(1) 32M x 64

(1) 32M x 64

1024MB

(1) 64M x 64

(1) 64M x 64

None

Note: Board accepts EDO & SDRAM memory. 512MB maximum if using EDO memory. 1024MB maximum if using EDO memory.

CACHE CONFIGURATION

Note: 256KB/512KB cache is located on the Pentium II CPU.

CPU SPEED SELECTION

CPU speed

Clock speed

Multiplier

J9

J10

SW1/1

SW1/2

SW1/3

SW1/4

200MHz

66MHz

3x

Open

Open

On

On

Off

On

233MHz

66MHz

3.5x

Open

Open

On

Off

Off

On

266MHz

66MHz

4x

Open

Open

On

On

On

Off

300MHz

66MHz

4.5x

Open

Open

On

Off

On

Off

333MHz

66MHz

5x

Open

Open

On

On

Off

Off

Note: The location of SW1 is unidentified.

KEYBOARD POWER SELECTION

Voltage

J7

J8

»

5v

Closed

Open

 

5v standby

Open

Closed