AVT INDUSTRIAL, LTD.

586 GXM-AVX

Device Type

Mainboard

Processor

CX GXM

Processor Speed

200/233/266MHz

Chip Set

Cyrix

Video Chip Set

Unidentified

Maximum Onboard Memory

128MB

Maximum Video Memory

Unidentified

Cache

None

BIOS

Award

Dimensions

220mm x 220mm

I/O Options

32-bit PCI slots (2), floppy drive interface, game interface, IDE interfaces (2), parallel port, PS/2 mouse interface, serial ports (2), VGA interface, audio in – CD-ROMs (2),

NPU Options

None

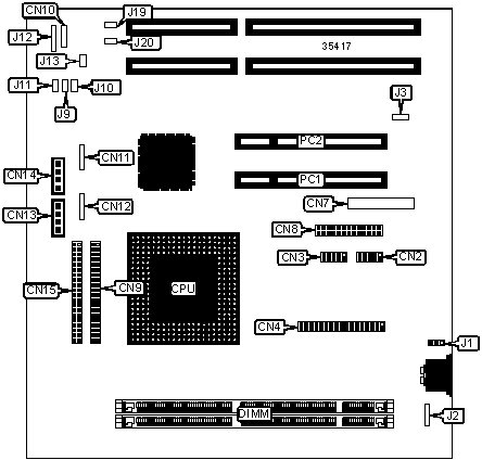
CONNECTIONS

Purpose

Location

Purpose

Location

Serial port 1

CN2

Audio in – CD-ROM

CN14

Serial port 2

CN3

IDE interface 2

CN15

Floppy drive interface

CN4

PS/2 mouse interface

J2

Video connector

CN7

IDE interface LED

J9

Parallel port

CN8

Reset switch

J11

IDE interface 1

CN9

Power LED & keylock

J12

Speaker

CN10

Digital input connector

J19

Game interface

CN11

Digital output connector

J20

Sound board connector

CN12

32-bit PCI slots

PC1 – PC2

Audio in – CD-ROM

CN13

   

USER CONFIGURABLE SETTINGS

Function

Label

Position

»

CMOS memory normal operation

J1

Pins 1 & 2 closed

 

CMOS memory clear

J1

Pins 2 & 3 closed

»

Factory configured - do not alter

J3

Unidentified

»

Factory configured - do not alter

J10

Unidentified

»

Factory configured - do not alter

J13

Unidentified

DIMM CONFIGURATION

Size

Bank 0

Bank 1

8MB

(1) 1M x 64

None

16MB

(1) 2M x 64

None

16MB

(1) 1M x 64

(1) 1M x 64

24MB

(1) 2M x 64

(1) 1M x 64

32MB

(1) 4M x 64

None

32MB

(1) 2M x 64

(1) 2M x 64

40MB

(1) 4M x 64

(1) 1M x 64

48MB

(1) 4M x 64

(1) 2M x 64

64MB

(1) 8M x 64

None

64MB

(1) 4M x 64

(1) 4M x 64

72MB

(1) 8M x 64

(1) 1M x 64

80MB

(1) 8M x 64

(1) 2M x 64

96MB

(1) 8M x 64

(1) 4M x 64

128MB

(1) 8M x 64

(1) 8M x 64