AAEON TECHNOLOGY, INC.

PCM-4890

Device Type

Single board computer

Processor

CX486DX2/AM486DX2/80486DX2/CX486DX4/AM486DX4/80486DX4/ CX 5X86/AM 5X86

Processor Speed

33/40/66(internal)/80(internal)/100(internal)/120(internal)/ 133(internal)MHz

Chip Set

VIA

Video Chip Set

Chips and Technology

Maximum Onboard Memory

64MB (EDO supported)

Maximum Video Memory

1MB

Cache

128/256/512KB

BIOS

Award

Dimensions

202mm x 146mm

I/O Options

AUI connector, Ethernet 10BaseT connector, floppy drive interface, IDE interface, parallel port, PS/2 mouse interface, serial ports (2), VGA port, PC/104 connectors (2)

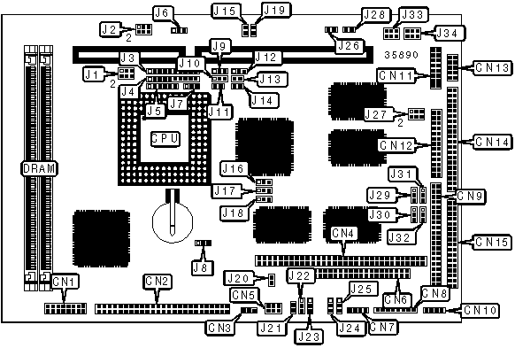
CONNECTIONS

Purpose

Location

Purpose

Location

VGA interface

CN1

Main power connector

CN10

Flat panel connector

CN2

AUI connector

CN11

Chassis fan power

CN3

Parallel port

CN12

PC/104 connector

CN4

Ethernet 10BaseT connector

CN13

Front panel connector

CN5

Serial port

CN14

PC/104 connector

CN6

Floppy drive interface

CN15

Power connector

CN7

Ethernet LED

J26

PS/2 mouse/keyboard interface

CN8

Ethernet LED

J28

IDE interface

CN9

 

 

USER CONFIGURABLE SETTINGS

Function

Label

Position

»

CMOS memory normal operation

J8

Pins 1 & 2 closed

 

CMOS memory clear

J8

Pins 2 & 3 closed

 

Cache type select write through

J12

Closed

 

Cache type select write back

J12

Open

 

Watchdog timer reset

J19

Open

 

Watchdog timer IRQ15

J19

Closed

 

Buzzer enabled

J21

Closed

 

Buzzer disabled

J21

Open

»

Parallel port IRQ select IRQ7

J23

Pins 2 & 3 closed

 

Parallel port IRQ select IRQ5

J23

Pins 1 & 2 closed

SIMM CONFIGURATION

Size

Bank 0

Bank 1

1MB

(1) 256K x 36

None

2MB

(1) 512K x 36

None

2MB

(1) 256K x 36

(1) 256K x 36

3MB

(1) 512K x 36

(1) 256K x 36

4MB

(1) 1M x 36

None

4MB

(1) 512K x 36

(1) 512K x 36

5MB

(1) 1M x 36

(1) 256K x 36

6MB

(1) 1M x 36

(1) 512K x 36

8MB

(1) 2M x 36

None

8MB

(1) 1M x 36

(1) 1M x 36

9MB

(1) 2M x 36

(1) 256K x 36

10MB

(1) 2M x 36

(1) 512K x 36

SIMM CONFIGURATION (CON'T)

Size

Bank 0

Bank 1

12MB

(1) 2M x 36

(1) 1M x 36

16MB

(1) 4M x 36

None

16MB

(1) 2M x 36

(1) 2M x 36

17MB

(1) 4M x 36

(1) 256K x 36

18MB

(1) 4M x 36

(1) 512K x 36

20MB

(1) 4M x 36

(1) 1M x 36

24MB

(1) 4M x 36

(1) 2M x 36

32MB

(1) 8M x 36

None

32MB

(1) 4M x 36

(1) 4M x 36

33MB

(1) 8M x 36

(1) 256K x 36

34MB

(1) 8M x 36

(1) 512K x 36

36MB

(1) 8M x 36

(1) 1M x 36

40MB

(1) 8M x 36

(1) 2M x 36

48MB

(1) 8M x 36

(1) 4M x 36

64MB

(1) 8M x 36

(1) 8M x 36

CACHE CONFIGURATION

Note: The location of the cache is unidentified.

VIDEO MEMORY CONFIGURATION

Note: The location of the video memory is unidentified.

CPU SPEED SELECTION

Speed

J16

J17

J18

33MHz

Pins 1 & 2 closed

Pins 2 & 3 closed

Pins 2 & 3 closed

40MHz

Pins 2 & 3 closed

Pins 1 & 2 closed

Pins 1 & 2 closed

66iMHz

Pins 1 & 2 closed

Pins 2 & 3 closed

Pins 2 & 3 closed

80iMHz

Pins 2 & 3 closed

Pins 1 & 2 closed

Pins 1 & 2 closed

100iMHz

Pins 1 & 2 closed

Pins 2 & 3 closed

Pins 2 & 3 closed

120iMHz

Pins 2 & 3 closed

Pins 1 & 2 closed

Pins 1 & 2 closed

133iMHz

Pins 1 & 2 closed

Pins 2 & 3 closed

Pins 2 & 3 closed

CPU TYPE SELECTION

Type

J3

J4

J5

CX486DX2

Open

1 & 2, 3 & 4, 5 & 6, 7 & 8, 9 & 10

Open

AM486DX2

Open

Open

1 & 2, 3 & 4, 5 & 6

80486DX2

1 & 2, 3 & 4, 5 & 6, 7 & 8, 9 & 10

Open

Open

CX486DX4

1 & 2, 3 & 4, 5 & 6, 7 & 8, 9 & 10

Open

Open

AM486DX4-100

1 & 2, 3 & 4, 5 & 6, 7 & 8, 9 & 10

Open

Open

AM486DX4-120

1 & 2, 3 & 4, 5 & 6, 7 & 8, 9 & 10

Open

Open

80486DX4

1 & 2, 3 & 4, 5 & 6, 7 & 8, 9 & 10

Open

Open

CX 5X86

Open

1 & 2, 3 & 4, 5 & 6, 7 & 8, 9 & 10

Open

AM 5X86

1 & 2, 3 & 4, 5 & 6, 7 & 8, 9 & 10

Open

Open

Note: Pins designated should be in the closed position.

CPU TYPE SELECTION (CON'T)

Type

J7

J9

J10

J11

CX486DX2

1 & 2

1 & 2

1 & 2

Closed

AM486DX2

2 & 3

1 & 2

1 & 2

Closed

80486DX2

2 & 3

1 & 2

1 & 2

Closed

CX486DX4

1 & 2

1 & 2

1 & 2

Closed

AM486DX4-100

1 & 2

1 & 2

1 & 2

Closed

AM486DX4-120

2 & 3

1 & 2

1 & 2

Closed

80486DX4

2 & 3

1 & 2

1 & 2

Closed

CX 5X86

1 & 2

1 & 2

1 & 2

Closed

AM 5X86

2 & 3

1 & 2

1 & 2

Closed

Note: Pins designated should be in the closed position.

CPU MULTIPLIER SELECTION

Multiplier

J13

J14

1x

Open

Open

2x

Closed

Closed

CPU VOLTAGE SELECTION (SINGLE)

Voltage

J1

3v

Pins 1 & 3, 2 & 4 closed

5v

Pins 3 & 5, 4 & 6 closed

CPU VOLTAGE SELECTION (DUAL)

Voltage

J2

»

3.3v

Pins 1 & 2 closed

 

3.45v

Pins 3 & 4 closed

 

3.6v

Pins 5 & 6 closed

DMA CHANNEL SELECTION

Channel

J6

J22

»

1

Pins 1 & 2 closed

Pins 1 & 2 closed

 

3

Pins 2 & 3 closed

Pins 2 & 3 closed

SERIAL PORT 2 SELECTION

Setting

J27

RS-232

Pins 1 & 2 closed

RS-422

Pins 3 & 4 closed

RS-485

Pins 5 & 6 closed

SERIAL PORT VOLTAGE SELECTION

Setting

J29

J30

J31

J32

RS-232

Pins 1 & 2 closed

Pins 1 & 2 closed

Pins 1 & 2 closed

Pins 1 & 2 closed

RS-422

Pins 2 & 3 closed

Pins 2 & 3 closed

Pins 2 & 3 closed

Pins 2 & 3 closed

RS-485

Pins 2 & 3 closed

Pins 2 & 3 closed

Pins 2 & 3 closed

Pins 2 & 3 closed

SERIAL PORT COM3 INTERRUPT SELECTION

IRQ

J24

IRQ5

Pins 1 & 2 closed

IRQ10

Pins 2 & 3 closed

SERIAL PORT COM4 INTERRUPT SELECTION

IRQ

J25

IRQ5

Pins 1 & 2 closed

IRQ10

Pins 2 & 3 closed

SERIAL PORT COM3/4 VOLTAGE SELECTION

Voltage

J33

J34

Ring

Pins 1 & 2 closed

Pins 1 & 2 closed

5v

Pins 3 & 4 closed

Pins 3 & 4 closed

12v

Pins 5 & 6 closed

Pins 5 & 6 closed

WATCHDOG TIMER SELECTION

Setting

J15

J20

Enabled

Closed

Closed

Disabled

Open

Open