ADVANTECH CO., LTD.

PCM-4823L

Device Type

Single board computer

Processor

AM DX5

Processor Speed

133MHz

Chip Set

VIA VT82C496G

Maximum Onboard Memory

32MB (EDO supported)

Cache

None

BIOS

Award

Dimensions

145mm x 102mm

I/O Options

Ethernet 10BaseT connector, floppy drive interface, IDE interface, parallel port, PS/2 mouse port, serial ports (2), IR connector, PC/104 connectors (2)

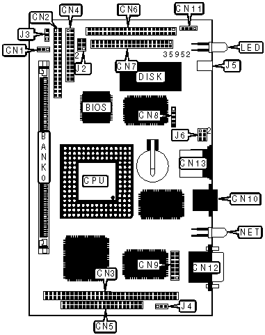
CONNECTIONS

Purpose

Location

Purpose

Location

Power connector

CN1

Serial port 2

CN9

Floppy drive interface

CN2

Ethernet 10BaseT connector

CN10

PC/104 connector

CN3

Power connector

CN11

Parallel port

CN4

Serial port 1

CN12

PC/104 connector

CN5

PS/2 mouse port

CN13

Flat panel connector

CN6

Reset switch

J5

IDE interface

CN7

IDE interface LED

LED

IR connector

CN8

Ethernet LED

NET

USER CONFIGURABLE SETTINGS

Function

Label

Position

»

LCD voltage select 5v

J3

Pins 2 & 3 closed

 

LCD voltage select 3.3v

J3

Pins 1 & 2 closed

»

CMOS memory normal operation

J4

Pins 2 & 3 closed

 

CMOS memory clear

J4

Pins 1 & 2 closed

SIMM CONFIGURATION

Size

Bank 0

1MB

(1) 256K x 36

2MB

(1) 512K x 36

4MB

(1) 1M x 36

8MB

(1) 2M x 36

16MB

(1) 4M x 36

32MB

(1) 8M x 36

Note: Board accepts EDO memory.

SERIAL PORT 2 SELECTION

Setting

J6

»

RS-232

Pins 1 & 2 closed

 

RS-422

Pins 3 & 4 closed

 

RS-485

Pins 5 & 6 closed

DISK ADDRESS SELECTION

Address

J2/pins 1 & 2

J2/pins 3 & 4

J2/pins 5 & 6

 

C800

Closed

Closed

Closed

 

CC00

Closed

Closed

Open

»

D000

Closed

Open

Closed

 

D400

Closed

Open

Open

 

D800

Open

Closed

Closed

 

DC00

Open

Closed

Open

 

E000

Open

Open

Closed

 

Disabled

Open

Open

Open