ACER, INC.
ACERALTOS 930 (M17A), M17A
|
Device Type |
Mainboard |
|
Processor |
Pentium II |
|
Processor Speed |
233/266/300MHz |
|
Chip Set |
Intel 440LX |
|
Maximum Onboard Memory |
512MB (SDRAM supported) |
|
Cache |
256/512KB (located on Pentium II CPU) |
|
BIOS |
Acer |
|
Dimensions |
305mm x 244mm |
|
I/O Options |
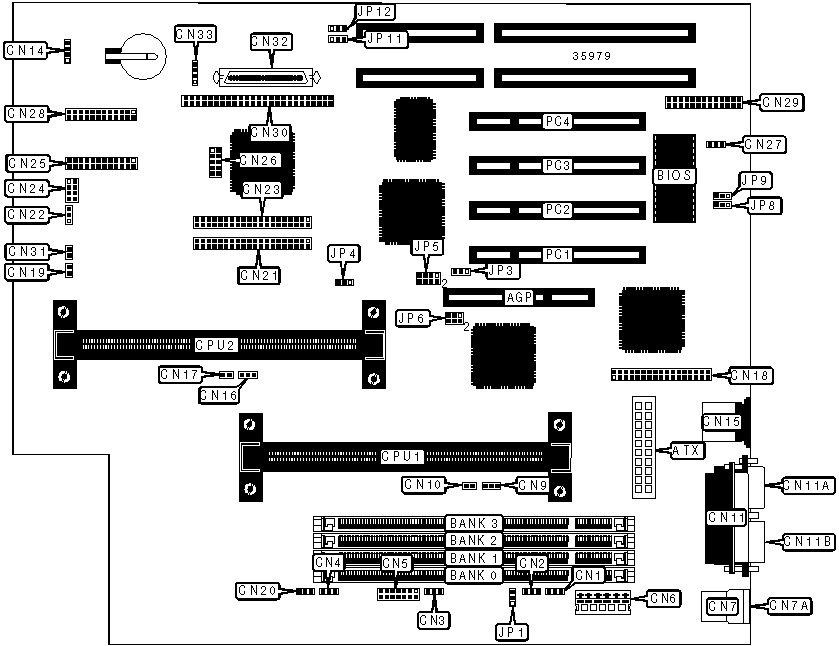
32-bit PCI slots (4), floppy drive interface, IDE interfaces (2), SCSI interface, Wide Ultra SCSI interface, parallel port, PS/2 mouse port, serial ports (2), feature connector, USB connectors (2), ATX power connector, AGP slot |
|
CONNECTIONS | |||
|
Purpose |
Location |
Purpose |
Location |
|
AGP slot |
AGP |
Floppy drive interface |
CN18 |
|
ATX power connector |
ATX |
Soft off power supply |
CN19 |
|
Power connector |
CN1 |
Chassis fan power 1 |
CN20 |
|
Chassis fan power 3 |
CN3 |
IDE interface 1 |
CN21 |
|
Chassis fan power 2 |
CN4 |
Power LED |
CN22 |
|
3.3v power |
CN6 |
IDE interface 2 |
CN23 |
|
USB connector 1 |
CN7 |
Reset switch |
CN24 |
|
USB connector 2 |
CN7A |
RDM connector |
CN25 |
|
CPU 1 fan power |
CN9 |
Redundant power status connector |
CN26 |
|
Thermal sensor connector 1 |
CN10 |
RDM connector |
CN28 |
|
Parallel port |
CN11 |
Feature connector |
CN29 |
|
Serial port 1 |
CN11A |
SCSI interface |
CN30 |
|
Serial port 2 |
CN11B |
Housing door connector |
CN31 |
|
IDE interface LED |
CN14 |
Ultra Wide SCSI interface |
CN32 |
|
PS/2 mouse port |
CN15 |
Speaker |
CN33 |
|
CPU 2 fan power |
CN16 |
32-bit PCI slots |
PC1 - PC4 |
|
Thermal sensor connector 2 |
CN17 | ||
|
USER CONFIGURABLE SETTINGS | |||
|
Function |
Label |
Position | |
|
» |
Factory configured - do not alter |
CN2 |
Unidentified |
|
» |
Factory configured - do not alter |
CN5 |
Unidentified |
|
» |
Factory configured - do not alter |
CN27 |
Unidentified |
|
» |
Power down for 250W power supply enabled |
JP1 |
Pins 2 & 3 closed |
|
Power down for 250W power supply disabled |
JP1 |
Pins 1 & 2 closed | |
|
» |
BIOS type select Acer |
JP8 |
Pins 1 & 2 closed |
|
BIOS type select OEM |
JP8 |
Pins 2 & 3 closed | |
|
» |
Password disabled |
JP9 |
Pins 2 & 3 closed |
|
Password enabled |
JP9 |
Pins 1 & 2 closed | |
|
» |
Buzzer enabled |
JP11 |
Pins 1 & 2 closed |
|
External speaker enabled |
JP11 |
Pins 2 & 3 closed | |
|
» |
Termination enabled |
JP12 |
Pins 1 & 2 closed |
|
Termination switchable through SCSI select utility |
JP12 |
Pins 2 & 3 closed | |
|
DIMM CONFIGURATION | ||||
|
Size |
Bank 0 |
Bank 1 |
Bank 2 |
Bank 3 |
|
8MB |
(1) 1M x 64 |
None |
None |
None |
|
16MB |
(1) 2M x 64 |
None |
None |
None |
|
16MB |
(1) 1M x 64 |
(1) 1M x 64 |
None |
None |
|
24MB |
(1) 2M x 64 |
(1) 1M x 64 |
None |
None |
|
DIMM CONFIGURATION (CON'T) | ||||
|
Size |
Bank 0 |
Bank 1 |
Bank 2 |
Bank 3 |
|
24MB |
(1) 1M x 64 |
(1) 1M x 64 |
(1) 1M x 64 |
None |
|
32MB |
(1) 4M x 64 |
None |
None |
None |
|
32MB |
(1) 2M x 64 |
(1) 2M x 64 |
None |
None |
|
32MB |
(1) 1M x 64 |
(1) 1M x 64 |
(1) 1M x 64 |
(1) 1M x 64 |
|
40MB |
(1) 4M x 64 |
(1) 1M x 64 |
None |
None |
|
48MB |
(1) 4M x 64 |
(1) 2M x 64 |
None |
None |
|
48MB |
(1) 2M x 64 |
(1) 2M x 64 |
(1) 2M x 64 |
None |
|
64MB |
(1) 2M x 64 |
(1) 2M x 64 |
(1) 2M x 64 |
(1) 2M x 64 |
|
64MB |
(1) 8M x 64 |
None |
None |
None |
|
64MB |
(1) 4M x 64 |
(1) 4M x 64 |
None |
None |
|
72MB |
(1) 8M x 64 |
(1) 1M x 64 |
None |
None |
|
80MB |
(1) 8M x 64 |
(1) 2M x 64 |
None |
None |
|
96MB |
(1) 8M x 64 |
(1) 4M x 64 |
None |
None |
|
96MB |
(1) 4M x 64 |
(1) 4M x 64 |
(1) 4M x 64 |
None |
|
128MB |
(1) 16M x 64 |
None |
None |
None |
|
128MB |
(1) 8M x 64 |
(1) 8M x 64 |
None |
None |
|
128MB |
(1) 4M x 64 |
(1) 4M x 64 |
(1) 4M x 64 |
(1) 4M x 64 |
|
136MB |
(1) 16M x 64 |
(1) 1M x 64 |
None |
None |
|
144MB |
(1) 16M x 64 |
(1) 2M x 64 |
None |
None |
|
176MB |
(1) 16M x 64 |
(1) 2M x 64 |
(1) 2M x 64 |
(1) 2M x 64 |
|
192MB |
(1) 16M x 64 |
(1) 8M x 64 |
None |
None |
|
192MB |
(1) 8M x 64 |
(1) 8M x 64 |
(1) 8M x 64 |
None |
|
256MB |
(1) 16M x 64 |
(1) 16M x 64 |
None |
None |
|
256MB |
(1) 8M x 64 |
(1) 8M x 64 |
(1) 8M x 64 |
(1) 8M x 64 |
|
272MB |
(1) 16M x 64 |
(1) 16M x 64 |
(1) 1M x 64 |
(1) 1M x 64 |
|
288MB |
(1) 16M x 64 |
(1) 16M x 64 |
(1) 2M x 64 |
(1) 2M x 64 |
|
320MB |
(1) 16M x 64 |
(1) 16M x 64 |
(1) 4M x 64 |
(1) 4M x 64 |
|
384MB |
(1) 16M x 64 |
(1) 16M x 64 |
(1) 16M x 64 |
None |
|
512MB |
(1) 16M x 64 |
(1) 16M x 64 |
(1) 16M x 64 |
(1) 16M x 64 |
|
Note: Board accepts SDRAM memory. | ||||
|
CACHE CONFIGURATION |
|
Note: 256KB/512KB cache is located on the Pentium II CPU. |
|
CPU SPEED SELECTION | |||||||
|
CPU speed |
Clock speed |
Multiplier |
JP5/pins 1 & 2 |
JP5/pins 3 & 4 |
JP5/pins 5 & 6 |
JP5/pins 7 & 8 |
JP6 |
|
266MHz |
66MHz |
4x |
Closed |
Closed |
Closed |
Open |
1 & 2, 4 & 5 |
|
300MHz |
66MHz |
4.5x |
Closed |
Open |
Closed |
Open |
1 & 2, 4 & 5 |
|
333MHz |
66MHz |
5x |
Closed |
Closed |
Open |
Open |
1 & 2, 4 & 5 |
|
Note: Pins designated should be in the closed position. | |||||||
|
CPU TYPE SELECTION | |||
|
Type |
JP3 |
JP4 | |
| » |
CPU1 installed |
Pins 1 & 2 closed |
Pins 1 & 2 closed |
|
CPU2 installed |
Pins 2 & 3 closed |
Pins 2 & 3 closed | |
|
Both slots installed |
Pins 2 & 3 closed |
Pins 1 & 2 closed | |