ACER, INC.

ACERMATE 486/G (A1GX-2)

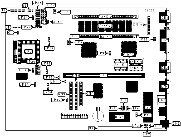
Device Type

Mainboard

Processor

80486/80486(WB)/CX486DX2/IBM486DX2/TI486DX2/

(SL)AM486DX2(SV8T)/(SL)AM486DX2(SV8B)/P24C/P24D/AMDNV8T/

AMDNV8B/CX486DX4/IBM486DX4/(SL)AM486DX4(SV8T)/

(SL)AM486DX4(SV8B)/P24T/CX 5X86/IBM 5X86

Processor Speed

25/33/40/50(internal)/66(internal)/75(internal)/100(internal)MHz

Chip Set

ALI M1429

Video Chip Set

Cirrus Logic

Maximum Onboard Memory

36MB

Maximum Video Memory

2MB

Cache

None

BIOS

Unidentified

Dimensions

285mm x 220mm

I/O Options

Ethernet 10BaseT connector, floppy drive interface, IDE interfaces (2), parallel port, PS/2 mouse port, serial ports (2), VGA feature connector, VGA port, riser slot

CONNECTIONS

Purpose

Location

Purpose

Location

Chassis fan power

C1

Ethernet 10BaseT connector

CN6

Feature connector

C2

Floppy drive interface

CN7

VGA port

CN1

IDE interface 2

CN8

Parallel port

CN2

IDE interface 1

CN9

Serial port 2

CN3

VGA feature connector

CN10

Serial port 1

CN4

Riser slot

SL1

PS/2 mouse port

CN5

   

USER CONFIGURABLE SETTINGS

Function

Label

Position

»

Factory configured - do not alter

CN11

Unidentified

»

Factory configured - do not alter

J1

Unidentified

»

Factory configured - do not alter

J2

Unidentified

»

Factory configured - do not alter

J3

Unidentified

 

BIOS type select Acer

JP1

Pins 2 & 3 closed

 

BIOS type select OEM

JP1

Pins 1 & 2 closed

 

Password disabled

JP2

Pins 2 & 3 closed

 

Password enabled

JP2

Pins 1 & 2 closed

 

Normal boot enabled

JP3

Pins 2 & 3 closed

 

COM1 boot enabled

JP3

Pins 1 & 2 closed

»

Factory configured - do not alter

JP4

Unidentified

 

On board I/O enabled

JP6

Pins 2 & 3 closed

 

On board I/O disabled

JP6

Pins 1 & 2 closed

 

On board video enabled

JP9

Pins 2 & 3 closed

 

On board video disabled

JP9

Pins 1 & 2 closed

 

IDE address select 074H, 078H, 07CH

JP10

Pins 2 & 3 closed

 

IDE address select 0F4H, 0F8H, 0FCH

JP10

Pins 1 & 2 closed

»

Factory configured - do not alter

JP13

Unidentified

 

Reset button enabled

JP28

Pins 2 & 3 closed

 

Reset/green PC button enabled

JP28

Pins 1 & 2 closed

 

IDE interface enabled

JP29

Pins 2 & 3 closed

 

IDE interface disabled

JP29

Pins 1 & 2 closed

 

Feature connector enabled

JP33

Pins 1 & 2 closed

 

I2C interface enabled

JP33

Pins 2 & 3 closed

 

IDE LED enabled

JP35

Open

 

IDE, FDD, CD-ROM LED enabled

JP35

Closed

 

BIOS type select EPROM

JPX1

Pins 2 & 3 closed

 

BIOS type select flash

JPX1

Pins 1 & 2 closed

SIMM CONFIGURATION

Size

Bank 0

Bank 1

Bank 2

4MB

4MB

None

None

4MB

None

(1) 1M x 36

None

8MB

4MB

(1) 1M x 36

None

8MB

None

(1) 2M x 36

None

8MB

None

(1) 1M x 36

(1) 1M x 36

12MB

4MB

(1) 2M x 36

None

12MB

4MB

(1) 1M x 36

(1) 1M x 36

12MB

None

(1) 1M x 36

(1) 2M x 36

16MB

4MB

(1) 2M x 36

(1) 1M x 36

16MB

None

(1) 4M x 36

None

16MB

None

(1) 2M x 36

(1) 2M x 36

20MB

4MB

(1) 4M x 36

None

20MB

None

(1) 1M x 36

(1) 4M x 36

24MB

4MB

(1) 1M x 36

(1) 4M x 36

24MB

None

(1) 2M x 36

(1) 4M x 36

28MB

4MB

(1) 2M x 36

(1) 4M x 36

32MB

None

(1) 4M x 36

(1) 4M x 36

36MB

4MB

(1) 4M x 36

(1) 4M x 36

SIMM JUMPER CONFIGURATION

Size

JP5

On board memory enabled

Pins 2 & 3 closed

On board memory disabled

Pins 1 & 2 closed

VIDEO MEMORY CONFIGURATION

Size

Bank 0

Bank 1

Bank 2

512KB

(1) 256K x 16

None

None

1MB

(1) 256K x 16

(1) 256K x 16

None

2MB

(1) 256K x 16

(1) 256K x 16

(2) 256K x 16

CPU SPEED SELECTION

Speed

JP11

JP12

25MHz

Pins 1 & 5 closed

Pins 1 & 2 closed

33MHz

Pins 1 & 5 closed

Pins 1 & 2 closed

40MHz

Pins 2 & 6 closed

Pins 2 & 3 closed

50iMHz

Pins 1 & 5 closed

Pins 1 & 2 closed

66iMHz

Pins 1 & 5 closed

Pins 1 & 2 closed

75iMHz

Pins 1 & 5 closed

Pins 1 & 2 closed

100iMHz

Pins 1 & 5 closed

Pins 1 & 2 closed

CPU TYPE SELECTION

Type

JP17A

JP17B

JP17C

JP17D

JP17E

80486

2 & 3

2 & 3

2 & 3

2 & 3

2 & 3

80486 (WB)

2 & 3

2 & 3

2 & 3

2 & 3

2 & 3

CX486DX2 *

1 & 2

1 & 2

1 & 2

1 & 2

1 & 2

IBM486DX2 *

1 & 2

1 & 2

1 & 2

1 & 2

1 & 2

TI486DX2 *

1 & 2

1 & 2

1 & 2

1 & 2

1 & 2

CX486DX2

1 & 2

1 & 2

1 & 2

1 & 2

1 & 2

IBM486DX2

1 & 2

1 & 2

1 & 2

1 & 2

1 & 2

TI486DX2

1 & 2

1 & 2

1 & 2

1 & 2

1 & 2

(SL)AM486DX2(SV8T)

2 & 3

2 & 3

2 & 3

2 & 3

2 & 3

(SL)AM486DX2(SV8B)

2 & 3

2 & 3

2 & 3

2 & 3

2 & 3

P24C

2 & 3

2 & 3

2 & 3

2 & 3

2 & 3

P24D

2 & 3

2 & 3

2 & 3

2 & 3

2 & 3

AMD NV8T

2 & 3

2 & 3

2 & 3

2 & 3

2 & 3

AMD NV8B

2 & 3

2 & 3

2 & 3

2 & 3

2 & 3

CX486DX4

1 & 2

1 & 2

1 & 2

1 & 2

1 & 2

IBM486DX4

1 & 2

1 & 2

1 & 2

1 & 2

1 & 2

(SL)AM486DX4(SV8T)

2 & 3

2 & 3

2 & 3

2 & 3

2 & 3

(SL)AM486DX4(SV8B)

2 & 3

2 & 3

2 & 3

2 & 3

2 & 3

P24T

2 & 3

2 & 3

2 & 3

2 & 3

2 & 3

CX 5X86

1 & 2

2 & 3

2 & 3

Open

Open

IBM 5X86

1 & 2

2 & 3

2 & 3

Open

Open

Note: Pins designated should be in the closed position. * = 3.3v, 3.45v CPU.

CPU TYPE SELECTION (CON’T)

Type

JP17F

JP17G

JP18

JP19

JP26A

80486

2 & 3

2 & 3

1 & 2

2 & 3

2 & 3

80486 (WB)

2 & 3

2 & 3

1 & 2

1 & 2

1 & 2

CX486DX2 *

1 & 2

1 & 2

2 & 3

1 & 2

2 & 3

IBM486DX2 *

1 & 2

1 & 2

2 & 3

1 & 2

2 & 3

TI486DX2 *

1 & 2

1 & 2

2 & 3

1 & 2

2 & 3

CX486DX2

1 & 2

1 & 2

2 & 3

1 & 2

2 & 3

IBM486DX2

1 & 2

1 & 2

2 & 3

1 & 2

2 & 3

TI486DX2

1 & 2

1 & 2

2 & 3

1 & 2

2 & 3

(SL)AM486DX2(SV8T)

2 & 3

2 & 3

2 & 3

1 & 2

2 & 3

(SL)AM486DX2(SV8B)

2 & 3

2 & 3

1 & 2

1 & 2

1 & 2

P24C

2 & 3

2 & 3

1 & 2

2 & 3

2 & 3

P24D

2 & 3

2 & 3

1 & 2

1 & 2

1 & 2

AMD NV8T

2 & 3

2 & 3

1 & 2

2 & 3

2 & 3

AMD NV8B

2 & 3

2 & 3

1 & 2

2 & 3

2 & 3

CX486DX4

1 & 2

1 & 2

2 & 3

1 & 2

2 & 3

IBM486DX4

1 & 2

1 & 2

2 & 3

1 & 2

2 & 3

(SL)AM486DX4(SV8T)

2 & 3

2 & 3

2 & 3

1 & 2

2 & 3

(SL)AM486DX4(SV8B)

2 & 3

2 & 3

1 & 2

1 & 2

1 & 2

P24T

2 & 3

2 & 3

1 & 2

1 & 2

1 & 2

CX 5X86

Open

Open

Open

1 & 2

Open

IBM 5X86

Open

Open

Open

1 & 2

Open

Note: Pins designated should be in the closed position. * = 3.3v, 3.45v CPU.

CPU TYPE SELECTION (CON’T)

Type

JP26B

JP26C

JP26D

JP26E

JP26F

80486

2 & 3

2 & 3

2 & 3

2 & 3

2 & 3

80486 (WB)

1 & 2

1 & 2

1 & 2

1 & 2

1 & 2

CX486DX2 *

2 & 3

2 & 3

2 & 3

2 & 3

2 & 3

IBM486DX2 *

2 & 3

2 & 3

2 & 3

2 & 3

2 & 3

TI486DX2 *

2 & 3

2 & 3

2 & 3

2 & 3

2 & 3

CX486DX2

2 & 3

2 & 3

2 & 3

2 & 3

2 & 3

IBM486DX2

2 & 3

2 & 3

2 & 3

2 & 3

2 & 3

TI486DX2

2 & 3

2 & 3

2 & 3

2 & 3

2 & 3

(SL)AM486DX2(SV8T)

2 & 3

2 & 3

2 & 3

2 & 3

2 & 3

(SL)AM486DX2(SV8B)

1 & 2

1 & 2

1 & 2

1 & 2

1 & 2

P24C

2 & 3

2 & 3

2 & 3

2 & 3

2 & 3

P24D

1 & 2

1 & 2

1 & 2

1 & 2

1 & 2

AMD NV8T

2 & 3

2 & 3

2 & 3

2 & 3

2 & 3

AMD NV8B

2 & 3

2 & 3

2 & 3

2 & 3

2 & 3

CX486DX4

2 & 3

2 & 3

2 & 3

2 & 3

2 & 3

IBM486DX4

2 & 3

2 & 3

2 & 3

2 & 3

2 & 3

(SL)AM486DX4(SV8T)

2 & 3

2 & 3

2 & 3

2 & 3

2 & 3

(SL)AM486DX4(SV8B)

1 & 2

1 & 2

1 & 2

1 & 2

1 & 2

P24T

1 & 2

1 & 2

1 & 2

1 & 2

1 & 2

CX 5X86

Open

Open

1 & 2

1 & 2

2 & 3

IBM 5X86

Open

Open

1 & 2

1 & 2

2 & 3

Note: Pins designated should be in the closed position. * = 3.3v, 3.45v CPU.

CPU TYPE SELECTION (CON’T)

Type

JP26G

JP26H

JP27

JP32

80486

2 & 3

2 & 3

3 & 4

1 & 2

80486 (WB)

1 & 2

1 & 2

3 & 4

1 & 2

CX486DX2 *

2 & 3

2 & 3

3 & 4

1 & 2

IBM486DX2 *

2 & 3

2 & 3

3 & 4

1 & 2

TI486DX2 *

2 & 3

2 & 3

3 & 4

1 & 2

CX486DX2

2 & 3

2 & 3

3 & 4

2 & 3

IBM486DX2

2 & 3

2 & 3

3 & 4

2 & 3

TI486DX2

2 & 3

2 & 3

3 & 4

2 & 3

(SL)AM486DX2 (SV8T)

2 & 3

2 & 3

2 & 3

1 & 2

(SL)AM486DX2 (SV8B)

1 & 2

1 & 2

2 & 3

1 & 2

P24C

2 & 3

2 & 3

3 & 4

1 & 2

P24D

1 & 2

1 & 2

3 & 4

1 & 2

AMD NV8T

2 & 3

2 & 3

3 & 4

1 & 2

AMD NV8B

2 & 3

2 & 3

3 & 4

1 & 2

CX486DX4

2 & 3

2 & 3

3 & 4

1 & 2

IBM486DX4

2 & 3

2 & 3

3 & 4

1 & 2

(SL)AM486DX4 (SV8T)

2 & 3

2 & 3

3 & 4

1 & 2

(SL)AM486DX4 (SV8B)

1 & 2

1 & 2

3 & 4

1 & 2

P24T

1 & 2

1 & 2

1 & 2

1 & 2

CX 5X86

1 & 2

Open

3 & 4

1 & 2

IBM 5X86

1 & 2

Open

3 & 4

1 & 2

Note: Pins designated should be in the closed position. * = 3.3v, 3.45v CPU.

CPU TYPE SELECTION (CON’T)

Type

JP36A

JP36B

JP36C

JP36D

80486

2 & 3

2 & 3

2 & 3

2 & 3

80486 (WB)

2 & 3

2 & 3

2 & 3

2 & 3

CX486DX2 *

1 & 2

1 & 2

1 & 2

1 & 2

IBM486DX2 *

1 & 2

1 & 2

1 & 2

1 & 2

TI486DX2 *

1 & 2

1 & 2

1 & 2

1 & 2

CX486DX2

1 & 2

1 & 2

1 & 2

1 & 2

IBM486DX2

1 & 2

1 & 2

1 & 2

1 & 2

TI486DX2

1 & 2

1 & 2

1 & 2

1 & 2

(SL)AM486DX2 (SV8T)

1 & 2

1 & 2

1 & 2

1 & 2

(SL)AM486DX2 (SV8B)

1 & 2

1 & 2

1 & 2

1 & 2

P24C

2 & 3

2 & 3

2 & 3

2 & 3

P24D

2 & 3

2 & 3

2 & 3

2 & 3

AMD NV8T

2 & 3

2 & 3

2 & 3

2 & 3

AMD NV8B

2 & 3

2 & 3

2 & 3

2 & 3

CX486DX4

1 & 2

1 & 2

1 & 2

1 & 2

IBM486DX4

1 & 2

1 & 2

1 & 2

1 & 2

(SL)AM486DX4 (SV8T)

1 & 2

1 & 2

1 & 2

1 & 2

(SL)AM486DX4 (SV8B)

1 & 2

1 & 2

1 & 2

1 & 2

P24T

2 & 3

2 & 3

2 & 3

2 & 3

CX 5X86

1 & 2

1 & 2

1 & 2

1 & 2

IBM 5X86

1 & 2

1 & 2

1 & 2

1 & 2

Note: Pins designated should be in the closed position. * = 3.3v, 3.45v CPU.

DMA CHANNEL SELECTION

Channel

JP7

JP8

1

Pins 1 & 2 closed

Pins 1 & 2 closed

3

Pins 2 & 3 closed

Pins 2 & 3 closed