CAF TECHNOLOGY, INC.

N342 (Ver. 1.0)

Processor

80368SX

Processor Speed

25/33MHz

Chip Set

VLSI SCAMP

Max. Onboard DRAM

16MB

SRAM Cache

None

BIOS

AMI

Dimensions

240mm x 220mm

I/O Options

Floppy drive interface, game port, IDE interface, parallel port, serial port (2)

NPU Options

80387SX

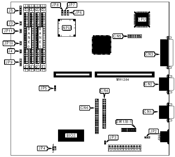
CONNECTIONS

Purpose

Location

Purpose

Location

IDE interface LED

J3

Serial port 1

CN1

Reset switch

J4

Serial port 2

CN2

Power LED & keylock

J5

Parallel port

CN3

Speaker

JP9 pins 3 & 4

Floppy drive interface

CN4

Turbo switch

JP10

Game port

CN5

Turbo LED

JP11

IDE interface

CN6

USER CONFIGURABLE SETTINGS

Function

Jumper/Switch

Position

»

Battery select internal (3.6VDC)

JP2

pins 1 & 2 closed

 

Battery select external (6.0VDC)

JP2

pins 2 & 3 closed

»

SYSCLK normal operation

JP3

open

 

SYSCLK select 12MHz

JP3

closed

»

CMOS memory normal operation

JP4

pins 1 & 2 closed

 

CMOS memory clear

JP4

pins 3 & 4 closed

»

Turbo mode controlled by JP10

JP5

pins 2 & 3 closed

 

Turbo mode selectable at keyboard

JP5

pins 1 & 2 closed

»

Speaker select internal

JP9

pins 1 & 2 closed

 

Speaker select external

JP9

connected

»

Monitor type select monochrone

SW1/Switch 8

open

 

Monitor type select color

SW1/Switch 8

closed

»

Factory configured - do not alter

SW1/Switch 3

unknown

CPU CONFIGURATION

CPU

Clock Speed

JP6

JP7

JP8

80386SX/33

66MHz

pins 1 & 2 closed

pins 2 & 3 closed

pins 1 & 2 closed

80386SX/25

50MHz

pins 2 & 3 closed

pins 2 & 3 closed

pins 1 & 2 closed

80386SX/20

40MHz

pins 1 & 2 closed

pins 1 & 2 closed

pins 2 & 3 closed

DRAM CONFIGURATION

Size

Bank 0

Bank 1

512KB

(2) 256K x 9

NONE

1MB

(2) 256K x 9

(2) 256K x 9

2MB

(2) 1M x 9

NONE

4MB

(2) 1M x 9

(2) 1M x 9

8MB

(2) 4M x 9

NONE

16MB

(2) 4M x 9

(2) 4M x 9

I/O CONTROLLER CONFIGURATION

Device

SW1

Enabled

Disabled

COM1 (CN1)

switch 1

open

closed

COM2 (CN2)

switch 2

open

closed

Floppy drive interface (CN4)

switch 4

open

closed

Parallel port (CN3)

switch 5

open

closed

IDE interface (CN6)

switch 6

open

closed

Game port (CN5)

switch 7

open

closed