DIGITAL EQUIPMENT CORPORATION
PRIORIS XL
|
Device Type |
Mainboard |
|
Processor |
80486DX/80486DX2/Pentium |
|
Processor Speed |
25/33/50(internal)/66(internal)MHz |
|
Chip Set |
Unidentified |
|
Video Chip Set |
Unidentified |
|
Maximum Onboard Memory |
128MB (80486)/512MB (Pentium) |
|
Maximum Video Memory |
1MB |
|
Cache |
128/256KB |
|
BIOS |
Unidentified |
|
Dimensions |
305mm x 244mm |
|
I/O Options |
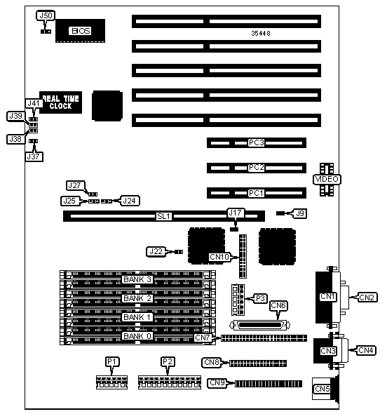
32-bit PCI slots (3), floppy drive interface, IDE interface, SCSI interface, Wide Ultra SCSI interface, parallel port, PS/2 mouse port, serial ports (2), VGA feature connector, VGA port, CPU slot |
|
NPU Options |
None |
|
CONNECTIONS | |||
|
Purpose |
Location |
Purpose |
Location |
|
Parallel port |
CN1 |
IDE interface |
CN9 |
|
VGA port |
CN2 |
VGA feature connector |
CN10 |
|
Serial port |
CN3 |
5v auxiliary power |
P1 |
|
Serial port |
CN4 |
5v power |
P2 |
|
PS/2 mouse port |
CN5 |
3.3v power |
P3 |
|
Ultra Wide SCSI interface |
CN6 |
32-bit PCI slots |
PC1 – PC3 |
|
SCSI interface |
CN7 |
CPU slot |
SL1 |
|
Floppy drive interface |
CN8 | ||
|
USER CONFIGURABLE SETTINGS | |||
|
Function |
Label |
Position | |
|
» |
VGA IRQ9 disabled |
J9 |
Open |
|
VGA IRQ9 enabled |
J9 |
Closed | |
|
» |
On board I/O enabled |
J17 |
Closed |
|
On board I/O disabled |
J17 |
Open | |
|
» |
Wide SCSI disabled |
J22 |
Open |
|
Wide SCSI enabled |
J22 |
Closed | |
|
» |
Monitor type select color |
J37 |
Closed |
|
Monitor type select monochrome |
J37 |
Open | |
|
» |
Password normal operation |
J38 |
Open |
|
Password clear |
J38 |
Closed | |
|
» |
BIOS normal operation |
J39 |
Open |
|
BIOS recovery mode |
J39 |
Closed | |
|
» |
BIOS upgrade enabled |
J41 |
Closed |
|
BIOS upgrade disabled |
J41 |
Open | |
|
» |
Boot block enabled |
J50 |
Pins 1 & 2 closed |
|
Boot block disabled |
J50 |
Pins 2 & 3 closed | |
|
SIMM CONFIGURATION | ||||
|
Size |
Bank 0 |
Bank 1 |
Bank 2 |
Bank 3 |
|
8MB |
(2) 1M x 36 |
None |
None |
None |
|
16MB |
(2) 2M x 36 |
None |
None |
None |
|
16MB |
(2) 1M x 36 |
(2) 1M x 36 |
None |
None |
|
24MB |
(2) 2M x 36 |
(2) 1M x 36 |
None |
None |
|
24MB |
(2) 1M x 36 |
(2) 1M x 36 |
(2) 1M x 36 |
None |
|
32MB |
(2) 4M x 36 |
None |
None |
None |
|
32MB |
(2) 2M x 36 |
(2) 2M x 36 |
None |
None |
|
SIMM CONFIGURATION (CON’T) | ||||
|
Size |
Bank 0 |
Bank 1 |
Bank 2 |
Bank 3 |
|
32MB |
(2) 1M x 36 |
(2) 1M x 36 |
(2) 1M x 36 |
(2) 1M x 36 |
|
40MB |
(2) 4M x 36 |
(2) 1M x 36 |
None |
None |
|
48MB |
(2) 4M x 36 |
(2) 2M x 36 |
None |
None |
|
48MB |
(2) 2M x 36 |
(2) 2M x 36 |
(2) 2M x 36 |
None |
|
64MB |
(2) 2M x 36 |
(2) 2M x 36 |
(2) 2M x 36 |
(2) 2M x 36 |
|
64MB |
(2) 8M x 36 |
None |
None |
None |
|
64MB |
(2) 4M x 36 |
(2) 4M x 36 |
None |
None |
|
72MB |
(2) 8M x 36 |
(2) 1M x 36 |
None |
None |
|
80MB |
(2) 8M x 36 |
(2) 2M x 36 |
None |
None |
|
96MB |
(2) 8M x 36 |
(2) 4M x 36 |
None |
None |
|
96MB |
(2) 4M x 36 |
(2) 4M x 36 |
(2) 4M x 36 |
None |
|
128MB |
(2) 16M x 36 |
None |
None |
None |
|
128MB |
(2) 8M x 36 |
(2) 8M x 36 |
None |
None |
|
128MB |
(2) 4M x 36 |
(2) 4M x 36 |
(2) 4M x 36 |
(2) 4M x 36 |
|
136MB |
(2) 16M x 36 |
(2) 1M x 36 |
None |
None |
|
144MB |
(2) 16M x 36 |
(2) 2M x 36 |
None |
None |
|
152MB |
(2) 16M x 36 |
(2) 1M x 36 |
(2) 1M x 36 |
(2) 1M x 36 |
|
160MB |
(2) 16M x 36 |
(2) 4M x 36 |
None |
None |
|
176MB |
(2) 16M x 36 |
(2) 2M x 36 |
(2) 2M x 36 |
(2) 2M x 36 |
|
192MB |
(2) 16M x 36 |
(2) 8M x 36 |
None |
None |
|
192MB |
(2) 8M x 36 |
(2) 8M x 36 |
(2) 8M x 36 |
None |
|
224MB |
(2) 16M x 36 |
(2) 4M x 36 |
(2) 4M x 36 |
(2) 4M x 36 |
|
256MB |
(2) 16M x 36 |
(2) 16M x 36 |
None |
None |
|
256MB |
(2) 8M x 36 |
(2) 8M x 36 |
(2) 8M x 36 |
(2) 8M x 36 |
|
272MB |
(2) 16M x 36 |
(2) 16M x 36 |
(2) 1M x 36 |
(2) 1M x 36 |
|
288MB |
(2) 16M x 36 |
(2) 16M x 36 |
(2) 2M x 36 |
(2) 2M x 36 |
|
320MB |
(2) 16M x 36 |
(2) 16M x 36 |
(2) 4M x 36 |
(2) 4M x 36 |
|
320MB |
(2) 16M x 36 |
(2) 8M x 36 |
(2) 8M x 36 |
(2) 8M x 36 |
|
384MB |
(2) 16M x 36 |
(2) 16M x 36 |
(2) 16M x 36 |
None |
|
512MB |
(2) 16M x 36 |
(2) 16M x 36 |
(2) 16M x 36 |
(2) 16M x 36 |
|
Note: If 80486 module is installed, it will accept up to 128MB. | ||||
|
VIDEO MEMORY CONFIGURATION |
|
Note: the size of the video memory is unidentified. |
|
CPU TYPE SELECTION | |
|
Type |
J27 |
|
Intel |
Open |
|
All other types |
Closed |
|
CPU CARD SELECTION | ||
|
Type |
J24 |
J25 |
|
Single CPU installed |
Pins 1 & 2 closed |
Pins 1 & 2 closed |
|
Multiple CPUs installed |
Pins 2 & 3 closed |
Pins 2 & 3 closed |
|
CACHE CONFIGURATION | |
|
Size |
Bank 0 |
|
128KB |
(4) 32K x 8 |
|
256KB |
(4) 64K x 8 |
|
CACHE JUMPER CONFIGURATION | |||
|
Size |
J8 |
J9 |
J10 |
|
128KB |
Pins 1 & 2 closed |
Pins 1 & 2 closed |
Pins 1 & 2 closed |
|
256KB |
Pins 2 & 3 closed |
Pins 2 & 3 closed |
Pins 2 & 3 closed |
|
CPU SPEED SELECTION | |
|
Speed |
J12 |
|
25MHz |
Pins 1 & 2 closed |
|
33MHz |
Pins 2 & 3 closed |
|
50iMHz |
Pins 1 & 2 closed |
|
66iMHz |
Pins 2 & 3 closed |