CHAINTECH COMPUTER COMPANY, LTD.

CT-6LTM2

Device Type

Mainboard

Processor

Pentium II

Processor Speed

233/266/300/333MHz

Chip Set

Intel 440LX

Video Chip Set

None

Maximum Onboard Memory

384MB (EDO & SDRAM supported)

Maximum Video Memory

None

Cache

256/512KB (located on Pentium II CPU)

BIOS

Award

Dimensions

285mm x 190mm

I/O Options

32-bit PCI slots (4), floppy drive interface, green PC connector, IDE interfaces (2), parallel port, PS/2 mouse port, serial ports (2), IR connector, USB connectors (2), ATX power connector, AGP slot, SB-link connector, wake on LAN connector

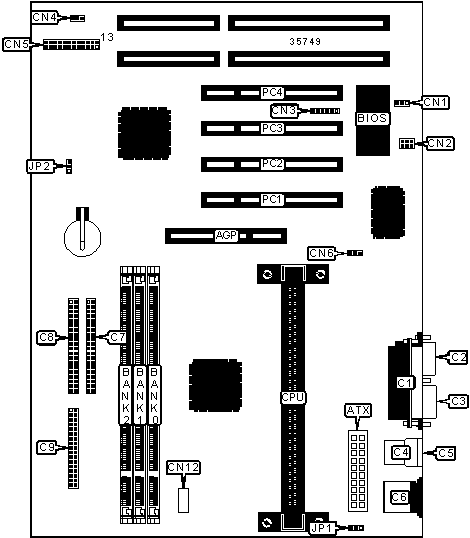
CONNECTIONS

Purpose

Location

Purpose

Location

AGP slot

AGP

IR connector

CN3

ATX power connector

ATX

Chassis fan power

CN4

Parallel port

C1

Power LED & keylock

CN5/pins 1 - 5

Serial port 2

C2

Speaker

CN5/pins 7 - 10

Serial port 1

C3

Soft off power supply

CN5/pins 11 & 12

USB connector 1

C4

Turbo LED

CN5/pins 13 & 14

USB connector 2

C5

Green PC connector

CN5/pins 16 & 17

PS/2 mouse port

C6

Green PC LED

CN5/pins 18 & 19

IDE interface 2

C7

Reset switch

CN5/pins 21 & 22

IDE interface 1

C8

IDE interface LED

CN5/pins 23 & 24

Floppy drive interface

C9

CPU fan power

CN6

Wake on LAN connector

CN1

Fan II connector

CN12

SB-link connector

CN2

32-bit PCI slots

PC1 - PC4

USER CONFIGURABLE SETTINGS

Function

Label

Position

»

Keyboard power on disabled

JP1

Pins 1 & 2 closed

 

Keyboard power on enabled

JP1

Pins 2 & 3 closed

»

CMOS memory normal operation

JP2

Pins 1 & 2 closed

 

CMOS memory clear

JP2

Pins 2 & 3 closed

DIMM CONFIGURATION

Size

Bank 0

Bank 1

Bank 2

8MB

(1) 1M x 64

None

None

16MB

(1) 2M x 64

None

None

16MB

(1) 1M x 64

(1) 1M x 64

None

24MB

(1) 2M x 64

(1) 1M x 64

None

24MB

(1) 1M x 64

(1) 1M x 64

(1) 1M x 64

32MB

(1) 4M x 64

None

None

32MB

(1) 2M x 64

(1) 1M x 64

(1) 1M x 64

32MB

(1) 2M x 64

(1) 2M x 64

None

40MB

(1) 4M x 64

(1) 1M x 64

None

40MB

(1) 2M x 64

(1) 2M x 64

(1) 1M x 64

48MB

(1) 4M x 64

(1) 1M x 64

(1) 1M x 64

DIMM CONFIGURATION (CON'T)

Size

Bank 0

Bank 1

Bank 2

48MB

(1) 4M x 64

(1) 2M x 64

None

48MB

(1) 2M x 64

(1) 2M x 64

(1) 2M x 64

56MB

(1) 4M x 64

(1) 2M x 64

(1) 1M x 64

64MB

(1) 8M x 64

None

None

64MB

(1) 4M x 64

(1) 2M x 64

(1) 2M x 64

64MB

(1) 4M x 64

(1) 4M x 64

None

72MB

(1) 8M x 64

(1) 1M x 64

None

72MB

(1) 4M x 64

(1) 4M x 64

(1) 1M x 64

80MB

(1) 8M x 64

(1) 1M x 64

(1) 1M x 64

80MB

(1) 8M x 64

(1) 2M x 64

None

80MB

(1) 4M x 64

(1) 4M x 64

(1) 2M x 64

88MB

(1) 8M x 64

(1) 2M x 64

(1) 1M x 64

96MB

(1) 8M x 64

(1) 2M x 64

(1) 2M x 64

96MB

(1) 8M x 64

(1) 4M x 64

None

96MB

(1) 4M x 64

(1) 4M x 64

(1) 4M x 64

104MB

(1) 8M x 64

(1) 4M x 64

(1) 1M x 64

112MB

(1) 8M x 64

(1) 4M x 64

(1) 2M x 64

128MB

(1) 16M x 64

None

None

128MB

(1) 8M x 64

(1) 4M x 64

(1) 4M x 64

128MB

(1) 8M x 64

(1) 8M x 64

None

136MB

(1) 16M x 64

(1) 1M x 64

None

136MB

(1) 8M x 64

(1) 8M x 64

(1) 1M x 64

144MB

(1) 16M x 64

(1) 1M x 64

(1) 1M x 64

144MB

(1) 16M x 64

(1) 2M x 64

None

144MB

(1) 8M x 64

(1) 8M x 64

(1) 2M x 64

152MB

(1) 16M x 64

(1) 2M x 64

(1) 1M x 64

160MB

(1) 16M x 64

(1) 2M x 64

(1) 2M x 64

160MB

(1) 16M x 64

(1) 4M x 64

None

160MB

(1) 8M x 64

(1) 8M x 64

(1) 4M x 64

168MB

(1) 16M x 64

(1) 4M x 64

(1) 1M x 64

176MB

(1) 16M x 64

(1) 4M x 64

(1) 2M x 64

192MB

(1) 16M x 64

(1) 4M x 64

(1) 4M x 64

192MB

(1) 16M x 64

(1) 8M x 64

None

192MB

(1) 8M x 64

(1) 8M x 64

(1) 8M x 64

DIMM CONFIGURATION (CON'T)

Size

Bank 0

Bank 1

Bank 2

200MB

(1) 16M x 64

(1) 8M x 64

(1) 1M x 64

208MB

(1) 16M x 64

(1) 8M x 64

(1) 2M x 64

224MB

(1) 16M x 64

(1) 8M x 64

(1) 4M x 64

256MB

(1) 16M x 64

(1) 8M x 64

(1) 8M x 64

384MB

(1) 16M x 64

(1) 16M x 64

(1) 16M x 64

Note: Board accepts EDO & SDRAM memory.

CACHE CONFIGURATION

Note: 256KB/512KB cache is located on the Pentium II CPU.