CHAINTECH COMPUTER COMPANY, LTD.

CT-6BTA

Device Type

Mainboard

Processor

Pentium II/Celeron

Processor Speed

233/266/300/333/350/366/400/450MHz

Chip Set

Intel 440BX

Video Chip Set

None

Maximum Onboard Memory

384MB (SDRAM supported)

Maximum Video Memory

None

Cache

0/128/256/512KB (located on the CPU)

BIOS

Award

Dimensions

305mm x 190mm

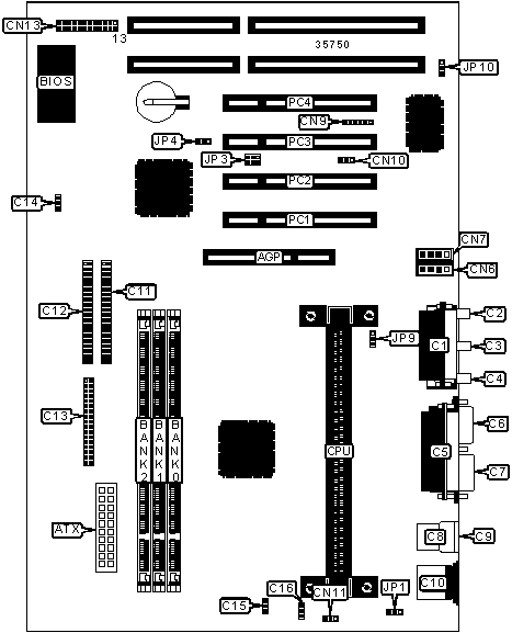
I/O Options

32-bit PCI slots (4), floppy drive interface, game/MIDI port, green PC connector, IDE interfaces (2), parallel port, PS/2 mouse port, serial ports (2), IR connector, USB connectors (2), ATX power connector, AGP slot, line in, line out, microphone in, audio in - CD-ROMs (2), SB-link connector, wake on LAN connector

CONNECTIONS

Purpose

Location

Purpose

Location

AGP slot

AGP

CPU fan power

C16

ATX power connector

ATX

Audio in - CD-ROM

CN6

Game/MIDI port

C1

Audio in - CD-ROM

CN7

Microphone in

C2

IR connector

CN9

Line in

C3

Wake on LAN connector

CN10

Line out

C4

Chassis intrusion connector

CN11

Parallel port

C5

Power LED & keylock

CN13/pins 1 - 5

Serial port 2

C6

Speaker

CN13/pins 7 - 10

Serial port 1

C7

Soft off power supply

CN13/pins 11 & 12

USB connector 1

C8

Turbo LED

CN13/pins 13 & 14

USB connector 2

C9

Green PC connector

CN13/pins 16 & 17

PS/2 mouse port

C10

Green PC LED

CN13/pins 18 & 19

IDE interface 2

C11

Reset switch

CN13/pins 21 & 22

IDE interface 1

C12

IDE interface LED

CN13/pins 23 & 24

Floppy drive interface

C13

SB-link connector

JP3

Chassis fan power

C14

32-bit PCI slots

PC1 - PC4

Chassis fan power

C15

 

 

USER CONFIGURABLE SETTINGS

Function

Label

Position

»

Keyboard power on disabled

JP1

Pins 1 & 2 closed

 

Keyboard power on enabled

JP1

Pins 2 & 3 closed

»

CMOS memory normal operation

JP4

Pins 1 & 2 closed

 

CMOS memory clear

JP4

Pins 2 & 3 closed

»

On board audio enabled

JP10

Pins 1 & 2 closed

 

On board audio disabled

JP10

Pins 2 & 3 closed

DIMM CONFIGURATION

Size

Bank 0

Bank 1

Bank 2

16MB

(1) 2M x 64

None

None

32MB

(1) 4M x 64

None

None

32MB

(1) 2M x 64

(1) 2M x 64

None

48MB

(1) 4M x 64

(1) 2M x 64

None

48MB

(1) 2M x 64

(1) 2M x 64

(1) 2M x 64

64MB

(1) 8M x 64

None

None

DIMM CONFIGURATION (CON'T)

Size

Bank 0

Bank 1

Bank 2

64MB

(1) 4M x 64

(1) 2M x 64

(1) 2M x 64

64MB

(1) 4M x 64

(1) 4M x 64

None

80MB

(1) 8M x 64

(1) 2M x 64

None

80MB

(1) 4M x 64

(1) 4M x 64

(1) 2M x 64

96MB

(1) 8M x 64

(1) 2M x 64

(1) 2M x 64

96MB

(1) 8M x 64

(1) 4M x 64

None

96MB

(1) 4M x 64

(1) 4M x 64

(1) 4M x 64

112MB

(1) 8M x 64

(1) 4M x 64

(1) 2M x 64

128MB

(1) 16M x 64

None

None

128MB

(1) 8M x 64

(1) 4M x 64

(1) 4M x 64

128MB

(1) 8M x 64

(1) 8M x 64

None

144MB

(1) 16M x 64

(1) 2M x 64

None

144MB

(1) 8M x 64

(1) 8M x 64

(1) 2M x 64

160MB

(1) 16M x 64

(1) 2M x 64

(1) 2M x 64

160MB

(1) 16M x 64

(1) 4M x 64

None

160MB

(1) 8M x 64

(1) 8M x 64

(1) 4M x 64

176MB

(1) 16M x 64

(1) 4M x 64

(1) 2M x 64

192MB

(1) 16M x 64

(1) 4M x 64

(1) 4M x 64

192MB

(1) 16M x 64

(1) 8M x 64

None

192MB

(1) 8M x 64

(1) 8M x 64

(1) 8M x 64

208MB

(1) 16M x 64

(1) 8M x 64

(1) 2M x 64

224MB

(1) 16M x 64

(1) 8M x 64

(1) 4M x 64

256MB

(1) 16M x 64

(1) 8M x 64

(1) 8M x 64

384MB

(1) 16M x 64

(1) 16M x 64

(1) 16M x 64

Note: Board accepts SDRAM memory.

CACHE CONFIGURATION

Note: 256KB/512KB cache is located on the Pentium II CPU. 128KB cache is located on the Celeron 300A & 333 CPU.

CPU SPEED CONFIGURATION

Speed

JP9

»

Determined by CPU

Pins 2 & 3 closed

 

100MHz

Pins 1 & 2 closed