DATAEXPERT CORPORATION

AVX430, ARISTO 5000

Device Type

Mainboard

Processor

CX 6X86/AM K5/Pentium

Processor Speed

75/90/100/120/133/150/166/200MHz

Chip Set

Unidentified

Video Chip Set

S3

Audio Chip Set

Yamaha

Maximum Onboard Memory

128MB (EDO & SDRAM supported)

Maximum Video Memory

Unidentified

Cache

256/512KB

BIOS

Award

Dimensions

305mm x 244mm

I/O Options

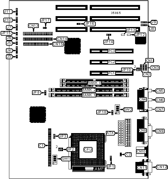
32-bit PCI slots (3), floppy drive interface, game/MIDI port, green PC connector, IDE interfaces (2), parallel port, PS/2 mouse port, serial ports (2), VGA port, cache slot, IR connector, USB connectors (2), ATX power connector, line in, line out, microphone in, audio connectors (3)

CONNECTIONS

Purpose

Location

Purpose

Location

ATX power connector

ATX

Floppy drive interface

CN15

Chassis fan power

C2

Soft off power supply

J3

Audio connector

CN1

IR connector

J4

Audio connector

CN2

Turbo LED

J5

Audio connector

CN3

Green PC connector

J6

Game/MIDI port

CN4

IDE interface LED

J7

Line out

CN5

USB connector 1

J8

Microphone in

CN6

USB connector 2

J9

Line in

CN7

Speaker

J10

Parallel port

CN8

Power LED & keylock

J11

VGA port

CN9

Mono in connector

JP10

PS/2 mouse port

CN10

Volume up

JP12

Serial port 2

CN11

Volume down

JP13

Serial port 1

CN12

Reset switch

JP15

IDE interface 2

CN13

32-bit PCI slots

PC1 – PC3

IDE interface 1

CN14

   

USER CONFIGURABLE SETTINGS

Function

Label

Position

»

Factory configured - do not alter

C1

Unidentified

»

Factory configured - do not alter

JP1

Unidentified

»

ATX power low active

JP8

Pins 1 & 2 closed

 

ATX power high active

JP8

Pins 2 & 3 closed

»

Flash BIOS voltage select 5v

JP14

Pins 2 & 3 closed

 

Flash BIOS voltage select 12v

JP14

Pins 1 & 2 closed

»

AT bus clock select PCICLK/4

JP16

Closed

 

AT bus clock select PCICLK/3

JP16

Open

»

CMOS memory normal operation

JP17

Open

 

CMOS memory clear

JP17

Closed

SIMM CONFIGURATION

Size

Bank 0

8MB

(2) 1M x 36

16MB

(2) 2M x 36

32MB

(2) 4M x 36

64MB

(2) 8M x 36

128MB

(2) 16M x 36

Note: Board accepts EDO memory.

DIMM CONFIGURATION

Size

Bank 0

Bank 1

8MB

(1) 1M x 64

None

16MB

(1) 2M x 64

None

16MB

(1) 1M x 64

(1) 1M x 64

24MB

(1) 2M x 64

(1) 1M x 64

32MB

(1) 4M x 64

None

32MB

(1) 2M x 64

(1) 2M x 64

40MB

(1) 4M x 64

(1) 1M x 64

48MB

(1) 4M x 64

(1) 2M x 64

64MB

(1) 8M x 64

None

64MB

(1) 4M x 64

(1) 4M x 64

72MB

(1) 8M x 64

(1) 1M x 64

80MB

(1) 8M x 64

(1) 2M x 64

96MB

(1) 8M x 64

(1) 4M x 64

128MB

(1) 8M x 64

(1) 8M x 64

Note: Board accepts SDRAM memory.

CACHE CONFIGURATION

Note: The location of the cache is unidentified.

VIDEO MEMORY CONFIGURATION

Note: The location of the video memory is unidentified.

CPU SPEED SELECTION (CX 6X86)

CPU speed

Clock speed

Multiplier

JP18

SW2/1

SW2/2

SW2/3

SW2/4

120MHz

50MHz

2x

2 & 3

On

Off

On

On

133MHz

55MHz

2x

1 & 2

On

Off

On

On

150MHz

60MHz

2x

2 & 3

On

Off

On

Off

166MHz

66MHz

2x

2 & 3

On

Off

Off

On

Note: Pins designated should be in the closed position.

CPU SPEED SELECTION (AM K5)

CPU speed

Clock speed

Multiplier

JP18

SW2/1

SW2/2

SW2/3

SW2/4

75MHz

50MHz

1.5x

2 & 3

Off

Off

On

On

90MHz

60MHz

1.5x

2 & 3

Off

Off

On

Off

100MHz

66MHz

1.5x

2 & 3

Off

Off

Off

On

120MHz

60MHz

1.5x

2 & 3

Off

Off

On

Off

133MHz

66MHz

1.5x

2 & 3

Off

Off

Off

On

166MHz

66MHz

2.5x

2 & 3

On

On

Off

On

Note: Pins designated should be in the closed position.

CPU SPEED SELECTION (INTEL)

CPU speed

Clock speed

Multiplier

JP18

SW2/1

SW2/2

SW2/3

SW2/4

75MHz

50MHz

1.5x

2 & 3

Off

Off

On

On

90MHz

60MHz

1.5x

2 & 3

Off

Off

On

Off

100MHz

66MHz

1.5x

2 & 3

Off

Off

Off

On

120MHz

60MHz

2x

2 & 3

On

Off

On

Off

133MHz

66MHz

2x

2 & 3

On

Off

Off

On

150MHz

60MHz

2.5x

2 & 3

On

On

On

Off

166MHz

66MHz

2.5x

2 & 3

On

On

Off

On

200MHz

66MHz

3x

2 & 3

Off

On

Off

On

CPU VOLTAGE SELECTION

Voltage

SW1/1

SW1/2

SW1/3

SW1/4

 

2.8v

Off

Off

Off

On

»

3.3v

Off

Off

On

On

 

3.45v – 3.6v

Off

On

On

On

CPU VOLTAGE SELECTION

Voltage

JP2

JP3

Single

Pins 3 & 4 closed

Open

Dual

Open

Pins 2 & 3 closed