FAIR FRIEND ENTERPRISE COMPANY, LTD.

386/486 4033XXTM

   

Processor

80386DX/80486SX/80486DX

Processor Speed

20/25/33MHz

Chip Set

OPTI

Max. Onboard DRAM

32MB

Cache

None

BIOS

AMI

Dimensions

220mm x 220mm

I/O Options

32-bit local bus card slot

NPU Options

80387/3167

   

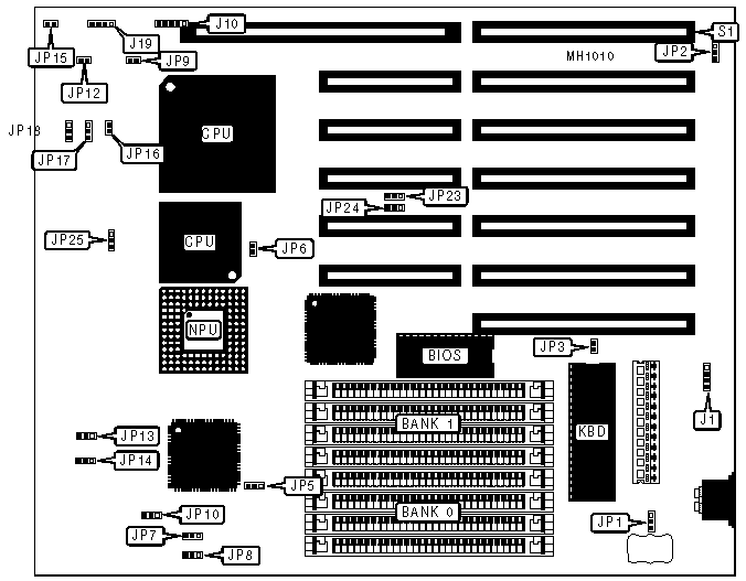
CONNECTIONS

Purpose

Location

Purpose

Location

External battery

J1

Turbo switch

JP12

Power LED & keylock

J10

Reset switch

JP15

Speaker

J19

32-bit local bus card

S1

Turbo LED

JP9

   

USER CONFIGURABLE SETTINGS

Function

Jumper

Position

»

CMOS memory normal operation

JP1

pins 1 & 2 closed

 

CMOS memory clear

JP1

pins 2 & 3 closed

»

Monitor type select color

JP3

Closed

 

Monitor type select monochrome

JP3

Open

»

CPU cache card absent

JP6

Closed

 

CPU cache card present

JP6

Open

»

Factory configured - do not alter

JP23

pins 2 & 3 closed

»

Factory configured - do not alter

JP24

pins 2 & 3 closed

DRAM CONFIGURATION

Size

Bank 0

Bank 1

1MB

(4) 256K x 9

NONE

2MB

(4) 256K x 9

(4) 256K x 9

4MB

(4) 1M x 9

NONE

5MB

(4) 256K x 9

(4) 1M x 9

8MB

(4) 1M x 9

(4) 1M x 9

16MB

(4) 4M x 9

NONE

32MB

(4) 4M x 9

(4) 4M x 9

CPU SPEED CONFIGURATION

Speed

JP7

JP8

JP10

16MHz

pins 2 & 3 closed

pins 2 & 3 closed

pins 2 & 3 closed

20MHz

pins 2 & 3 closed

pins 2 & 3 closed

pins 1 & 2 closed

25MHz

pins 1 & 2 closed

pins 2 & 3 closed

pins 1 & 2 closed

33MHz

pins 2 & 3 closed

pins 1 & 2 closed

pins 2 & 3 closed

CPU TYPE CONFIGURATION

Type

JP2

JP5

JP13

JP14

JP25

80386

1 & 2

1 & 2

1 & 2

1 & 2

1 & 2

80486

2 & 3

2 & 3

2 & 3

2 & 3

2 & 3

Note: Pins deesignated should be in the closed position.

CPU TYPE CONFIGURATION (80486 ONLY)

Type

JP16

JP17

JP18

80486SX

Open

pins 2 & 3 closed

Open

80487SX

Closed

pins 1 & 2 closed

pins 2 & 3 closed

80486DX

Closed

pins 1 & 2 closed

pins 1 & 2 closed