ELITEGROUP COMPUTER SYSTEMS, INC.
P6KFX-A
|
Processor |
Pentium II |
|
Processor Speed |
233/266MHz |
|
Chip Set |
Intel |
|
Video Chip Set |
None |
|
Maximum Onboard Memory |
384MB (EDO supported) |
|
Maximum Video Memory |
None |
|
Cache |
256/512KB (located on Pentium II CPU) |
|
BIOS |
Award |
|
Dimensions |
305mm x 244mm |
|
I/O Options |
32-bit PCI slots (5), floppy drive interface, green PC connector, IDE interfaces (2), parallel port, PS/2 mouse port, serial ports (2), IR connectors (2), USB connectors (2), ATX power connector |
|
NPU Options |
None |
|
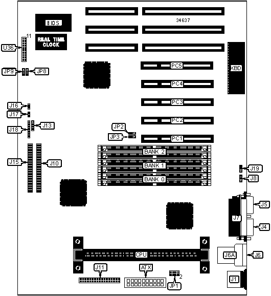
CONNECTIONS | |||
|
Purpose |
Location |
Purpose |
Location |
|
ATX power connector |
ATX |
IDE interface 1 |
J15 |
|
PS/2 mouse port |
J1 |
Soft off power supply |
J16 |
|
Serial port 1 |
J4 |
IDE interface LED |
J17 |
|
Serial port 2 |
J5 |
Fast IR connector |
J18 |
|
USB connector |
J6 |
CPU fan power |
J19 |
|
USB connector |
J6A |
32-bit PCI slots |
PC1 – PC5 |
|
Parallel port |
J7 |
Green PC LED |
U36/pins 2 & 3 |
|
Chassis fan power |
J8 |
Green PC connector |
U36/pins 4 & 5 |
|
IDE interface 2 |
J10 |
Reset switch |
U36/pins 9 & 10 |
|
Floppy drive interface |
J11 |
Power LED |
U36/pins 11 - 13 |
|
IR connector |
J13 |
Speaker |
U36/pins 17 - 20 |
|
USER CONFIGURABLE SETTINGS | |||
|
Function |
Label |
Position | |
|
» |
Password normal operation |
JP8 |
Pins 1 & 2 closed |
|
Password clear |
JP8 |
Pins 2 & 3 closed | |
|
» |
CMOS memory normal operation |
JP9 |
Pins 1 & 2 closed |
|
CMOS memory clear |
JP9 |
Pins 2 & 3 closed | |
|
SIMM CONFIGURATION | |||
|
Size |
Bank 0 |
Bank 1 |
Bank 2 |
|
8MB |
(2) 1M x 36 |
None |
None |
|
16MB |
(2) 1M x 36 |
(2) 1M x 36 |
None |
|
16MB |
(2) 2M x 36 |
None |
None |
|
24MB |
(2) 2M x 36 |
(2) 1M x 36 |
None |
|
24MB |
(2) 1M x 36 |
(2) 1M x 36 |
(2) 1M x 36 |
|
32MB |
(2) 4M x 36 |
None |
None |
|
32MB |
(2) 2M x 36 |
(2) 2M x 36 |
None |
|
40MB |
(2) 4M x 36 |
(2) 1M x 36 |
None |
|
48MB |
(2) 4M x 36 |
(2) 2M x 36 |
None |
|
48MB |
(2) 4M x 36 |
(2) 1M x 36 |
(2) 1M x 36 |
|
56MB |
(2) 4M x 36 |
(2) 2M x 36 |
(2) 1M x 36 |
|
64MB |
(2) 8M x 36 |
None |
None |
|
64MB |
(2) 4M x 36 |
(2) 4M x 36 |
None |
|
80MB |
(2) 8M x 36 |
(2) 2M x 36 |
None |
|
80MB |
(2) 8M x 36 |
(2) 1M x 36 |
(2) 1M x 36 |
|
88MB |
(2) 8M x 36 |
(2) 2M x 36 |
(2) 1M x 36 |
|
96MB |
(2) 8M x 36 |
(2) 4M x 36 |
None |
|
96MB |
(2) 4M x 36 |
(2) 4M x 36 |
(2) 4M x 36 |
|
96MB |
(2) 8M x 36 |
(2) 2M x 36 |
(2) 2M x 36 |
|
104MB |
(2) 8M x 36 |
(2) 4M x 36 |
(2) 1M x 36 |
|
SIMM CONFIGURATION | |||
|
Size |
Bank 0 |
Bank 1 |
Bank 2 |
|
112MB |
(2) 8M x 36 |
(2) 4M x 36 |
(2) 2M x 36 |
|
128MB |
(2) 8M x 36 |
(2) 4M x 36 |
(2) 4M x 36 |
|
128MB |
(2) 16M x 36 |
None |
None |
|
128MB |
(2) 8M x 36 |
(2) 8M x 36 |
None |
|
136MB |
(2) 8M x 36 |
(2) 8M x 36 |
(2) 1M x 36 |
|
136MB |
(2) 16M x 36 |
(2) 1M x 36 |
None |
|
144MB |
(2) 16M x 36 |
(2) 2M x 36 |
None |
|
144MB |
(2) 16M x 36 |
(2) 1M x 36 |
(2) 1M x 36 |
|
152MB |
(2) 16M x 36 |
(2) 2M x 36 |
(2) 1M x 36 |
|
160MB |
(2) 16M x 36 |
(2) 4M x 36 |
None |
|
160MB |
(2) 16M x 36 |
(2) 2M x 36 |
(2) 2M x 36 |
|
168MB |
(2) 16M x 36 |
(2) 4M x 36 |
(2) 1M x 36 |
|
176MB |
(2) 16M x 36 |
(2) 4M x 36 |
(2) 2M x 36 |
|
192MB |
(2) 16M x 36 |
(2) 8M x 36 |
None |
|
192MB |
(2) 16M x 36 |
(2) 4M x 36 |
(2) 4M x 36 |
|
200MB |
(2) 16M x 36 |
(2) 8M x 36 |
(2) 1M x 36 |
|
208MB |
(2) 16M x 36 |
(2) 8M x 36 |
(2) 2M x 36 |
|
224MB |
(2) 16M x 36 |
(2) 8M x 36 |
(2) 4M x 36 |
|
256MB |
(2) 16M x 36 |
(2) 16M x 36 |
None |
|
256MB |
(2) 16M x 36 |
(2) 8M x 36 |
(2) 8M x 36 |
|
264MB |
(2) 16M x 36 |
(2) 16M x 36 |
(2) 1M x 36 |
|
272MB |
(2) 16M x 36 |
(2) 16M x 36 |
(2) 2M x 36 |
|
288MB |
(2) 16M x 36 |
(2) 16M x 36 |
(2) 4M x 36 |
|
320MB |
(2) 16M x 36 |
(2) 16M x 36 |
(2) 8M x 36 |
|
384MB |
(2) 16M x 36 |
(2) 16M x 36 |
(2) 16M x 36 |
|
Note: Board accepts EDO memory. | |||
|
CACHE CONFIGURATION |
|
Note: 256KB/512KB cache is located on the Pentium II CPU. |
|
CPU SPEED SELECTION | |||||
|
CPU speed |
Clock speed |
Multiplier |
JP1 |
JP2 |
JP3 |
|
233MHz |
66MHz |
3.5x |
5 & 6, 7 & 8 |
1 & 2 |
2 & 3 |
|
266MHz |
66MHz |
4x |
1 & 2, 3 & 4, 7 & 8 |
1 & 2 |
2 & 3 |
|
Note: Pins designated should be in the closed position. | |||||