EPOX COMPUTER CO., LTD.

KP6-FX2

Device Type

Mainboard

Processor

Pentium II

Processor Speed

200/233/266/300MHz

Chip Set

Intel

Video Chip Set

None

Maximum Onboard Memory

1GB (EDO & SDRAM supported)

Maximum Video Memory

None

Cache

256/512KB (located on Pentium II CPU)

BIOS

Award

Dimensions

305mm x 244mm

I/O Options

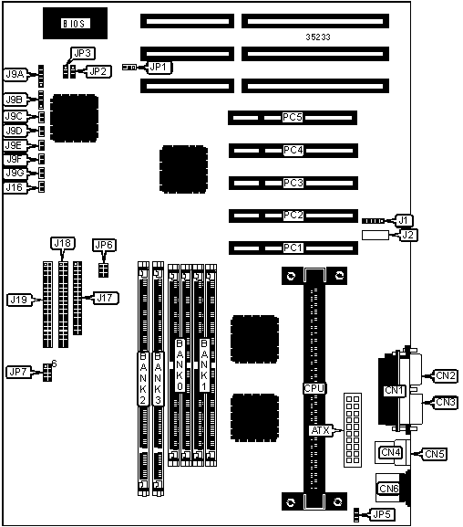
32-bit PCI slots (5), floppy drive interface, green PC connector, IDE interfaces (2), parallel port, PS/2 mouse port, serial ports (2), IR connector, USB connectors (3), ATX power connector

NPU Options

None

CONNECTIONS

Purpose

Location

Purpose

Location

ATX power connector

ATX

Reset switch

J9C

Parallel port

CN1

Turbo LED

J9D

Serial port 1

CN2

Green PC connector

J9E

Serial port 2

CN3

Green PC LED

J9F

USB connector 2

CN4

IDE interface LED

J9G

USB connector 1

CN5

Soft off power supply

J16

PS/2 mouse port

CN6

Floppy drive interface

J17

IR connector

J1

IDE interface 1

J18

USB connector

J2

IDE interface 2

J19

Power LED & keylock

J9A

CPU fan power

JP5

Speaker

J9B

32-bit PCI slots

PC1 – PC5

USER CONFIGURABLE SETTINGS

Function

Label

Position

»

CMOS memory normal operation

JP1

Pins 1 & 2 closed

 

CMOS memory clear

JP1

Pins 2 & 3 closed

SIMM CONFIGURATION

Size

Bank 0

Bank 1

8MB

(2) 1M x 36

None

16MB

(2) 2M x 36

None

16MB

(2) 1M x 36

(2) 1M x 36

24MB

(2) 2M x 36

(2) 1M x 36

32MB

(2) 4M x 36

None

32MB

(2) 2M x 36

(2) 2M x 36

40MB

(2) 4M x 36

(2) 1M x 36

48MB

(2) 4M x 36

(2) 2M x 36

64MB

(2) 8M x 36

None

64MB

(2) 4M x 36

(2) 4M x 36

72MB

(2) 8M x 36

(2) 1M x 36

80MB

(2) 8M x 36

(2) 2M x 36

96MB

(2) 8M x 36

(2) 4M x 36

128MB

(2) 8M x 36

(2) 8M x 36

128MB

(2) 16M x 36

None

SIMM CONFIGURATION (CON’T)

Size

Bank 0

Bank 1

136MB

(2) 16M x 36

(2) 1M x 36

144MB

(2) 16M x 36

(2) 2M x 36

160MB

(2) 16M x 36

(2) 4M x 36

192MB

(2) 16M x 36

(2) 8M x 36

256MB

(2) 16M x 36

(2) 16M x 36

256MB

(2) 32M x 36

None

512MB

(2) 32M x 36

(2) 32M x 36

Note: Board accepts EDO memory.

DIMM CONFIGURATION

Size

Bank 0

Bank 1

8MB

(1) 1M x 64

None

16MB

(1) 2M x 64

None

16MB

(1) 1M x 64

(1) 1M x 64

24MB

(1) 2M x 64

(1) 1M x 64

32MB

(1) 4M x 64

None

32MB

(1) 2M x 64

(1) 2M x 64

40MB

(1) 4M x 64

(1) 1M x 64

48MB

(1) 4M x 64

(1) 2M x 64

64MB

(1) 8M x 64

None

64MB

(1) 4M x 64

(1) 4M x 64

72MB

(1) 8M x 64

(1) 1M x 64

80MB

(1) 8M x 64

(1) 2M x 64

96MB

(1) 8M x 64

(1) 4M x 64

128MB

(1) 16M x 64

None

128MB

(1) 8M x 64

(1) 8M x 64

136MB

(1) 16M x 64

(1) 1M x 64

144MB

(1) 16M x 64

(1) 2M x 64

160MB

(1) 16M x 64

(1) 4M x 64

192MB

(1) 16M x 64

(1) 8M x 64

256MB

(1) 16M x 64

(1) 16M x 64

256MB

(1) 32M x 64

None

512MB

(1) 32M x 64

(1) 32M x 64

Note: Board accepts SDRAM memory.

DIMM VOLTAGE SELECTION

Voltage

JP6

»

3.3v

Pins 2 & 3, 5 & 6 closed

 

5v

Pins 1 & 2, 4 & 5 closed

CACHE CONFIGURATION

Note: 256KB/512KB cache is located on the Pentium II CPU.

CPU SPEED SELECTION

CPU speed

Clock speed

Multiplier

JP7

200MHz

66MHz

3x

Pins 1 & 6 closed

233MHz

66MHz

3.5x

Pins 2 & 7 closed

266MHz

66MHz

4x

Pins 3 & 8 closed

300MHz

66MHz

4.5x

Pins 3 & 8, 5 & 10 closed

FLASH BIOS SELECTION

Setting

JP2

JP3

»

5v

Pins 2 & 3 closed

Pins 2 & 3 closed

 

12v

Pins 1 & 2 closed

Pins 1 & 2 closed