GIGA-BYTE TECHNOLOGY CO., LTD.

GA-686EX2 (REV. 1.0)

Device Type

Mainboard

Processor

Pentium II

Processor Speed

200/233/266/300/333/366MHz

Chip Set

Intel 440EX

Video Chip Set

None

Maximum Onboard Memory

256MB (EDO & SDRAM supported)

Maximum Video Memory

None

Cache

256/512KB (located on Pentium II CPU)

BIOS

Award

Dimensions

243mm x 190mm

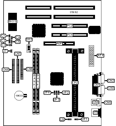
I/O Options

32-bit PCI slots (2), floppy drive interface, IDE interfaces (2), parallel port, PS/2 mouse port, serial ports (2), USB connectors (2), ATX power connector, AGP slot

CONNECTIONS

Purpose

Location

Purpose

Location

AGP slot

AGP

Serial port 1

CN2

ATX power connector

ATX

Serial port 2

CN3

Reset switch

C1

USB connector 1

CN4

Speaker

C2

USB connector 2

CN5

IDE interface LED

C3

Floppy drive interface

CN6

Soft off power supply

C4

IDE interface 2

CN7

Power LED

C5

IDE interface 1

CN8

CPU fan power

C6

PS/2 mouse port

J2

Parallel port

CN1

32-bit PCI slots

PC1 – PC2

USER CONFIGURABLE SETTINGS

Function

Label

Position

 

ATX power control select soft off

J7

Open

 

ATX power control select soft off/full on

J7

Closed

 

Keyboard power on enabled

JP1

Pins 1 & 2 closed

 

Keyboard power on disabled

JP1

Pins 2 & 3 closed

DIMM CONFIGURATION

Size

Bank 0

Bank 1

8MB

(1) 1M x 64

None

16MB

(1) 2M x 64

None

16MB

(1) 1M x 64

(1) 1M x 64

24MB

(1) 2M x 64

(1) 1M x 64

32MB

(1) 4M x 64

None

32MB

(1) 2M x 64

(1) 2M x 64

40MB

(1) 4M x 64

(1) 1M x 64

48MB

(1) 4M x 64

(1) 2M x 64

64MB

(1) 8M x 64

None

64MB

(1) 4M x 64

(1) 4M x 64

72MB

(1) 8M x 64

(1) 1M x 64

80MB

(1) 8M x 64

(1) 2M x 64

96MB

(1) 8M x 64

(1) 4M x 64

128MB

(1) 16M x 64

None

128MB

(1) 8M x 64

(1) 8M x 64

DIMM CONFIGURATION (CON’T)

Size

Bank 0

Bank 1

136MB

(1) 16M x 64

(1) 1M x 64

144MB

(1) 16M x 64

(1) 2M x 64

160MB

(1) 16M x 64

(1) 4M x 64

192MB

(1) 16M x 64

(1) 8M x 64

256MB

(1) 16M x 64

(1) 16M x 64

Note: Board accepts EDO & SDRAM memory.

CACHE CONFIGURATION

Note: 256KB/512KB cache is located on the Pentium II CPU.

CPU SPEED SELECTION

CPU speed

Clock speed

Multiplier

JP2

JP3

JP4

200MHz

66MHz

3x

1 & 2

1 & 2

1 & 2

233MHz

66MHz

3.5x

1 & 2

1 & 2

1 & 2

266MHz

66MHz

4x

1 & 2

1 & 2

1 & 2

300MHz

66MHz

4.5x

1 & 2

1 & 2

1 & 2

333MHz

66MHz

5x

1 & 2

1 & 2

1 & 2

366MHz

66MHz

5.5x

1 & 2

1 & 2

1 & 2

Note: Pins designated should be in the closed position.

CPU SPEED SELECTION (CON’T)

CPU speed

Clock speed

Multiplier

SW1/1

SW1/2

SW1/3

SW1/4

200MHz

66MHz

3x

On

Off

On

On

233MHz

66MHz

3.5x

Off

Off

On

On

266MHz

66MHz

4x

On

On

Off

On

300MHz

66MHz

4.5x

Off

On

Off

On

333MHz

66MHz

5x

On

Off

Off

On

366MHz

66MHz

5.5x

Off

Off

Off

On