GIGA-BYTE TECHNOLOGY CO., LTD.

GA-6LX7A (VER. 1.0)

Device Type

Mainboard

Processor

Celeron

Processor Speed

366/400/433MHz

Chip Set

Intel 440LX

Maximum Onboard Memory

768MB (EDO & SDRAM supported)

Cache

128KB (located on the Celeron CPU)

BIOS

Award

Dimensions

305mm x 190mm

I/O Options

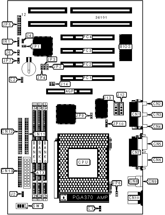
32-bit PCI slots (4), floppy drive interface, game/MIDI port, green PC connector, IDE interfaces (2), parallel port, PS/2 mouse port, serial ports (2), IR connector, USB connectors (2), ATX power connector, AGP slot, line in, line out, microphone in, audio in - CD-ROMs (2), SB-link connector, wake on LAN connector, wake on modem connector

CONNECTIONS

Purpose

Location

Purpose

Location

AGP slot

AGP

IR connector

IR1

ATX power connector

ATX

Power fan power

J2

CPU fan power

C1

Wake on modem connector

J4

Chassis fan power

C2

SB-link connector

J14

Game/MIDI port

CN1

Audio in - CD-ROM

J12

Microphone in

CN2

Audio in - CD-ROM

J13

Line in

CN3

Case open connector

JP1

Line out

CN4

Green PC LED

JP5/pins 1 & 12

Serial port 1

CN5

Reset switch

JP5/pins 3 & 4

Serial port 2

CN6

Speaker

JP5/pins 5 - 8

Parallel port

CN7

IDE interface LED

JP5/pins 9 & 20

USB connector 1

CN8

Green PC connector

JP5/pins 11 & 22

USB connector 2

CN9

Soft off power supply

JP5/pins 15 & 16

PS/2 mouse port

CN10

Power LED

JP5/pins 17 - 19

IDE interface 2

CN11

Wake on LAN connector

JP7

IDE interface 1

CN12

Modem connector

JP10

Floppy drive interface

CN13

32-bit PCI slots

PC1 - PC4

USER CONFIGURABLE SETTINGS

Function

Label

Position

»

CMOS memory normal operation

J5

Pins 2 & 3 closed

 

CMOS memory clear

J5

Pins 1 & 2 closed

»

Keyboard power on disabled

JP6

Pins 2 & 3 closed

 

Keyboard power on enabled

JP6

Pins 1 & 2 closed

»

On board sound enabled

JP9

Pins 1 & 2 closed

 

On board sound disabled

JP9

Pins 2 & 3 closed

DIMM CONFIGURATION

Size

Bank 0

Bank 1

Bank 2

8MB

(1) 1M x 64

None

None

16MB

(1) 2M x 64

None

None

16MB

(1) 1M x 64

(1) 1M x 64

None

24MB

(1) 2M x 64

(1) 1M x 64

None

24MB

(1) 1M x 64

(1) 1M x 64

(1) 1M x 64

32MB

(1) 4M x 64

None

None

32MB

(1) 2M x 64

(1) 1M x 64

(1) 1M x 64

32MB

(1) 2M x 64

(1) 2M x 64

None

40MB

(1) 4M x 64

(1) 1M x 64

None

40MB

(1) 2M x 64

(1) 2M x 64

(1) 1M x 64

48MB

(1) 4M x 64

(1) 1M x 64

(1) 1M x 64

48MB

(1) 4M x 64

(1) 2M x 64

None

48MB

(1) 2M x 64

(1) 2M x 64

(1) 2M x 64

DIMM CONFIGURATION (CON'T)

Size

Bank 0

Bank 1

Bank 2

56MB

(1) 4M x 64

(1) 2M x 64

(1) 1M x 64

64MB

(1) 8M x 64

None

None

64MB

(1) 4M x 64

(1) 2M x 64

(1) 2M x 64

64MB

(1) 4M x 64

(1) 4M x 64

None

72MB

(1) 8M x 64

(1) 1M x 64

None

72MB

(1) 4M x 64

(1) 4M x 64

(1) 1M x 64

80MB

(1) 8M x 64

(1) 1M x 64

(1) 1M x 64

80MB

(1) 8M x 64

(1) 2M x 64

None

80MB

(1) 4M x 64

(1) 4M x 64

(1) 2M x 64

88MB

(1) 8M x 64

(1) 2M x 64

(1) 1M x 64

96MB

(1) 8M x 64

(1) 2M x 64

(1) 2M x 64

96MB

(1) 8M x 64

(1) 4M x 64

None

128MB

(1) 16M x 64

None

None

128MB

(1) 8M x 64

(1) 4M x 64

(1) 4M x 64

128MB

(1) 8M x 64

(1) 8M x 64

None

144MB

(1) 16M x 64

(1) 2M x 64

None

144MB

(1) 8M x 64

(1) 8M x 64

(1) 2M x 64

152MB

(1) 16M x 64

(1) 2M x 64

(1) 1M x 64

160MB

(1) 16M x 64

(1) 2M x 64

(1) 2M x 64

160MB

(1) 16M x 64

(1) 4M x 64

None

192MB

(1) 16M x 64

(1) 4M x 64

(1) 4M x 64

192MB

(1) 16M x 64

(1) 8M x 64

None

224MB

(1) 16M x 64

(1) 8M x 64

(1) 4M x 64

256MB

(1) 32M x 64

None

None

256MB

(1) 16M x 64

(1) 8M x 64

(1) 8M x 64

264MB

(1) 32M x 64

(1) 1M x 64

None

272MB

(1) 32M x 64

(1) 1M x 64

(1) 1M x 64

272MB

(1) 32M x 64

(1) 2M x 64

None

288MB

(1) 32M x 64

(1) 2M x 64

(1) 2M x 64

288MB

(1) 32M x 64

(1) 4M x 64

None

320MB

(1) 32M x 64

(1) 4M x 64

(1) 4M x 64

320MB

(1) 32M x 64

(1) 8M x 64

None

384MB

(1) 32M x 64

(1) 8M x 64

(1) 8M x 64

384MB

(1) 32M x 64

(1) 16M x 64

None

384MB

(1) 16M x 64

(1) 16M x 64

(1) 16M x 64

512MB

(1) 32M x 64

(1) 16M x 64

(1) 16M x 64

512MB

(1) 32M x 64

(1) 32M x 64

None

768MB

(1) 32M x 64

(1) 32M x 64

(1) 32M x 64

Note: Board accepts EDO & SDRAM memory. Maximum SDRAM is 384MB. Maximum EDO is 768MB.

CACHE CONFIGURATION

Note: 128KB cache is located on the Celeron CPU.

CPU SPEED SELECTION

CPU speed

Clock speed

Multiplier

JP2

JP3

JP4

366MHz

66MHz

5.5x

2 & 3

2 & 3

2 & 3

400MHz

66MHz

6x

2 & 3

2 & 3

2 & 3

433MHz

66MHz

6.5x

2 & 3

2 & 3

2 & 3

Note: Pins designated should be in the closed position.

CPU SPEED SELECTION (CON'T)

CPU speed

Clock speed

Multiplier

SW1/1

SW1/2

SW1/3

SW1/4

366MHz

66MHz

5.5x

Off

Off

Off

On

400MHz

66MHz

6x

On

On

On

Off

433MHz

66MHz

6.5x

Off

On

On

Off