IBM CORPORATION
APTIVA 2144 TYPE H-1, APTIVA 2168 TYPE H-1
|
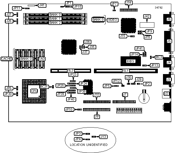
Device Type |
Mainboard |
|
Processor |
80486DX2/80486DX4/P24T/P24CT |
|
Processor Speed |
33(internal)/66(internal)/100(internal)MHz |
|
Chip Set |
Unidentified |
|
Video Chip Set |
Unidentified |
|
Maximum Onboard Memory |
96MB |
|
Maximum Video Memory |
1MB |
|
Cache |
128KB |
|
BIOS |
Unidentified |
|
Dimensions |
330mm x 218mm |
|
I/O Options |
32-bit VESA local bus slot, floppy drive interface, IDE interfaces (2), parallel port, PS/2 mouse port, serial ports (2), VGA feature connector, VGA port, riser slot, IR connector |
|
NPU Options |
None |
|
CONNECTIONS | |||
|
Purpose |
Location |
Purpose |
Location |
|
PS/2 mouse port |
J2 |
Power LED/IDE interface LED |
J26 |
|
Serial port 1 |
J3 |
Soft off power supply |
J29 |
|
Serial port 2 |
J4 |
Soft off power supply |
J30 |
|
Parallel port |
J5 |
IR connector |
J41 |
|
VGA port |
J6 |
Graphics connector |
J42 |
|
Floppy drive interface |
J7 |
Wake on modem connector |
JP5 |
|
IDE interface 1 |
J9 |
Riser slot |
SL1 |
|
IDE interface 2 |
J10 |
32-bit VESA local bus slot |
SL2 |
|
VGA feature connector |
J14 | ||
|
USER CONFIGURABLE SETTINGS | |||
|
Function |
Label |
Position | |
|
» |
Factory configured - do not alter |
BC3 |
Unidentified |
|
» |
Factory configured - do not alter |
BC21 |
Unidentified |
|
» |
Factory configured - do not alter (flash BIOS) |
J13 |
Pins 1 & 2 closed |
|
» |
On board video disabled |
J15 |
Pins 1 & 2 closed |
|
On board video enabled |
J15 |
Pins 2 & 3 closed | |
|
Speaker enabled |
J27 |
Pins 1 & 2 closed | |
|
Speaker disabled |
J27 |
Open | |
|
» |
Factory configured - do not alter (clock speed) |
J35 |
Unidentified |
|
» |
Factory configured - do not alter (clock speed) |
J36 |
Unidentified |
|
» |
Factory configured - do not alter (clock speed) |
J37 |
Unidentified |
|
» |
Factory configured - do not alter (floppy drive write protect) |
JP1 |
Unidentified |
|
» |
Smart Energy System enabled |
JP2 |
Pins 2 & 3 closed |
|
Smart Energy System disabled |
JP2 |
Pins 1 & 2 closed | |
|
» |
Factory configured - do not alter (voltage regulator) |
JP6 |
Unidentified |
|
» |
Factory configured - do not alter (VESA local bus) |
JP7 |
Unidentified |
|
» |
Factory configured - do not alter (DMA) |
JP8 |
Unidentified |
|
» |
Factory configured - do not alter (DMA) |
JP9 |
Unidentified |
|
Linear graphics select 128MB |
JP11 |
Pins 1 & 2 closed | |
|
Linear graphics select 2GB |
JP11 |
Pins 2 & 3 closed | |
|
» |
PS/2 mouse enabled |
JP12 |
Pins 1 & 2 closed |
|
PS/2 mouse disabled |
JP12 |
Pins 2 & 3 closed | |
|
» |
Factory configured - do not alter (VESA Local Bus speed) |
JP13 |
Unidentified |
|
USER CONFIGURABLE SETTINGS (CON’T) | |||
|
Function |
Label |
Position | |
|
» |
Password normal operation |
JP14 |
Pins 1 & 2 closed |
|
Password clear |
JP14 |
Pins 2 & 3 closed | |
|
VGA enabled |
JP15 |
Pins 1 & 2 closed | |
|
VGA disabled |
JP15 |
Pins 2 & 3 closed | |
|
» |
Factory configured - do not alter (voltage regulator) |
JP30 |
Unidentified |
|
» |
Factory configured - do not alter (parallel port IRQ ) |
JP41 |
Unidentified |
|
SIMM CONFIGURATION | |||
|
Size |
Bank 0 |
Bank 1 |
Bank 2 |
|
4MB |
(1) 1M x 36 |
None |
None |
|
8MB |
(1) 2M x 36 |
None |
None |
|
8MB |
(1) 1M x 36 |
(1) 1M x 36 |
None |
|
12MB |
(1) 2M x 36 |
(1) 1M x 36 |
None |
|
12MB |
(1) 1M x 36 |
(1) 1M x 36 |
(1) 1M x 36 |
|
16MB |
(1) 4M x 36 |
None |
None |
|
16MB |
(1) 2M x 36 |
(1) 1M x 36 |
(1) 1M x 36 |
|
16MB |
(1) 2M x 36 |
(1) 2M x 36 |
None |
|
20MB |
(1) 4M x 36 |
(1) 1M x 36 |
None |
|
24MB |
(1) 4M x 36 |
(1) 1M x 36 |
(1) 1M x 36 |
|
24MB |
(1) 4M x 36 |
(1) 2M x 36 |
None |
|
24MB |
(1) 2M x 36 |
(1) 2M x 36 |
(1) 2M x 36 |
|
32MB |
(1) 8M x 36 |
None |
None |
|
32MB |
(1) 4M x 36 |
(1) 2M x 36 |
(1) 2M x 36 |
|
32MB |
(1) 4M x 36 |
(1) 4M x 36 |
None |
|
36MB |
(1) 8M x 36 |
(1) 1M x 36 |
None |
|
36MB |
(1) 1M x 36 |
(1) 4M x 36 |
(1) 4M x 36 |
|
40MB |
(1) 8M x 36 |
(1) 1M x 36 |
(1) 1M x 36 |
|
40MB |
(1) 8M x 36 |
(1) 2M x 36 |
None |
|
48MB |
(1) 8M x 36 |
(1) 2M x 36 |
(1) 2M x 36 |
|
48MB |
(1) 8M x 36 |
(1) 4M x 36 |
None |
|
48MB |
(1) 4M x 36 |
(1) 4M x 36 |
(1) 4M x 36 |
|
64MB |
(1) 8M x 36 |
(1) 4M x 36 |
(1) 4M x 36 |
|
64MB |
(1) 8M x 36 |
(1) 8M x 36 |
None |
|
68MB |
(1) 1M x 36 |
(1) 8M x 36 |
(1) 8M x 36 |
|
72MB |
(1) 2M x 36 |
(1) 8M x 36 |
(1) 8M x 36 |
|
80MB |
(1) 4M x 36 |
(1) 8M x 36 |
(1) 8M x 36 |
|
96MB |
(1) 8M x 36 |
(1) 8M x 36 |
(1) 8M x 36 |
|
CACHE CONFIGURATION | ||
|
Size |
Bank 0 |
TAG |
|
128KB |
(4) 32K x 8 |
Unidentified |
|
VIDEO MEMORY CONFIGURATION |
|
Note: 1MB video memory is factory installed and is not configurable. |
|
CPU SPEED SELECTION | |
|
Speed |
JP10 |
|
33iMHz |
Pins 1 & 2 closed |
|
66iMHz |
Pins 2 & 3 closed |
|
100iMHz |
Open |
|
CPU TYPE SELECTION | ||||||
|
Type |
JP23 |
JP24 |
JP25 |
JP38 |
JP39 |
JP40 |
|
80486DX2 |
1 & 2, 3 & 4 |
2 & 3 |
Open |
1 & 2 |
Open |
Open |
|
80486DX4 |
1 & 2, 3 & 4 |
2 & 3 |
Open |
1 & 2 |
Open |
Open |
|
P24T |
1 & 2, 3 & 4 |
1 & 2, 4 & 5 |
1 & 2, 3 & 4 |
2 & 3 |
3 & 4, 5 & 6 |
1 & 2 |
|
P24CT |
1 & 2, 3 & 4 |
1 & 2, 4 & 5 |
1 & 2, 3 & 4 |
2 & 3 |
3 & 4, 5 & 6 |
1 & 2 |
|
Note: Pins designated should be in the closed position. | ||||||
|
LOCAL BUS/PCI SELECTION | ||
|
Setting |
JP3 |
JP4 |
|
VESA |
Pins 1 & 2 closed |
Pins 1 & 2 closed |
|
PCI |
Pins 2 & 3 closed |
Pins 2 & 3 closed |