IBM CORPORATION

APTIVA 2139 SL-A

Device Type

Mainboard

Processor

Pentium II

Processor Speed

350/400/450MHz

Chip Set

Unidentified

Video Chip Set

ATI

Maximum Onboard Memory

384MB (EDO & SDRAM supported)

Maximum Video Memory

4MB

Cache

512KB (located on Pentium II CPU)

BIOS

Unidentified

Dimensions

305mm x 244mm

I/O Options

32-bit PCI slots (3), floppy drive interface, game/MIDI port, IDE interfaces (2), parallel port, PS/2 mouse port, serial ports (2), VGA port, USB connectors (2), ATX power connector, line in, line out, microphone in, audio in – CD-ROM

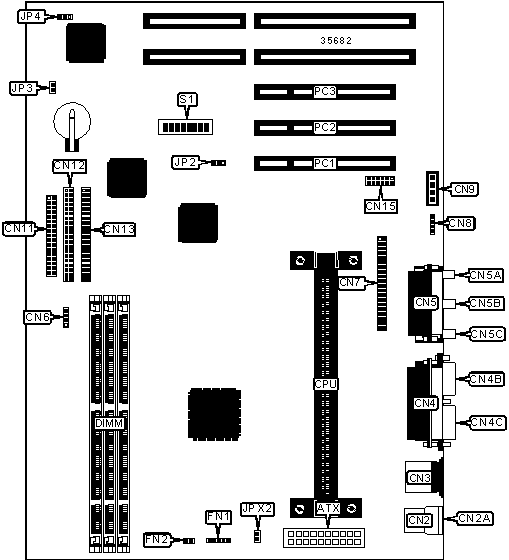
CONNECTIONS

Purpose

Location

Purpose

Location

ATX power connector

ATX

AMC connector

CN7

USB connector 1

CN2

Modem connector

CN8

USB connector 2

CN2A

Audio in – CD-ROM

CN9

PS/2 mouse port

CN3

Wake on modem connector

CN10

Parallel port

CN4

Floppy drive interface

CN11

Serial port 1

CN4B

IDE interface 1

CN12

VGA port

CN4C

IDE interface 2

CN13

Game/MIDI port

CN5

CS4610 connector

CN15

Microphone in

CN5A

CPU fan power

FN1

Line in

CN5B

CPU fan power

FN2

Line out

CN5C

Power LED & keylock

JP4

IDE interface LED

CN6

32-bit PCI slots

PC1 – PC3

Note: The location of CN10 is unidentified.

USER CONFIGURABLE SETTINGS

Function

Label

Position

 

Audio resource write protected

J1

Pins 1 & 2 closed

 

Audio resource programmable

J1

Pins 2 & 3 closed

 

VGA IRQ disabled

JP2

Pins 1 & 2 closed

 

VGA IRQ enabled

JP2

Pins 2 & 3 closed

»

Factory configured - do not alter

JP3

Unidentified

»

Factory configured - do not alter

JPX2

Unidentified

 

Password enabled

S1/2

Off

 

Password disabled

S1/2

On

»

Factory configured - do not alter

S1/3

Unidentified

»

Factory configured - do not alter

S1/4

Unidentified

Note: The location of J1 is unidentified.

DIMM CONFIGURATION

Size

Bank 0

Bank 1

Bank 2

16MB

(1) 2M x 64

None

None

32MB

(1) 4M x 64

None

None

32MB

(1) 2M x 64

(1) 2M x 64

None

48MB

(1) 4M x 64

(1) 2M x 64

None

DIMM CONFIGURATION (CON’T)

Size

Bank 0

Bank 1

Bank 2

48MB

(1) 2M x 64

(1) 2M x 64

(1) 2M x 64

64MB

(1) 8M x 64

None

None

64MB

(1) 4M x 64

(1) 2M x 64

(1) 2M x 64

64MB

(1) 4M x 64

(1) 4M x 64

None

80MB

(1) 8M x 64

(1) 2M x 64

None

80MB

(1) 4M x 64

(1) 4M x 64

(1) 2M x 64

96MB

(1) 8M x 64

(1) 2M x 64

(1) 2M x 64

96MB

(1) 8M x 64

(1) 4M x 64

None

96MB

(1) 4M x 64

(1) 4M x 64

(1) 4M x 64

112MB

(1) 8M x 64

(1) 4M x 64

(1) 2M x 64

128MB

(1) 16M x 64

None

None

128MB

(1) 8M x 64

(1) 4M x 64

(1) 4M x 64

128MB

(1) 8M x 64

(1) 8M x 64

None

144MB

(1) 16M x 64

(1) 2M x 64

None

144MB

(1) 8M x 64

(1) 8M x 64

(1) 2M x 64

160MB

(1) 16M x 64

(1) 2M x 64

(1) 2M x 64

160MB

(1) 16M x 64

(1) 4M x 64

None

160MB

(1) 8M x 64

(1) 8M x 64

(1) 4M x 64

176MB

(1) 16M x 64

(1) 4M x 64

(1) 2M x 64

192MB

(1) 16M x 64

(1) 4M x 64

(1) 4M x 64

192MB

(1) 16M x 64

(1) 8M x 64

None

192MB

(1) 8M x 64

(1) 8M x 64

(1) 8M x 64

208MB

(1) 16M x 64

(1) 8M x 64

(1) 2M x 64

224MB

(1) 16M x 64

(1) 8M x 64

(1) 4M x 64

256MB

(1) 16M x 64

(1) 8M x 64

(1) 8M x 64

384MB

(1) 16M x 64

(1) 16M x 64

(1) 16M x 64

Note: Board accepts SDRAM memory.

CACHE CONFIGURATION

Note: 512KB cache is located on the Pentium II CPU.

VIDEO MEMORY CONFIGURATION

Note: 4MB video memory is factory installed and is not configurable. The location is unidentified.

CPU SPEED SELECTION

CPU speed

Clock speed

Multiplier

S1/1

S1/5

SW1/6

S1/7

S1/8

350MHz

100MHz

3.5x

Off

On

On

Off

On

400MHz

100MHz

4x

Off

Off

On

On

On

450MHz

100MHz

4.5x

Off

Off

On

Off

On