MICRONICS COMPUTERS, INC.
TWISTER
|
Processor |
CX 6X86/AM K5/AM K6/Pentium |
|
Processor Speed |
75/90/100/120/133/150/166/180/200/233MHz |
|
Chip Set |
Intel |
|
Video Chip Set |
None |
|
Maximum Onboard Memory |
256MB (EDO supported) |
|
Maximum Video Memory |
None |
|
Cache |
256/512KB |
|
BIOS |
Award |
|
Dimensions |
305mm x 244mm |
|
I/O Options |
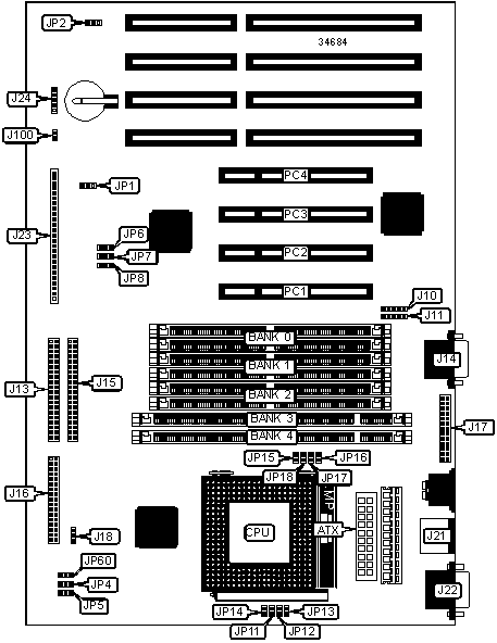
32-bit PCI slots (4), floppy drive interface, green PC connector, IDE interfaces (2), parallel port, PS/2 mouse port, serial ports (2), IR connector, USB connectors (2), ATX power connector |
|
NPU Options |
None |
|
CONNECTIONS | |||
|
Purpose |
Location |
Purpose |
Location |
|
ATX power connector |
ATX |
Soft off power supply |
J23/pins 1 & 2 |
|
USB connector 1 |
J10 |
Green PC connector |
J23/pins 3 & 4 |
|
USB connector 2 |
J11 |
IR connector |
J23/pins 6 - 11 |
|
IDE interface 2 |
J13 |
IDE interface LED |
J23/pins 13 - 16 |
|
Serial port 2 |
J14 |
Power LED |
J23/pins 18 - 20 |
|
IDE interface 1 |
J15 |
Reset switch |
J23/pins 22 & 23 |
|
Floppy drive interface |
J16 |
Speaker |
J23/pins 24 - 27 |
|
Parallel port |
J17 |
Power LED & keylock |
J24 |
|
CPU fan power |
J18 |
SCSI interface LED |
J100 |
|
PS/2 mouse port |
J21 |
32-bit PCI slots |
PC1 – PC4 |
|
Serial port 1 |
J22 | ||
|
USER CONFIGURABLE SETTINGS | |||
|
Function |
Label |
Position | |
|
» |
CMOS memory normal operation |
JP1 |
Pins 1 & 2 closed |
|
CMOS memory clear |
JP1 |
Pins 2 & 3 closed | |
|
» |
Flash BIOS normal operation |
JP2 |
Pins 2 & 3 closed |
|
Flash BIOS reserved |
JP2 |
Pins 1 & 2 closed | |
|
SIMM CONFIGURATION | |||
|
Size |
Bank 0 |
Bank 1 |
Bank 2 |
|
8MB |
(2) 1M x 36 |
None |
None |
|
16MB |
(2) 2M x 36 |
None |
None |
|
16MB |
(2) 1M x 36 |
(2) 1M x 36 |
None |
|
24MB |
(2) 1M x 36 |
(2) 2M x 36 |
None |
|
24MB |
(2) 1M x 36 |
(2) 1M x 36 |
(2) 1M x 36 |
|
32MB |
(2) 4M x 36 |
None |
None |
|
32MB |
(2) 2M x 36 |
(2) 2M x 36 |
None |
|
32MB |
(2) 1M x 36 |
(2) 1M x 36 |
(2) 2M x 36 |
|
40MB |
(2) 1M x 36 |
(2) 4M x 36 |
None |
|
48MB |
(2) 2M x 36 |
(2) 4M x 36 |
None |
|
48MB |
(2) 1M x 36 |
(2) 1M x 36 |
(2) 4M x 36 |
|
48MB |
(2) 2M x 36 |
(2) 2M x 36 |
(2) 2M x 36 |
|
64MB |
(2) 8M x 36 |
None |
None |
|
64MB |
(2) 4M x 36 |
(2) 4M x 36 |
None |
|
64MB |
(2) 2M x 36 |
(2) 2M x 36 |
(2) 4M x 36 |
|
72MB |
(2) 1M x 36 |
(2) 8M x 36 |
None |
|
80MB |
(2) 2M x 36 |
(2) 8M x 36 |
None |
|
80MB |
(2) 1M x 36 |
(2) 1M x 36 |
(2) 8M x 36 |
|
96MB |
(2) 4M x 36 |
(2) 8M x 36 |
None |
|
96MB |
(2) 2M x 36 |
(2) 2M x 36 |
(2) 8M x 36 |
|
SIMM CONFIGURATION (CON’T) | |||
|
Size |
Bank 0 |
Bank 1 |
Bank 2 |
|
96MB |
(2) 4M x 36 |
(2) 4M x 36 |
(2) 4M x 36 |
|
128MB |
(2) 16M x 36 |
None |
None |
|
128MB |
(2) 8M x 36 |
(2) 8M x 36 |
None |
|
128MB |
(2) 4M x 36 |
(2) 4M x 36 |
(2) 8M x 36 |
|
136MB |
(2) 1M x 36 |
(2) 16M x 36 |
None |
|
144MB |
(2) 2M x 36 |
(2) 16M x 36 |
None |
|
144MB |
(2) 1M x 36 |
(2) 1M x 36 |
(2) 16M x 36 |
|
160MB |
(2) 4M x 36 |
(2) 16M x 36 |
None |
|
160MB |
(2) 2M x 36 |
(2) 2M x 36 |
(2) 16M x 36 |
|
192MB |
(2) 8M x 36 |
(2) 16M x 36 |
None |
|
192MB |
(2) 4M x 36 |
(2) 4M x 36 |
(2) 16M x 36 |
|
192MB |
(2) 8M x 36 |
(2) 8M x 36 |
(2) 8M x 36 |
|
256MB |
(2) 32M x 36 |
None |
None |
|
256MB |
(2) 16M x 36 |
(2) 16M x 36 |
None |
|
256MB |
(2) 8M x 36 |
(2) 8M x 36 |
(2) 16M x 36 |
|
Note: Board accepts EDO memory. | |||
|
DIMM CONFIGURATION | ||
|
Size |
Bank 3 |
Bank 4 |
|
8MB |
(1) 1M x 64 |
None |
|
16MB |
(1) 2M x 64 |
None |
|
16MB |
(1) 1M x 64 |
(1) 1M x 64 |
|
24MB |
(1) 2M x 64 |
(1) 1M x 64 |
|
32MB |
(1) 4M x 64 |
None |
|
32MB |
(1) 2M x 64 |
(1) 2M x 64 |
|
40MB |
(1) 4M x 64 |
(1) 1M x 64 |
|
48MB |
(1) 4M x 64 |
(1) 2M x 64 |
|
64MB |
(1) 8M x 64 |
None |
|
64MB |
(1) 4M x 64 |
(1) 4M x 64 |
|
72MB |
(1) 8M x 64 |
(1) 1M x 64 |
|
80MB |
(1) 8M x 64 |
(1) 2M x 64 |
|
96MB |
(1) 8M x 64 |
(1) 4M x 64 |
|
128MB |
(1) 8M x 64 |
(1) 8M x 64 |
|
256MB |
(1) 16M x 64 |
(1) 16M x 64 |
|
DIMM/SIMM CONFIGURATION | |||||
|
Size |
Bank 0 |
Bank 1 |
Bank 2 |
Bank 3 |
Bank 4 |
|
16MB |
(2) 1M x 36 |
None |
None |
(1) 1M x 64 |
None |
|
24MB |
(2) 1M x 36 |
None |
None |
(1) 2M x 64 |
None |
|
24MB |
(2) 1M x 36 |
None |
None |
(1) 1M x 64 |
(1) 1M x 64 |
|
24MB |
(2) 1M x 36 |
(2) 1M x 36 |
None |
None |
(1) 1M x 64 |
|
32MB |
(2) 1M x 36 |
None |
None |
(1) 1M x 64 |
(1) 2M x 64 |
|
32MB |
(2) 2M x 36 |
None |
None |
(1) 2M x 64 |
None |
|
32MB |
(2) 2M x 36 |
None |
None |
(1) 1M x 64 |
(1) 1M x 64 |
|
32MB |
(2) 1M x 36 |
(2) 1M x 36 |
None |
None |
(1) 2M x 64 |
|
40MB |
(2) 1M x 36 |
None |
None |
(1) 4M x 64 |
None |
|
40MB |
(2) 1M x 36 |
None |
None |
(1) 2M x 64 |
(1) 2M x 64 |
|
40MB |
(2) 2M x 36 |
None |
None |
(1) 1M x 64 |
(1) 2M x 64 |
|
40MB |
(2) 2M x 36 |
(2) 2M x 36 |
None |
None |
(1) 1M x 64 |
|
48MB |
(2) 1M x 36 |
None |
None |
(1) 1M x 64 |
(1) 4M x 64 |
|
48MB |
(2) 2M x 36 |
None |
None |
(1) 4M x 64 |
None |
|
48MB |
(2) 2M x 36 |
None |
None |
(1) 2M x 64 |
(1) 2M x 64 |
|
48MB |
(2) 4M x 36 |
None |
None |
(1) 1M x 64 |
(1) 1M x 64 |
|
48MB |
(2) 1M x 36 |
(2) 1M x 36 |
None |
None |
(1) 4M x 64 |
|
48MB |
(2) 2M x 36 |
(2) 2M x 36 |
None |
None |
(1) 2M x 64 |
|
56MB |
(2) 1M x 36 |
None |
None |
(1) 2M x 64 |
(1) 4M x 64 |
|
56MB |
(2) 2M x 36 |
None |
None |
(1) 1M x 64 |
(1) 4M x 64 |
|
56MB |
(2) 4M x 36 |
None |
None |
(1) 1M x 64 |
(1) 2M x 64 |
|
64MB |
(2) 2M x 36 |
None |
None |
(1) 2M x 64 |
(1) 4M x 64 |
|
64MB |
(2) 4M x 36 |
None |
None |
(1) 4M x 64 |
None |
|
64MB |
(2) 4M x 36 |
None |
None |
(1) 2M x 64 |
(1) 2M x 64 |
|
64MB |
(2) 2M x 36 |
(2) 2M x 36 |
None |
None |
(1) 4M x 64 |
|
72MB |
(2) 1M x 36 |
None |
None |
(1) 8M x 64 |
None |
|
72MB |
(2) 1M x 36 |
None |
None |
(1) 4M x 64 |
(1) 4M x 64 |
|
72MB |
(2) 4M x 36 |
None |
None |
(1) 1M x 64 |
(1) 4M x 64 |
|
72MB |
(2) 4M x 36 |
(2) 4M x 36 |
None |
None |
(1) 1M x 64 |
|
80MB |
(2) 1M x 36 |
None |
None |
(1) 1M x 64 |
(1) 8M x 64 |
|
80MB |
(2) 2M x 36 |
None |
None |
(1) 8M x 64 |
None |
|
80MB |
(2) 2M x 36 |
None |
None |
(1) 4M x 64 |
(1) 4M x 64 |
|
80MB |
(2) 4M x 36 |
None |
None |
(1) 2M x 64 |
(1) 4M x 64 |
|
80MB |
(2) 8M x 36 |
None |
None |
(1) 1M x 64 |
(1) 1M x 64 |
|
80MB |
(2) 4M x 36 |
(2) 4M x 36 |
None |
None |
(1) 2M x 64 |
|
88MB |
(2) 1M x 36 |
None |
None |
(1) 2M x 64 |
(1) 8M x 64 |
|
88MB |
(2) 2M x 36 |
None |
None |
(1) 1M x 64 |
(1) 8M x 64 |
|
88MB |
(2) 8M x 36 |
None |
None |
(1) 1M x 64 |
(1) 2M x 64 |
|
96MB |
(2) 4M x 36 |
None |
None |
(1) 8M x 64 |
None |
|
96MB |
(2) 4M x 36 |
None |
None |
(1) 4M x 64 |
(1) 4M x 64 |
|
96MB |
(2) 8M x 36 |
None |
None |
(1) 2M x 64 |
(1) 2M x 64 |
|
96MB |
(2) 4M x 36 |
(2) 4M x 36 |
None |
None |
(1) 4M x 64 |
|
DIMM/SIMM CONFIGURATION (CON’T) | |||||
|
Size |
Bank 0 |
Bank 1 |
Bank 2 |
Bank 3 |
Bank 4 |
|
104MB |
(2) 1M x 36 |
None |
None |
(1) 4M x 64 |
(1) 8M x 64 |
|
104MB |
(2) 4M x 36 |
None |
None |
(1) 1M x 64 |
(1) 8M x 64 |
|
104MB |
(2) 8M x 36 |
None |
None |
(1) 1M x 64 |
(1) 4M x 64 |
|
112MB |
(2) 2M x 36 |
None |
None |
(1) 4M x 64 |
(1) 8M x 64 |
|
112MB |
(2) 4M x 36 |
None |
None |
(1) 2M x 64 |
(1) 8M x 64 |
|
112MB |
(2) 8M x 36 |
None |
None |
(1) 2M x 64 |
(1) 4M x 64 |
|
128MB |
(2) 4M x 36 |
None |
None |
(1) 4M x 64 |
(1) 8M x 64 |
|
128MB |
(2) 8M x 36 |
None |
None |
(1) 8M x 64 |
None |
|
128MB |
(2) 8M x 36 |
None |
None |
(1) 4M x 64 |
(1) 4M x 64 |
|
136MB |
(2) 1M x 36 |
None |
None |
(1) 8M x 64 |
(1) 8M x 64 |
|
136MB |
(2) 8M x 36 |
None |
None |
(1) 1M x 64 |
(1) 8M x 64 |
|
136MB |
(2) 16M x 36 |
None |
None |
(1) 1M x 64 |
None |
|
136MB |
(2) 8M x 36 |
(2) 8M x 36 |
None |
None |
(1) 1M x 64 |
|
144MB |
(2) 2M x 36 |
None |
None |
(1) 8M x 64 |
(1) 8M x 64 |
|
144MB |
(2) 8M x 36 |
None |
None |
(1) 2M x 64 |
(1) 8M x 64 |
|
144MB |
(2) 16M x 36 |
None |
None |
(1) 2M x 64 |
None |
|
144MB |
(2) 16M x 36 |
None |
None |
(1) 1M x 64 |
(1) 1M x 64 |
|
144MB |
(2) 1M x 36 |
(2) 1M x 36 |
None |
None |
(1) 16M x 64 |
|
144MB |
(2) 8M x 36 |
(2) 8M x 36 |
None |
None |
(1) 2M x 64 |
|
160MB |
(2) 4M x 36 |
None |
None |
(1) 8M x 64 |
(1) 8M x 64 |
|
160MB |
(2) 8M x 36 |
None |
None |
(1) 4M x 64 |
(1) 8M x 64 |
|
160MB |
(2) 16M x 36 |
None |
None |
(1) 4M x 64 |
None |
|
160MB |
(2) 16M x 36 |
None |
None |
(1) 2M x 64 |
(1) 2M x 64 |
|
160MB |
(2) 2M x 36 |
(2) 2M x 36 |
None |
None |
(1) 16M x 64 |
|
160MB |
(2) 8M x 36 |
(2) 8M x 36 |
None |
None |
(1) 4M x 64 |
|
168MB |
(2) 16M x 36 |
None |
None |
(1) 1M x 64 |
(1) 4M x 64 |
|
176MB |
(2) 16M x 36 |
None |
None |
(1) 2M x 64 |
(1) 4M x 64 |
|
192MB |
(2) 8M x 36 |
None |
None |
(1) 8M x 64 |
(1) 8M x 64 |
|
192MB |
(2) 16M x 36 |
None |
None |
(1) 8M x 64 |
None |
|
192MB |
(2) 16M x 36 |
None |
None |
(1) 4M x 64 |
(1) 4M x 64 |
|
192MB |
(2) 4M x 36 |
(2) 4M x 36 |
None |
None |
(1) 16M x 64 |
|
200MB |
(2) 16M x 36 |
None |
None |
(1) 1M x 64 |
(1) 8M x 64 |
|
208MB |
(2) 16M x 36 |
None |
None |
(1) 2M x 64 |
(1) 8M x 64 |
|
256MB |
(2) 16M x 36 |
None |
None |
(1) 8M x 64 |
(1) 8M x 64 |
|
256MB |
(2) 8M x 36 |
(2) 8M x 36 |
None |
None |
(1) 16M x 64 |
|
CACHE CONFIGURATION | |
|
Size |
Bank 0 |
|
256KB |
(2) 32K x 32 |
|
512KB |
(2) 64K x 32 |
|
Note: The location of bank 0 is unidentified. | |
|
CPU SPEED SELECTION (CYRIX) | ||||||||
|
CPU speed |
Clock speed |
Multiplier |
JP4 |
JP5 |
JP6 |
JP7 |
JP8 |
JP60 |
|
150MHz |
60MHz |
2x |
1 & 2 |
2 & 3 |
2 & 3 |
2 & 3 |
1 & 2 |
Open |
|
166MHz |
66MHz |
2x |
1 & 2 |
2 & 3 |
2 & 3 |
1 & 2 |
2 & 3 |
Open |
|
Note: Pins designated should be in the closed position. | ||||||||
|
CPU SPEED SELECTION (AM K5) | ||||||||
|
CPU speed |
Clock speed |
Multiplier |
JP4 |
JP5 |
JP6 |
JP7 |
JP8 |
JP60 |
|
75MHz |
50MHz |
1.5x |
1 & 2 |
1 & 2 |
2 & 3 |
2 & 3 |
2 & 3 |
Open |
|
90MHz |
60MHz |
1.5x |
1 & 2 |
1 & 2 |
2 & 3 |
2 & 3 |
1 & 2 |
Open |
|
100MHz |
66MHz |
1.5x |
1 & 2 |
1 & 2 |
2 & 3 |
1 & 2 |
2 & 3 |
Open |
|
120MHz |
60MHz |
1.5x |
1 & 2 |
1 & 2 |
2 & 3 |
2 & 3 |
1 & 2 |
Open |
|
133MHz |
66MHz |
2x |
1 & 2 |
2 & 3 |
2 & 3 |
1 & 2 |
2 & 3 |
Open |
|
166MHz |
66MHz |
2.5x |
2 & 3 |
2 & 3 |
2 & 3 |
1 & 2 |
2 & 3 |
Open |
|
Note: Pins designated should be in the closed position. | ||||||||
|
CPU SPEED SELECTION (AM K6) | ||||||||
|
CPU speed |
Clock speed |
Multiplier |
JP4 |
JP5 |
JP6 |
JP7 |
JP8 |
JP60 |
|
166MHz |
66MHz |
2.5x |
2 & 3 |
2 & 3 |
2 & 3 |
1 & 2 |
2 & 3 |
Open |
|
200MHz |
66MHz |
3x |
2 & 3 |
1 & 2 |
2 & 3 |
1 & 2 |
2 & 3 |
Open |
|
233MHz |
66MHz |
3.5x |
1 & 2 |
1 & 2 |
2 & 3 |
1 & 2 |
2 & 3 |
1 & 2 |
|
Note: Pins designated should be in the closed position. | ||||||||
|
CPU SPEED SELECTION (INTEL) | ||||||||
|
CPU speed |
Clock speed |
Multiplier |
JP4 |
JP5 |
JP6 |
JP7 |
JP8 |
JP60 |
|
75MHz |
50MHz |
1.5x |
1 & 2 |
1 & 2 |
2 & 3 |
2 & 3 |
2 & 3 |
Open |
|
90MHz |
60MHz |
1.5x |
1 & 2 |
1 & 2 |
2 & 3 |
2 & 3 |
1 & 2 |
Open |
|
100MHz |
66MHz |
1.5x |
1 & 2 |
1 & 2 |
2 & 3 |
1 & 2 |
2 & 3 |
Open |
|
120MHz |
60MHz |
2x |
1 & 2 |
2 & 3 |
2 & 3 |
2 & 3 |
1 & 2 |
Open |
|
133MHz |
66MHz |
2x |
1 & 2 |
2 & 3 |
2 & 3 |
1 & 2 |
2 & 3 |
Open |
|
150MHz |
60MHz |
2.5x |
2 & 3 |
2 & 3 |
2 & 3 |
2 & 3 |
1 & 2 |
Open |
|
166MHz |
66MHz |
2.5x |
2 & 3 |
2 & 3 |
2 & 3 |
1 & 2 |
2 & 3 |
Open |
|
180MHz |
60MHz |
3x |
2 & 3 |
1 & 2 |
2 & 3 |
2 & 3 |
1 & 2 |
Open |
|
200MHz |
66MHz |
3x |
2 & 3 |
1 & 2 |
2 & 3 |
1 & 2 |
2 & 3 |
Open |
|
233MHz |
66MHz |
3.5x |
1 & 2 |
1 & 2 |
2 & 3 |
1 & 2 |
2 & 3 |
Open |
|
Note: Pins designated should be in the closed position. | ||||||||
|
CPU TYPE SELECTION | ||||||||
|
Type |
JP11 |
JP12 |
JP13 |
JP14 |
JP15 |
JP16 |
JP17 |
JP18 |
|
CX 6X86 |
Open |
Closed |
Open |
Open |
Open |
Open |
Closed |
Open |
|
CX 6X86L |
Open |
Open |
Open |
Closed |
Open |
Open |
Closed |
Open |
|
P54C/CS/CTB |
Open |
Closed |
Open |
Open |
Open |
Open |
Closed |
Open |
|
AM K5 |
Open |
Open |
Closed |
Open |
Open |
Open |
Closed |
Open |
|
AM K6-166/200 |
Open |
Open |
Open |
Closed |
Open |
Open |
Closed |
Open |
|
AM K6-233 |
Closed |
Open |
Open |
Open |
Open |
Open |
Closed |
Open |
|
P55C |
Open |
Open |
Open |
Closed |
Open |
Open |
Closed |
Open |