PHILIPS CONSUMER ELECTRONICS, CO.

P2230 CE

Processor

80286

Processor Speed

8/12MHz

Chip Set

Unidentified

Max. Onboard DRAM

4MB

Cache

None

BIOS

Unidentified

Dimensions

254mm x 218mm

I/O Options

None

NPU Options

80287

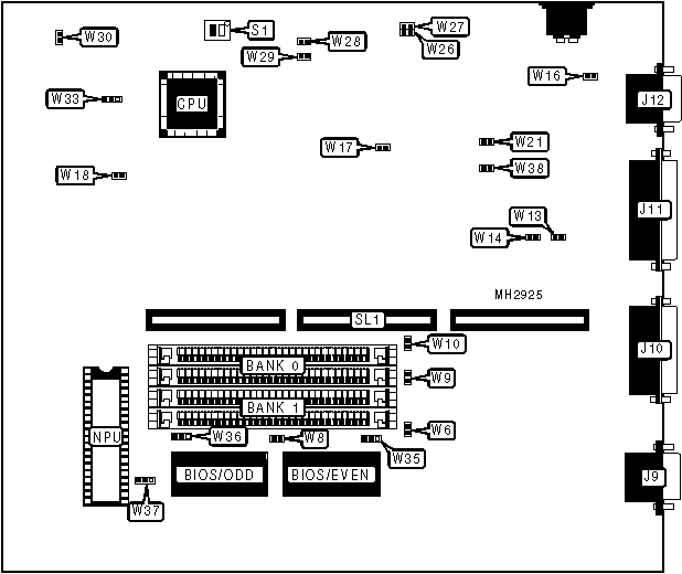
CONNECTIONS

Purpose

Location

Purpose

Location

Serial port 1

J9

VGA port

J12

Serial port 2

J10

Riser Card

SL1

Parallel port

J11

   

USER CONFIGURABLE SETTINGS

Function

Jumper

Position

»

SIMM size select 256K x 9

W6

Open

 

SIMM size select 1M x 9

W6

Closed

»

BIOS type select 27256

W8

Closed

 

BIOS type select 27128

W8

Open

»

RAM split select 384K above 1MB for EMS or extended

W9

Open

 

RAM split select 384K below 1MB for EMS or extended

W9

Closed

»

Burn in mode not active

W26

Open

 

Burn in mode active

W26

Closed

»

Manufacturing mode not active

W27

Open

 

Manufacturing mode active

W27

Closed

»

Floppy drive interface enabled

W28

Open

 

Floppy drive interface disabled

W28

Closed

»

Video type select normal

W29

Open

 

Video type select slow

W29

Closed

»

Speaker volume select low

W30

Closed

 

Speaker volume select high

W30

Open

»

I/O bus speed select 8MHz

W33

Open

 

I/O bus speed select 12MHz

W33

pins 2 & 3 closed

»

Factory configured - do not alter

W38

Closed

DRAM CONFIGURATION

Size

Bank 0

Bank 1

512KB

(2) 256K x 9

NONE

640KB

(2) 256K x 9

(2) 64K x 9

1MB

(2) 256K x 9

(2) 256K x 9

2MB

(2) 1M x 9

NONE

4MB

(2) 1M x 9

(2) 1M x 9

DRAM SPEED CONFIGURATION

Size

W13

W14

100ns

Open

Closed

120ns

Closed

Open

DRAM JUMPER CONFIGURATION

Banks used

W16

W17

W18

1

Open

Open

Open

2

Open

Closed

Open

DRAM STROBE ADDRESS CONFIGURATION

Setting

W37

SIMM U16 = Bank 1 column address strobe

pins 1 & 2 closed

SIMM U16 = Bank 2 column address strobe

pins 2 & 3 closed

SIMM U16 = address strobe not connected

Open

Note: On the diagram, U16 & U17 are shown as Bank 1.

DRAM STROBE ADDRESS CONFIGURATION

Setting

W36

SIMM U17 = Bank 1 column address strobe

pins 1 & 2 closed

SIMM U17 = Bank 2 column address strobe

pins 2 & 3 closed

SIMM U17 = address strobe not connected

Open

Note: On the diagram, U16 & U17 are shown as Bank 1.

DRAM STROBE ADDRESS CONFIGURATION

Setting

W35

SIMM U16 & U17 = Bank 1 column address strobe

pins 1 & 2 closed

SIMM U16 & U17 = Bank 2 column address strobe

pins 2 & 3 closed

SIMM U16 & U17 = address strobe not connected

Open

Note: On the diagram, U16 & U17 are shown as Bank 1.

ON BOARD VIDEO CONFIGURATION

Setting

W10

W21

Enabled

Closed

Closed

Disabled

Open

Open

VIDEO CONFIGURATION

Setting

S1/1

S1/2

Monochrome

On

Off

Color

Off

On