PHILIPS CONSUMER ELECTRONICS, CO.

E853

Device Type

Mainboard

Processor

AM K5/AM K6/Pentium/Pentium MMX/P24T

Processor Speed

75/90/100/120/133/150/166/200/233MHz

Chip Set

Intel

Maximum Onboard Memory

256MB (EDO supported, DIMMs support EDO & SDRAM)

Cache

512KB

BIOS

Award

Dimensions

250mm x 220mm

I/O Options

32-bit PCI slots (4), floppy drive interface, green PC connector, IDE interfaces (2), parallel port, PS/2 mouse interface, serial ports (2), cache slot, IR connector, USB connectors (2)

NPU Options

None

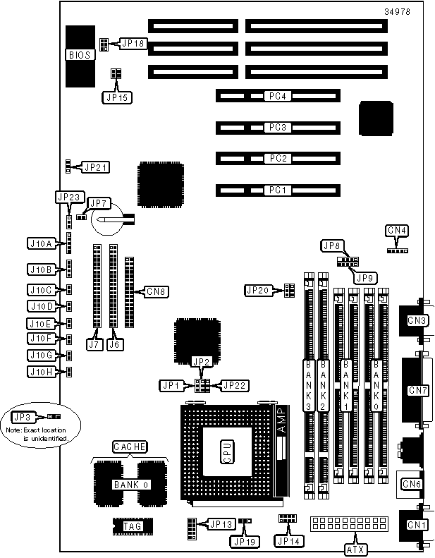
CONNECTIONS

Purpose

Location

Purpose

Location

Serial port 1

CN1

Green PC connector

J10D

Serial port 2

CN3

Power switch

J10E

PS/2 mouse interface

CN6

Green PC LED

J10F

Parallel port

CN7

IDE interface LED

J10G

Floppy drive interface

CN8

ATX LED

J10H

IDE interface 2

J6

32-bit PCI slots

PC1 - PC4

IDE interface 1

J7

IR connector

CN4

Keylock

J10A

USB connector 1

JP8

Speaker

J10B

USB connector 2

JP9

Reset switch

J10C

 

 

USER CONFIGURABLE SETTINGS

Function

Label

Position

»

Monitor type select color

JP3

Pins 1 & 2 closed

 

Monitor type select monochrome

JP3

Pins 2 & 3 closed

»

CMOS memory normal operation

JP7

Closed

 

CMOS memory clear

JP7

Open

»

Factory configured - do not alter

JP14

Pins 5 & 6, 7 & 8 closed

»

Factory configured - do not alter

JP18

Pins 1 & 3, 4 & 6 closed

»

Factory configured - do not alter

JP22

Open

»

Factory configured - do not alter

JP23

Open

Note: Exact location of JP3 is unidentified.

MODEM RING ON SETTINGS

Function

Label

Position

»

Disabled

JP21

Open

 

COM 1 enabled

JP21

Pins 1 & 2 closed

 

COM 2 enabled

JP21

Pins 2 & 3 closed

DRAM CONFIGURATION

Size

Bank 0

Bank 1

8MB

(2) 1MB x 36

None

16MB

(2) 2MB x 36

None

16MB

(2) 1MB x 36

(2) 1MB x 36

24MB

(2) 2MB x 36

(2) 1MB x 36

32MB

(2) 4MB x 36

None

32MB

(2) 2MB x 36

(2) 2MB x 36

40MB

(2) 4MB x 36

(2) 1MB x 36

48MB

(2) 4MB x 36

(2) 2MB x 36

64MB

(2) 8MB x 36

None

64MB

(2) 4MB x 36

(2) 4MB x 36

72MB

(2) 8MB x 36

(2) 1MB x 36

80MB

(2) 8MB x 36

(2) 2MB x 36

96MB

(2) 8MB x 36

(2) 4MB x 36

128MB

(2) 8MB x 36

(2) 8MB x 36

128MB

(2) 16MB x 36

None

136MB

(2) 16MB x 36

(2) 1MB x 36

DRAM CONFIGURATION (CONT.)

Size

Bank 0

Bank 1

144MB

(2) 16MB x 36

(2) 2MB x 36

160MB

(2) 16MB x 36

(2) 4MB x 36

192MB

(2) 16MB x 36

(2) 8MB x 36

256MB

(2) 16MB x 36

(2) 16MB x 36

Note: Board accepts EDO memory. Board also accepts x 32 SIMMs. Banks are interchangeable

DIMM CONFIGURATION

Size

Bank 2

Bank 3

8MB

(1) 1MB x 64

None

16MB

(1) 1MB x 64

(1) 1MB x 64

16MB

(1) 2MB x 64

None

24MB

(1) 2MB x 64

(1) 1MB 64

32MB

(1) 2MB x 64

(1) 2MB x 64

32MB

(1) 4MB x 64

None

40MB

(1) 4MB x 64

(1) 1MB x 64

48MB

(1) 4MB x 64

(1) 2MB x 64

64MB

(1) 4MB x 64

(1) 4MB x 64

64MB

(1) 8MB x 64

None

Note: Board accepts EDO & SDRAM DIMM modules. Banks are interchangeable. DIMM modules cannot be used in conjunction with SIMM modules.

CPU SPEED SELECTION (AMD K5)

CPU speed

Clock speed

Multiplier

JP1

JP2

JP20

90MHz

60MHz

1.5x

1 & 2

1 & 2

Closed

100MHz

66MHz

1.5x

1 & 2

1 & 2

Open

120MHz

60MHz

1.5x

1 & 2

1 & 2

Closed

133MHz

66MHz

2x

2 & 3

1 & 2

Open

166MHz

66MHz

2.5x

2 & 3

2 & 3

Open

Note: Pins designated should be in the closed position.

CPU SPEED SELECTION (AMD K6)

CPU speed

Clock speed

Multiplier

JP1

JP2

JP20

166MHz

66MHz

2.5x

2 & 3

2 & 3

Open

200MHz

66MHz

3x

1 & 2

2 & 3

Open

233MHz

66MHz

3.5x

1 & 2

1 & 2

Open

Note: Pins designated should be in the closed position.

CPU SPEED SELECTION (PENTIUM)

CPU speed

Clock speed

Multiplier

JP1

JP2

JP20

90MHz

60MHz

1.5x

1 & 2

1 & 2

Closed

100MHz

66MHz

1.5x

1 & 2

1 & 2

Open

120MHz

60MHz

2x

2 & 3

1 & 2

Closed

133MHz

66MHz

2x

2 & 3

1 & 2

Open

150MHz

60MHz

2.5x

2 & 3

2 & 3

Closed

166MHz

66MHz

2.5x

2 & 3

2 & 3

Open

200MHz

66MHz

3x

1 & 2

2 & 3

Open

Note: Pins designated should be in the closed position.

CPU SPEED SELECTION (PENTIUM MMX)

CPU speed

Clock speed

Multiplier

JP1

JP2

JP20

166MHz

66MHz

2.5x

2 & 3

2 & 3

Open

200MHz

66MHz

3x

1 & 2

2 & 3

Open

233MHz

66MHz

1.5x

1 & 2

1 & 2

Open

Note: Pins designated should be in the closed position.

CPU VOLTAGE SELECTION

Voltage

JP13

2.8v

Pins 7 & 8 closed

2.9v

Pins 5 & 6 closed

3.2v

Pins 9 & 10 closed

» 3.3v

Pins 3 & 4 closed

3.5v

Pins 1 & 2 closed

CHIPSET VOLTAGE SELECTION

Voltage

JP15

»

3.3v

Pins 1 & 2 closed

 

3.5v

Pins 3 & 4 closed