SOLTEK COMPUTER, INC.

SL-66A (VER. 1.0)

Device Type

Mainboard

Processor

Pentium II

Processor Speed

233/266/300/333MHz

Chip Set

Intel 440LX

Maximum Onboard Memory

1GB (EDO & SDRAM supported)

Cache

256/512KB (located on the Pentium II CPU)

BIOS

Award

I/O Options

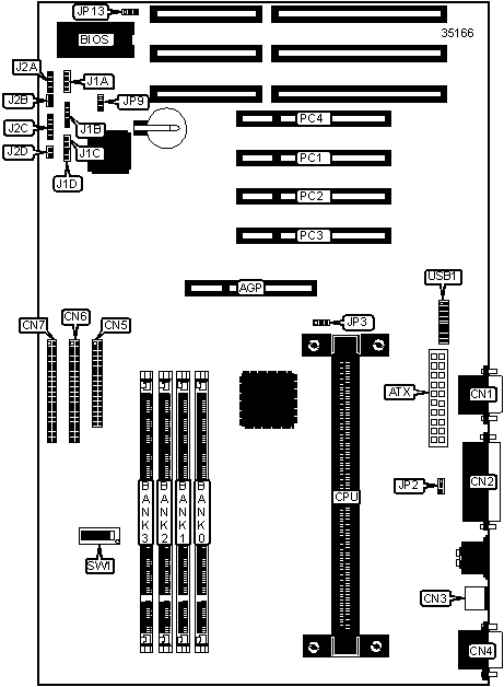
32-bit PCI slots (4), floppy drive interface, IDE interface (2), parallel port, PS/2 mouse port, serial ports (2), USB connector (2), IR connector, AGP slot, green PC connector, ATX power connector

Dimensions

330mm x 220mm

CONNECTIONS

Purpose

Location

Purpose

Location

AGP slot

AGP

IR connector

J1B

ATX power connector

ATX

Power switch

J1C

Serial port 1

CN1

Green PC connector

J1D

Parallel port

CN2

Speaker

J2A

PS/2 mouse port

CN3

Reset switch

J2B

Serial port 2

CN4

Power LED & Keylock

J2C

Floppy drive interface

CN5

Turbo LED

J2D

IDE interface 2

CN6

32-bit PCI slots

PC1 - PC4

IDE interface 1

CN7

USB connector

USB1

IDE interface LED

J1A

   

USER CONFIGURABLE SETTINGS

Function

Label

Position

»

Factory configured - do not alter

JP1

Closed

»

Factory configured - do not alter

JP2

Unidentified

»

CMOS memory normal operation

JP9

Pins 1 & 2 closed

 

CMOS memory clear

JP9

Pins 2 & 3 closed

»

Factory configured - do not alter

JP13

Unidentified

DRAM CONFIGURATION

Size

Bank 0

Bank 1

Bank 2

Bank 3

8MB

(1) 1MB x 64

None

None

None

16MB

(1) 1MB x 64

(1) 1MB x 64

None

None

16MB

(1) 2MB x 64

None

None

None

24MB

(1) 1MB x 64

(1) 1MB x 64

(1) 1MB x 64

None

24MB

(1) 2MB x 64

(1) 1MB x 64

None

None

32MB

(1) 1MB x 64

(1) 1MB x 64

(1) 1MB x 64

(1) 1MB x 64

32MB

(1) 2MB x 64

(1) 2MBx 64

None

None

32MB

(1) 4MB x 64

None

None

None

40MB

(1) 4MB x 64

(1) 1MB x 64

None

None

48MB

(1) 4MB x 64

(1) 1MB x 64

(1) 1MB x 64

None

48MB

(1) 4MB x 64

(1) 2MB x 64

None

None

56MB

(1) 4MB x 64

(1) 2MB x 64

(1) 1MB x 64

None

64MB

(1) 4MB x 64

(1) 2MB x 64

(1) 1MB x 64

(1) 1MB x 64

64MB

(1) 4MB x 64

(1) 2MB x 64

(1) 2MB x 64

None

64MB

(1) 4MB x 64

(1) 4MB x 64

None

None

64MB

(1) 8MB x 64

None

None

None

72MB

(1) 4MB x 64

(1) 2MB x 64

(1) 2MB x 64

(1) 1MB x 64

72MB

(1) 8MB x 64

(1) 1MB x 64

None

None

72MB

(1) 4MB x 64

(1) 4MB x 64

(1) 1MB x 64

None

80MB

(1) 4MB x 64

(1) 2MB x 64

(1) 2MB x 64

(1) 2MB x 64

80MB

(1) 4MB x 64

(1) 4MB x 64

(1) 2MB x 64

None

80MB

(1) 8MB x 64

(1) 2MB x 64

None

None

96MB

(1) 4MB x 64

(1) 4MB x 64

(1) 4MB x 64

None

96MB

(1) 8MB x 64

(1) 4MB x 64

None

None

DRAM CONFIGURATION (CONT.)

Size

Bank 0

Bank 1

Bank 2

Bank 3

128MB

(1) 4MB x 64

(1) 4MB x 64

(1) 4MB x 64

(1) 4MB x 64

128MB

(1) 8MB x 64

(1) 8MB x 64

None

None

128MB

(1) 16MB x 64

None

None

None

136MB

(1) 8MB x 64

(1) 8MB x 64

(1) 1MB x 64

None

144MB

(1) 8MB x 64

(1) 8MB x 64

(1) 2MB x 64

None

144MB

(1) 16MB x 64

(1) 2MB x 64

None

None

160MB

(1) 16MB x 64

(1) 4MB x 64

None

None

192MB

(1) 8MB x 64

(1) 8MB x 64

(1) 8MB x 64

None

192MB

(1) 16MB x 64

(1) 8MB x 64

None

None

224MB

(1) 8MB x 64

(1) 8MB x 64

(1) 8MB x 64

(1) 4MB x 64

256MB

(1) 8MB x 64

(1) 8MB x 64

(1) 8MB x 64

(1) 8MB x 64

256MB

(1) 16MB x 64

(1) 16MBx 64

None

None

256MB

(1) 32MB x 64

None

None

None

272MB

(1) 16MB x 64

(1) 16M x 64

(1) 2MB x 64

None

288MB

(1) 16MB x 64

(1) 16MB x 64

(1) 4MB x 64

None

288MB

(1) 32MB x 64

(1) 4MB x 64

None

None

320MB

(1) 16MB x 64

(1) 16MB x 64

(1) 8MB x 64

None

320MB

(1) 32MB x 64

(1) 8MB x 64

None

None

384MB

(1) 16MB x 64

(1) 16MB x 64

(1) 16MB x 64

None

384MB

(1) 32MB x 64

(1) 16MB x 64

None

None

416MB

(1) 16MB x 64

(1) 16MB x 64

(1) 16MB x 64

(1) 4MB x 64

448MB

(1) 16MB x 64

(1) 16MB x 64

(1) 16MB x 64

(1) 8MB x 64

512MB

(1) 16MB x 64

(1) 16MB x 64

(1) 16MB x 64

(1) 16MB x 64

512MB

(1) 32MB x 64

(1) 32MB x 64

None

None

544MB

(1) 32MB x 64

(1) 32MB x 64

(1) 4MB x 64

None

576MB

(1) 32MB x 64

(1) 32MB x 64

(1) 8MB x 64

None

640MB

(1) 32MB x 64

(1) 32MB x 64

(1) 16MB x 64

None

768MB

(1) 32MB x 64

(1) 32MB x 64

(1) 32MB x 64

None

832MB

(1) 32MB x 64

(1) 32MB x 64

(1) 32MB x 64

(1) 8MB x 64

896MB

(1) 32MB x 64

(1) 32MB x 64

(1) 32MB x 64

(1) 16MB x 64

1024MB

(1) 32MB x 64

(1) 32MB x 64

(1) 32MB x 64

(1) 32MB x 64

CPU SPEED SELECTION

CPU Speed

Clock Speed

Multiplier

SW1/1

SW1/2

SW1/3

SW1/4

SW1/5

SW1/6

233MHz

66MHz

3.5x

On

Off

Off

On

Off

Off

266MHz

66MHz

4x

Off

On

On

On

Off

Off

300MHz

66MHz

4.5x

Off

On

Off

On

Off

Off

333MHz

66MHz

5x

Off

Off

On

On

Off

Off