ZIDA TECHNOLOGIES, INC.

CREATELX/LXE-ATX (VER. 1.40)

Device Type

Mainboard

Processor

Pentium II/Celeron

Processor Speed

233/266/300/333MHz

Chip Set

Intel 440EX/LX

Video Chip Set

None

Maximum Onboard Memory

256MB (LXE), 384MB (LX) (SDRAM supported)

Maximum Video Memory

None

Cache

0/128/256/512KB (located on the CPU)

BIOS

AMI

Dimensions

254mm x 218mm

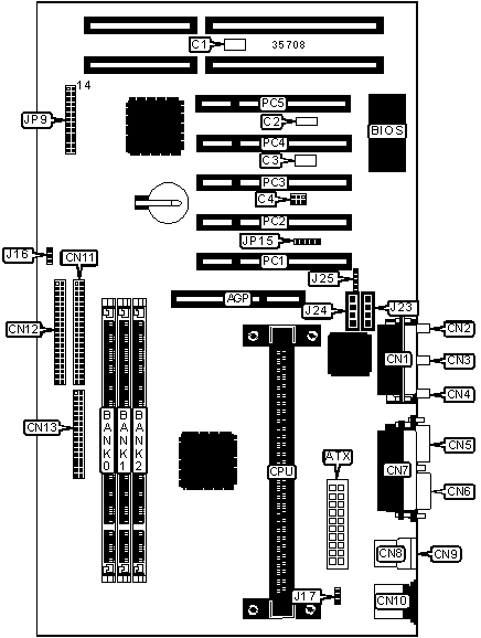
I/O Options

32-bit PCI slots (5), floppy drive interface, green PC connector, IDE interfaces (2), parallel port, PS/2 mouse port, serial ports (2), ATX power connector, AGP slot, IR, connector, USB connectors (2), PS/2 mouse interface, audio in - CD-ROMs (2), SB-link connector, wake on LAN connector, TA-link connector, TB-link connector, line in, line out, microphone in, game/MIDI port

CONNECTIONS

Purpose

Location

Purpose

Location

AGP slot

AGP

IDE interface 2

CN11

ATX power connector

ATX

IDE interface 1

CN12

TB-link connector

C1

Floppy drive interface

CN13

Wake up connector

C2

Chassis fan power

J16

TA-link connector

C3

CPU fan power

J17

SB-link connector

C4

Audio in - CD-ROM

J23

Game/MIDI port

CN1

Audio in - CD-ROM

J24

Line in

CN2

Auxiliary input connector

J25

Line out

CN3

Power LED & keylock

JP9/pins 1 - 5

Microphone in

CN4

Green PC connector

JP9/pins 7 & 8

Serial port 2

CN5

Speaker

JP9/pins 10 - 13

Serial port 1

CN6

IDE interface LED

JP9/pins 14 & 15

Parallel port

CN7

Soft off power supply

JP9/pins 17 & 18

USB connector 1

CN8

Reset switch

JP9/pins 22 & 23

USB connector 2

CN9

IR connector

JP15

PS/2 mouse port

CN10

32-bit PCI slots

PC1 - PC5

DIMM CONFIGURATION

Size

Bank 0

Bank 1

Bank 2

8MB

(1) 1M x 64

None

None

16MB

(1) 2M x 64

None

None

16MB

(1) 1M x 64

(1) 1M x 64

None

24MB

(1) 2M x 64

(1) 1M x 64

None

24MB

(1) 1M x 64

(1) 1M x 64

(1) 1M x 64

32MB

(1) 4M x 64

None

None

32MB

(1) 2M x 64

(1) 1M x 64

(1) 1M x 64

32MB

(1) 2M x 64

(1) 2M x 64

None

40MB

(1) 4M x 64

(1) 1M x 64

None

40MB

(1) 2M x 64

(1) 2M x 64

(1) 1M x 64

48MB

(1) 4M x 64

(1) 1M x 64

(1) 1M x 64

48MB

(1) 4M x 64

(1) 2M x 64

None

48MB

(1) 2M x 64

(1) 2M x 64

(1) 2M x 64

56MB

(1) 4M x 64

(1) 2M x 64

(1) 1M x 64

DIMM CONFIGURATION (CON'T)

Size

Bank 0

Bank 1

Bank 2

64MB

(1) 8M x 64

None

None

64MB

(1) 4M x 64

(1) 2M x 64

(1) 2M x 64

64MB

(1) 4M x 64

(1) 4M x 64

None

72MB

(1) 8M x 64

(1) 1M x 64

None

72MB

(1) 4M x 64

(1) 4M x 64

(1) 1M x 64

80MB

(1) 8M x 64

(1) 1M x 64

(1) 1M x 64

80MB

(1) 8M x 64

(1) 2M x 64

None

80MB

(1) 4M x 64

(1) 4M x 64

(1) 2M x 64

88MB

(1) 8M x 64

(1) 2M x 64

(1) 1M x 64

96MB

(1) 8M x 64

(1) 2M x 64

(1) 2M x 64

96MB

(1) 8M x 64

(1) 4M x 64

None

96MB

(1) 4M x 64

(1) 4M x 64

(1) 4M x 64

104MB

(1) 8M x 64

(1) 4M x 64

(1) 1M x 64

112MB

(1) 8M x 64

(1) 4M x 64

(1) 2M x 64

128MB

(1) 16M x 64

None

None

128MB

(1) 8M x 64

(1) 4M x 64

(1) 4M x 64

128MB

(1) 8M x 64

(1) 8M x 64

None

136MB

(1) 16M x 64

(1) 1M x 64

None

136MB

(1) 8M x 64

(1) 8M x 64

(1) 1M x 64

144MB

(1) 16M x 64

(1) 1M x 64

(1) 1M x 64

144MB

(1) 16M x 64

(1) 2M x 64

None

144MB

(1) 8M x 64

(1) 8M x 64

(1) 2M x 64

152MB

(1) 16M x 64

(1) 2M x 64

(1) 1M x 64

160MB

(1) 16M x 64

(1) 2M x 64

(1) 2M x 64

160MB

(1) 16M x 64

(1) 4M x 64

None

160MB

(1) 8M x 64

(1) 8M x 64

(1) 4M x 64

168MB

(1) 16M x 64

(1) 4M x 64

(1) 1M x 64

176MB

(1) 16M x 64

(1) 4M x 64

(1) 2M x 64

192MB

(1) 16M x 64

(1) 4M x 64

(1) 4M x 64

192MB

(1) 16M x 64

(1) 8M x 64

None

192MB

(1) 8M x 64

(1) 8M x 64

(1) 8M x 64

DIMM CONFIGURATION (CON'T)

Size

Bank 0

Bank 1

Bank 2

200MB

(1) 16M x 64

(1) 8M x 64

(1) 1M x 64

208MB

(1) 16M x 64

(1) 8M x 64

(1) 2M x 64

224MB

(1) 16M x 64

(1) 8M x 64

(1) 4M x 64

256MB

(1) 16M x 64

(1) 8M x 64

(1) 8M x 64

384MB

(1) 16M x 64

(1) 16M x 64

(1) 16M x 64

Note: Board accepts SDRAM memory. The CreateLXe has an optional 3 rd DIMM socket. The maximum memory with the 3 rd socket is 256MB.

CACHE CONFIGURATION

Note: 256KB/512KB cache is located on the Pentium II CPU. 128KB cache is located on the Celeron 300A & 333 CPU.