EDIMAX COMPUTER COMPANY

1000A V2.4

NIC Type

Ethernet

Transfer Rate

10Mbps

Data Bus

8-bit ISA

Topology

Star

Linear Bus

Wiring Type

RG-58A/U 50ohm coaxial

Unshielded twisted pair

AUI transceiver via DB-15 port

Boot ROM

Available

I/O BASE ADDRESS

Address

JP1A

JP1B

JP1C

»

300h

Closed

Closed

Closed

 

320h

Closed

Closed

Open

 

340h

Closed

Open

Closed

 

360h

Closed

Open

Open

INTERRUPT SETTINGS

IRQ

JP1D

JP1E

JP1F

JP1G

JP1H

JP1I

2

Closed

Open

Open

Open

Open

Open

3

Open

Closed

Open

Open

Open

Open

4

Open

Open

Closed

Open

Open

Open

5

Open

Open

Open

Closed

Open

Open

6

Open

Open

Open

Open

Closed

Open

7

Open

Open

Open

Open

Open

Closed

DMA CHANNEL

Channel

JP1J

JP1K

JP1L

JP1M

»

Disabled

Closed

Open

Closed

Open

 

DMA1

Closed

Open

Closed

Open

 

DMA3

Open

Closed

Open

Closed

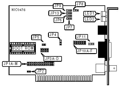
CONNECTORS

Setting

Location

External power LED.

JP2

BOOT ROM ADDRESS

Address

JP3A

JP3B

JP3C

JP3D

 

C0000h

Closed

Closed

Closed

Closed

 

C4000h

Open

Closed

Closed

Closed

»

C8000h

Closed

Open

Closed

Closed

 

CC000h

Open

Open

Closed

Closed

 

D0000h

Closed

Closed

Open

Closed

 

D4000h

Open

Closed

Open

Closed

 

D8000h

Closed

Open

Open

Closed

 

DC000h

Open

Open

Open

Closed

CABLE TYPE

Type

JP4

JP10A-JP10F

JP11

»

RG-58A/U 50ohm coaxial

Pins 2 & 3 Closed

Open

Pins 2 & 3 Closed

 

AUI transceiver via DB-15 port

Pins 1 & 2 Closed

Open

Pins 1 & 2 Closed

 

Unshielded twisted pair

Pins 1 & 2 Closed

Closed

Pins 2 & 3 Closed

BOOT ROM

Setting

JP5

»

Disabled

Open

 

Enabled

Closed

AUTOPOLARITY

Setting

JP6

»

Enabled

Pins 1 & 2 Closed

 

Disabled

Pins 2 & 3 Closed

Note: If disabled, and the network wire polarities are reversed, the card will be damaged.

LINK INTEGRITY

Setting

JP7

»

Enabled

Pins 2 & 3 Closed

 

Disabled

Pins 1 & 2 Closed

Note: If this option is disabled, SQE is also disabled and Cable Length is set to 185 meters

SIGNAL QUALITY ERROR (SQE) TEST

Setting

JP8

»

Enabled

Pins 1 & 2 Closed

 

Disabled

Pins 2 & 3 Closed

Note:Signal Quality Error (SQE) is a test of the collision circuitry and path.

Link integrity must be enabled for SQE to be enabled.

CABLE LENGTH SELECT

Setting

JP13

»

185 meters

Pins 1 & 2 Closed

 

305 meters

Pins 2 & 3 Closed

Note: All cards on the network segment must have this function set the same.

Link integrity must be enabled to select long cable length.

FACTORY CONFIGURED SETTINGS

Jumper

Setting

JP9

Unused

DIAGNOSTIC LED(S)

LED

Color

Status

Condition

LED1

Yellow

Off

Normal operation

LED1

Yellow

On

A reversed twisted pair is detected and corrected

LED2

Green

On

Twisted pair network connection is good

LED2

Green

Off

Twisted pair network connection is broken