GARRETT COMMUNICATIONS
MAGNUM MII-FX (FIBER ST)
|
Card Type |
Ethernet Transceiver |
|
NIC Type |
Ethernet |
|
Maximum Onboard Memory |
Unidentified |
|
Boot ROM |
Not available |
|
Network Transfer Rate |
100Mbps |
|
Topology |
Star |
|
Wiring Type |
Fiber optic, MII |
|
Data Bus |
External |
|
CONNECTIONS | |||
|
Function |
Label |
Function |
Label |
|
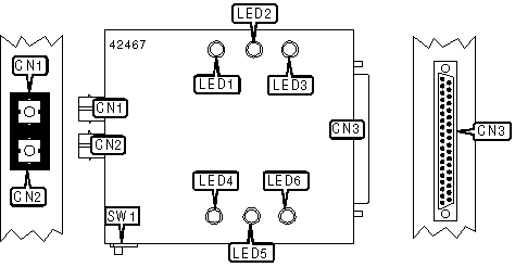
Fiber ST connector |
CN1 |
MII connector |
CN3 |
|
Fiber ST connector |
CN2 | ||
|
USER CONFIGURABLE SETTINGS | |||
|
Function |
Label |
Position | |
| » |
Auto-configuring enabled |
SW1 |
On |
|
Host programmable |
SW1 |
Off | |
|
Note: Orientation of switch may vary. | |||
|
DIAGNOSTIC LED(S) | |||
|
LED |
Color |
Status |
Condition |
|
LED1 |
Unidentified |
Blinking |
Data is being transmitted |
|
LED1 |
Unidentified |
Off |
Data is not being transmitted |
|
LED2 |
Unidentified |
Blinking |
Data is being received |
|
LED2 |
Unidentified |
Off |
Data is not being received |
|
LED3 |
Unidentified |
On |
Half duplex mode |
|
LED3 |
Unidentified |
Off |
Full duplex mode |
|
LED4 |
Unidentified |
On |
100Mbps connection established |
|
LED4 |
Unidentified |
Off |
100Mbps connection not established |
|
LED5 |
Unidentified |
Blinking |
Collision detected on network |
|
LED5 |
Unidentified |
Off |
No collision detected on network |
|
LED6 |
Unidentified |
On |
Unit is receiving power |
|
LED6 |
Unidentified |
Off |
Unit is not receiving power |