KATRON TECHNOLOGIES, INC.

ARC-120

NIC Type

ARCnet

Transfer Rate

2.5Mbps

Data Bus

8-bit ISA

Topology

Star

Linear bus

Wiring Type

RG-62A/U 93ohm coaxial

Unshielded twisted pair

Boot ROM

Available

   

NODE ADDRESS

Node

SW1/1

SW1/2

SW1/3

SW1/4

SW1/5

SW1/6

SW1/7

SW1/8

0

-

-

-

-

-

-

-

-

1

Off

On

On

On

On

On

On

On

2

On

Off

On

On

On

On

On

On

3

Off

Off

On

On

On

On

On

On

4

On

On

Off

On

On

On

On

On

251

Off

Off

On

Off

Off

Off

Off

Off

252

On

On

Off

Off

Off

Off

Off

Off

253

Off

On

Off

Off

Off

Off

Off

Off

254

On

Off

Off

Off

Off

Off

Off

Off

255

Off

Off

Off

Off

Off

Off

Off

Off

Note: Node address 0 is used for messaging between nodes and must not be used.

A total of 255 node address settings are available. The switches are a binary representation of the decimal node addresses. Switch 1 is the Least Significant Bit and switch 8 is the Most Significant Bit. The switches have the following decimal values: switch 1=1, 2=2, 3=4, 4=8, 5=16, 6=32, 7=64, 8=128. Turn off the switches and add the values of the off switches to obtain the correct node address. (On=0, Off=1)

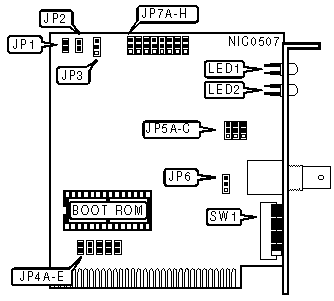
CONNECTIONS

Function

Location

External LED1 (See LED table for LED1 indications)

JP1

External LED2 (See LED table for LED2 indications)

JP2

BOOT ROM

Setting

JP3

»

Disable

Pins 2 & 3 closed

 

Enable

Pins 1 & 2 closed

INTERRUPT REQUEST

IRQ

JP4A

JP4B

JP4C

JP4D

JP4E

»

2

Closed

Open

Open

Open

Open

 

3

Open

Closed

Open

Open

Open

 

4

Open

Open

Closed

Open

Open

 

5

Open

Open

Open

Closed

Open

 

7

Open

Open

Open

Open

Closed

CABLE TYPE

Type

JP5A - JP5C

Unshielded twisted pair

Pins 1 & 2 closed

AUI transceiver via DB-15 port

Pins 2 & 3 closed

ONBOARD TERMINATOR

Setting

JP6

»

Disabled

Pins 1 & 2 closed

 

Enabled

Pins 2 & 3 closed

 

Notes:If the card is on either end of a linear bus network segment, the onboard terminator can be used instead of using an external terminator.

I/O BASE ADDRESS

Address

JP7F

JP7G

JP7H

 

260-26Fh

Pins 2 & 3 closed

Pins 2 & 3 closed

Pins 2 & 3 closed

 

290-29Fh

Pins 1 & 2 closed

Pins 2 & 3 closed

Pins 2 & 3 closed

»

2E0-2EFh

Pins 2 & 3 closed

Pins 1 & 2 closed

Pins 2 & 3 closed

 

2F0-2FFh

Pins 1 & 2 closed

Pins 1 & 2 closed

Pins 2 & 3 closed

 

300-30Fh

Pins 2 & 3 closed

Pins 2 & 3 closed

Pins 1 & 2 closed

 

350-35Fh

Pins 1 & 2 closed

Pins 2 & 3 closed

Pins 1 & 2 closed

 

380-38Fh

Pins 2 & 3 closed

Pins 1 & 2 closed

Pins 1 & 2 closed

 

3E0-3EFh

Pins 1 & 2 closed

Pins 1 & 2 closed

Pins 1 & 2 closed

BASE MEMORY ADDRESS & BOOT ROM ADDRESS

Base Address

Boot ROM Address

JP7A

JP7B

JP7C

JP7D

JP7E

 

C0000-C07FFh

C2000-C3FFFh

Pins 2&3

Pins 2&3

Pins 2&3

Pins 2&3

Pins 2&3

 

C0800-C0FFFh

C2000-C3FFFh

Pins 1&2

Pins 2&3

Pins 2&3

Pins 2&3

Pins 2&3

 

C1000-C17FFh

C2000-C3FFFh

Pins 2&3

Pins 1&2

Pins 2&3

Pins 2&3

Pins 2&3

 

C1800-C1FFFh

C2000-C3FFFh

Pins 1&2

Pins 1&2

Pins 2&3

Pins 2&3

Pins 2&3

 

C4000-C47FFh

C6000-C7FFFh

Pins 2&3

Pins 2&3

Pins 1&2

Pins 2&3

Pins 2&3

 

C4800-C4FFFh

C6000-C7FFFh

Pins 1&2

Pins 2&3

Pins 1&2

Pins 2&3

Pins 2&3

 

C5000-C57FFh

C6000-C7FFFh

Pins 2&3

Pins 1&2

Pins 1&2

Pins 2&3

Pins 2&3

 

C5800-C5FFFh

C6000-C7FFFh

Pins 1&2

Pins 1&2

Pins 1&2

Pins 2&3

Pins 2&3

 

CC000-CC7FFh

CE000-CFFFFh

Pins 2&3

Pins 2&3

Pins 2&3

Pins 1&2

Pins 2&3

 

CC800-CCFFFh

CE000-CFFFFh

Pins 1&2

Pins 2&3

Pins 2&3

Pins 1&2

Pins 2&3

 

CD000-CD7FFh

CE000-CFFFFh

Pins 2&3

Pins 1&2

Pins 2&3

Pins 1&2

Pins 2&3

 

CD800-CDFFFh

CE000-CFFFFh

Pins 1&2

Pins 1&2

Pins 2&3

Pins 1&2

Pins 2&3

»

D0000-D07FFh

D2000-D3FFFh

Pins 2&3

Pins 2&3

Pins 1&2

Pins 1&2

Pins 2&3

 

D0800-D0FFFh

D2000-D3FFFh

Pins 1&2

Pins 2&3

Pins 1&2

Pins 1&2

Pins 2&3

 

D1000-D17FFh

D2000-D3FFFh

Pins 2&3

Pins 1&2

Pins 1&2

Pins 1&2

Pins 2&3

 

D1800-D1FFFh

D2000-D3FFFh

Pins 1&2

Pins 1&2

Pins 1&2

Pins 1&2

Pins 2&3

 

D4000-D47FFh

D6000-D7FFFh

Pins 2&3

Pins 2&3

Pins 2&3

Pins 2&3

Pins 1&2

 

D4800-D4FFFh

D6000-D7FFFh

Pins 1&2

Pins 2&3

Pins 2&3

Pins 2&3

Pins 1&2

 

D5000-D57FFh

D6000-D7FFFh

Pins 2&3

Pins 1&2

Pins 2&3

Pins 2&3

Pins 1&2

 

D5800 D5FFFh

D6000-D7FFFh

Pins 1&2

Pins 1&2

Pins 2&3

Pins 2&3

Pins 1&2

 

D8000-D87FFh

DA000-DBFFFh

Pins 2&3

Pins 2&3

Pins 1&2

Pins 2&3

Pins 1&2

 

D8800-D8FFFh

DA000-DBFFFh

Pins 1&2

Pins 2&3

Pins 1&2

Pins 2&3

Pins 1&2

 

D9000-D97FFh

DA000-DBFFFh

Pins 2&3

Pins 1&2

Pins 1&2

Pins 2&3

Pins 1&2

 

D9800-D9FFFh

DA000-DBFFFh

Pins 1&2

Pins 1&2

Pins 1&2

Pins 2&3

Pins 1&2

 

DC000-DC7FFh

DE000-DFFFFh

Pins 2&3

Pins 2&3

Pins 2&3

Pins 1&2

Pins 1&2

 

DC800-DCFFFh

DE000-DFFFFh

Pins 1&2

Pins 2&3

Pins 2&3

Pins 1&2

Pins 1&2

 

DD000-DD7FFh

DE000-DFFFFh

Pins 2&3

Pins 1&2

Pins 2&3

Pins 1&2

Pins 1&2

 

DD800-DDFFFh

DE000-DFFFFh

Pins 1&2

Pins 1&2

Pins 2&3

Pins 1&2

Pins 1&2

 

E0000-E07FFh

E2000-E3FFFh

Pins 2&3

Pins 2&3

Pins 1&2

Pins 1&2

Pins 1&2

 

E0800-E0FFFh

E2000-E3FFFh

Pins 1&2

Pins 2&3

Pins 1&2

Pins 1&2

Pins 1&2

 

E1000-E17FFh

E2000-E3FFFh

Pins 2&3

Pins 1&2

Pins 1&2

Pins 1&2

Pins 1&2

 

E1800-E1FFFh

E2000-E3FFFh

Pins 1&2

Pins 1&2

Pins 1&2

Pins 1&2

Pins 1&2

Note:Pins designated should be in the closed position.

DIAGNOSTIC LED(S)

LED

Color

Status

Condition

LED1

Green

On

Network connection is good

LED1

Green

Off

Network connection is broken

LED2

Red

On

Data is being transmitted or received.

LED2

Red

Off

Data is not being transmitted or received.