SURECOM TECHNOLOGY CORPORATION

EP301

NIC Type

Ethernet

Network Transfer Rate

10Mbps

Data Bus

16-bit ISA

Topology

Linear Bus, Star

Wiring Type

Unshielded twisted pair

AUI transceiver via DB-15 port

RG-58A/U 50ohm coaxial

Boot ROM

Not available

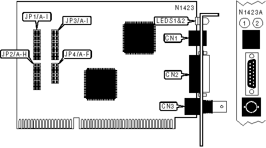
CONNECTIONS

Function

Label

Function

Label

Unshielded twisted pair port

CN1

RG-58A/U 50ohm coaxial

CN3

AUI transceiver via DB-15 port

CN2

   

BASE I/O ADDRESS SELECTION (NON-ELNKII/16BIT MODE)

Setting

JP1/A

JP1/B

JP1/C

JP1/D

JP1/E

JP1/F

JP1/G

JP1/H

JP1/I

Software

Closed

Open

Open

Open

Open

Open

Open

Open

Open

360h

Open

Closed

Open

Open

Open

Open

Open

Open

Open

340h

Open

Open

Closed

Open

Open

Open

Open

Open

Open

320h

Open

Open

Open

Closed

Open

Open

Open

Open

Open

300h

Open

Open

Open

Open

Closed

Open

Open

Open

Open

2A0h

Open

Open

Open

Open

Open

Closed

Open

Open

Open

280h

Open

Open

Open

Open

Open

Open

Closed

Open

Open

240h

Open

Open

Open

Open

Open

Open

Open

Closed

Open

220h

Open

Open

Open

Open

Open

Open

Open

Open

Closed

BASE I/O ADDRESS SELECTION (ELNKII/16BIT MODE)

Setting

JP1/A

JP1/B

JP1/C

JP1/D

JP1/E

JP1/F

JP1/G

JP1/H

JP1/I

Software

Closed

Open

Open

Open

Open

Open

Open

Open

Open

350h

Open

Closed

Open

Open

Open

Open

Open

Open

Open

330h

Open

Open

Closed

Open

Open

Open

Open

Open

Open

310h

Open

Open

Open

Closed

Open

Open

Open

Open

Open

300h

Open

Open

Open

Open

Closed

Open

Open

Open

Open

2EOh

Open

Open

Open

Open

Open

Closed

Open

Open

Open

2A0h

Open

Open

Open

Open

Open

Open

Closed

Open

Open

280h

Open

Open

Open

Open

Open

Open

Open

Closed

Open

250h

Open

Open

Open

Open

Open

Open

Open

Open

Closed

BOOT ROM ADDRESS CONFIGURATION (NON-ELNK/16BIT MODE)

Address

JP2/A

JP2/B

JP2/C

JP2/D

JP2/E

JP2/F

JP2/G

JP2/H

Software

Closed

Open

Open

Open

Open

Open

Open

Open

Disabled

Open

Closed

Open

Open

Open

Open

Open

Open

DC000h

Open

Open

Closed

Open

Open

Open

Open

Open

D8000h

Open

Open

Open

Closed

Open

Open

Open

Open

D4000h

Open

Open

Open

Open

Closed

Open

Open

Open

D0000h

Open

Open

Open

Open

Open

Closed

Open

Open

CC000h

Open

Open

Open

Open

Open

Open

Closed

Open

C8000h

Open

Open

Open

Open

Open

Open

Open

Closed

BOOT ROM ADDRESS CONFIGURATION (ELNK/16BIT MODE)

Address

JP2/A

JP2/B

JP2/C

JP2/D

JP2/E

JP2/F

JP2/G

JP2/H

Software

Closed

Open

Open

Open

Open

Open

Open

Open

Disabled

Open

Closed

Open

Open

Open

Open

Open

Open

DC000h

Open

Open

Closed

Open

Open

Open

Open

Open

D8000h

Open

Open

Open

Closed

Open

Open

Open

Open

CC000h

Open

Open

Open

Open

Closed

Open

Open

Open

C8000h

Open

Open

Open

Open

Open

Closed

Open

Open

PCI INTERRUPT SELECTION

IRQ

JP3/A

JP3/B

JP3/C

JP3/D

JP3/E

JP3/F

JP3/G

JP3/H

JP3/I

Software

Closed

Open

Open

Open

Open

Open

Open

Open

Open

2/9

Open

Open

Open

Open

Open

Open

Open

Open

Closed

3

Open

Open

Open

Open

Open

Open

Open

Closed

Open

4

Open

Open

Open

Open

Open

Open

Closed

Open

Open

5

Open

Open

Open

Open

Open

Closed

Open

Open

Open

7

Open

Open

Open

Open

Closed

Open

Open

Open

Open

10

Open

Open

Open

Closed

Open

Open

Open

Open

Open

11

Open

Open

Closed

Open

Open

Open

Open

Open

Open

15

Open

Closed

Open

Open

Open

Open

Open

Open

Open

COMBATIBILITY MODE CONFIGURATION

Setting

JP4/A

JP4/B

JP4/C

JP4/D

JP4/E

JP4/F

Software

Closed

Open

Open

Open

Open

Open

N2000 (C&T)

Open

Closed

Open

Open

Open

Open

N2000 (STD)

Open

Open

Closed

Open

Open

Open

N1000 TURBO

Open

Open

Open

Closed

Open

Open

03EBT/13EBT

Open

Open

Open

Open

Closed

Open

ELNKII/16BIT

Open

Open

Open

Open

Open

Closed

DIAGNOSTIC LED(S)

LED

Color

Status

Condition

LED1

Green

On

10Base-T network connection is good

LED1

Green

Blinking

Data is being received

LED1

Green

Off

10Base-T network connection is broken

LED2

Red

On

10Base-T polarity is reversed

LED2

Red

Blinking

Data is being transmitted

LED2

Red

Off

10Base-T polarity is normal