PURETEK INDUSTRIAL CO, INC.

14400BPS FAX/MODEM ADAPTER WITH VOICE

Card Type

Fax, Modem (asynchronous), Voice

Chip Set

Unidentified

I/O Options

Speakerphone, Voicemail

Maximum Data Rate

14.4Kbps

Maximum Fax Rate

14.4Kbps

Data Bus

8-bit ISA

Fax Class

Class II

Data Modulation Protocol

Bell 103/212A

ITU-T V.21, V.22, V.22bis, V.23, V.32, V.32bis

Fax Modulation Protocol

ITU-T V.17, V.21CH2, V.27ter, V.29

Error Correction/Compression

MNP5, V.42, V.42bis

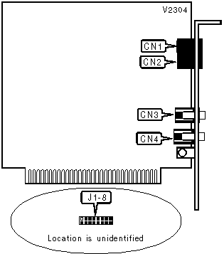
CONNECTIONS

Function

Label

Function

Label

Line out

CN1

Microphone connection

CN3

Line in

CN2

Speaker connection

CN4

SERIAL PORT ADDRESS

Setting

J1

J2

J3

COM1 (3F8h)

Open

Open

Open

COM2 (2F8h)

Closed

Open

Open

COM3 (3E8h)

Open

Closed

Open

COM4 (2E8h)

Closed

Closed

Open

COM5

Open

Open

Closed

COM6

Closed

Open

Closed

COM7

Open

Closed

Closed

COM8

Closed

Closed

Closed

INTERRUPT SELECTION

Setting

J4

J5

J6

J7

J8

2

Closed

Open

Open

Open

Open

3

Open

Closed

Open

Open

Open

4

Open

Open

Closed

Open

Open

5

Open

Open

Open

Closed

Open

9

Open

Open

Open

Open

Closed

SUPPORTED COMMAND SET

Basic AT Commands

AT, ‘+++’, ‘Comma’, A/

A, B, D, E, H, L, M, O, Q, S, V, X, Y, Z

&C, &D, &F, &G, &J, &K, &M, &P, &R, &S, &T, &V, &W, &X, &Y, &Z

Extended AT Commands

\A, \B, \E, \J, \K, \L, \O, \U, \V, \X, %A

S Registers

S0, S1, S2, S3, S4, S5, S6, S7, S8, S9, S10, S11, S12, S14, S16, S18, S21, S22, S25

S26, S27, S36, S46, S82, S95

Note: Please see MHI Help file for full command documentation.

Proprietary AT Command Set

BIT-MAPPED REGISTER S23

Format

AT [cmds] S23=n [cmds]

Default:

28

Range:

0-191

Unit:

Bit-mapped

Description:

Grants/denies remote digital loopback, controls DTE rate and parity, and sets guard tone.

Bit

Value

Function

0

í 0

1

Remote digital loopback denied

Remote digital loopback allowed

3 - 1

000

001

010

011

100

101

í 110

111

Sets serial port speed to 0-300bps

Sets serial port speed to 600bps

Sets serial port speed to 1200bps

Sets serial port speed to 2400bps

Sets serial port speed to 4800bps

Sets serial port speed to 9600bps

Sets serial port speed to 19200bps

Sets serial port speed to 48400bps or upper data rate

5, 4

00

í 01

10

11

Parity even

Space Parity

Parity odd

Mark or No Parity

7, 6

í 00

01

10

Guard tone disabled

Guard tone 550Hz enabled

Guard tone 1800Hz enabled

BIT SAMPLING

Type:

Configuration

Format:

AT [cmds] #VBS=n [cmds]

Description:

Select bit sampling

Command

Function

#VBS?

Returns current setting of #VBS command

#VBS=2

2 bits per sample ADPCM enabled

#VBS=3

3 bits per sample ADPCM enabled

#VBS=4

4 bits per sample ADPCM enabled

BREAK TYPE

Type:

Configuration

Format:

AT [cmds] \Kn [cmds]

Description:

Configures action of break signal

Command

Function

\K0

Online command mode enabled, send no break to remote modem

\K1

Break sent to remote modem and buffers cleared

\K2

Online command mode enabled, send no break to remote modem

\K3

Send break to remote modem immediately

\K4

Online command mode enabled, send no break to remote modem

í \K5

Send break with transmitted data

COMPRESSION

Type:

Configuration

Format:

AT [cmds] %Cn [cmds]

Description:

Selects data compression

Command

Function

%C0

Data compression disabled

%C1

Data compression enabled

CONNECT MODE

Type:

Configuration

Format:

AT [cmds] \Nn [cmds]

Description:

Controls the type of connection the modem will operate in

Command

Function

\N0

Normal mode enabled

\N1

Direct mode enabled

\N2

MNP Reliable mode enabled

\N3

MNP auto-reliable mode enabled

\N4

V.42 reliable mode with phase detection enabled

í \N5

V.42 auto-reliable mode with phase detection enabled

\N6

V.42 reliable mode without phase detection enabled

\N7

V.42 auto-reliable mode without phase detection enabled

DIAL - STORED NUMBER

Type:

Immediate

Format:

AT [cmds] DS=n [cmds]

Description:

Dial stored number from memory location n, (n=0-2)

DIAL/BUSY TONE DETECT RANGE

Type:

Register

Format:

AT [cmds] S96=n [cmds]

Description:

Selects the range the modem uses for dial/busy tone detection

Command

Range

Function

í S96=0

350 - 620Hz

USA, Korea, Taiwan

S96=1

425 - 450Hz

Belgium

S96=2

440 - 700Hz

France

S96=3

350 - 450Hz

Israel, Japan

S96=4

375 - 475Hz

Italy, Norway, Germany, Denmark

S96=5

150 - 450Hz

Netherlands

S96=6

270 - 320Hz

Singapore

S96=7

350 - 500Hz

Sweden

S96=8

375 - 550Hz

Switzerland

S96=9

350 - 440Hz

United Kingdom

S96=10

110 - 700Hz

Full range

ENERGY DETECTION THRESHOLD

Type:

Register

Format:

AT [cmds] S97=n [cmds]

Default:

45

Range:

Unidentified

Unit:

Unidentified

Description:

Selects dial tone detect threshold during CPM mode

EXTENDED RESULT CODES

Type:

Configuration

Format:

AT [cmds] Wn [cmds]

Description:

Controls extended result codes

Command

Function

í W0

V.42 extended result codes disabled

W1

V.42 extended result codes enabled

FLOW CONTROL TYPE

Type:

Configuration

Format:

AT [cmds] \Qn [cmds]

Description:

Sets type of flow control used by modem

Command

Function

\Q0

Flow control disabled

\Q1

XON/XOFF software flow control enabled

\Q2

CTS hardware flow control enabled

í \Q3

RTS/CTS hardware flow control enabled

INACTIVITY TIMER

Type:

Configuration

Format:

AT [cmds] \Tn [cmds]

Default:

0

Range:

0-90

Unit:

1 minute

Description:

Sets the length of time that the modem does not receive information before it disconnects.

LINE TYPE

Type:

Configuration

Format:

AT [cmds] &Ln [cmds]

Description:

Selects line type

Command

Line Type

í &L0

Switched line

&L1

Leased-line - 2-wire

&L2

Leased-line - 4-wire

MODE SELECTION

Type:

Configuration

Format:

AT [cmds] #CLS=n [cmds]

Description:

Controls the mode the modem will operate in

Command

Function

#CLS?

Returns current setting of #CLS command

#CLS=0

Data mode enabled

#CLS=2

Fax class 2 command mode enabled

#CLS=8

Voice mode enabled

MODEM MANUFACTURER

Type:

Immediate

Format:

AT [cmds] #MFR? [cmds]

Description:

Reports modem manufacturer

MODEM MODEL

Type:

Immediate

Format:

AT [cmds] #MDL? [cmds]

Description:

Reports modem models

MODEM REVISION

Type:

Immediate

Format:

AT [cmds] #REV? [cmds]

Description:

Reports modem revision

REPORT INFORMATION

Type:

Immediate

Format:

AT [cmds] In [cmds]

Description:

Displays information requested

Command

Function

I0

Reports product-identification code

I1

Reports factory code

I2

Reports internal memory test

I3

Reports firmware version 1

I4

Reports firmware version 2

SIGNAL ROUTING

Type:

Configuration

Format:

AT [cmds] #VLS=n [cmds]

Description:

Select which signal is routed through the modem

Command

Function

#VLS?

Returns current setting of #VLS command

#VLS=0

Phone line interface routed through the modem

#VLS=1

Handset routed through the modem

#VLS=2

External speaker routed through the modem

#VLS=3

Auxiliary input device routed through the modem

#VLS=4

Internal speaker routed through the modem

SPEED - AUTOBAUD

Type:

Configuration

Format:

AT [cmds] #BDR=n [cmds]

Description:

Controls speed

Command

Function

#BDR?

Returns current setting of #BDR command

#BDR=0

Autobaud detection enabled

#BDR=n

Returns ‘OK’ and switches to new speed specified by n*2400bps (n=1,2,4,6,8,16,24)

TONE GENERATION

Type:

Configuration

Format:

AT [cmds] #VBT=n [cmds]

Default:

Unidentified

Range:

1-40

Unit:

.1 second

Description:

Controls the amount of time a tone is generated

Command

Function

#VBT?

Returns current setting of #VBT command

VOICE COMPRESSION METHOD

Type:

Immediate

Format:

AT [cmds] #VCI? [cmds]

Description:

Reports voice compression method used

VOICE INACTIVITY TIMER

Type:

Register

Format

AT [cmds] S30=n [cmds]

Default:

0

Range:

0-255

Unit:

1 second

Description:

Maximum duration of DTE and DCE inactivity allowed prior to initiating hang-up process.

Note:

S30=0 disables the timer and allows indefinite inactivity.

VOICE RECEIVE

Type:

Immediate

Format:

AT [cmds] #VTX [cmds]

Description:

Enables voice receive during voice command mode

VOICE TRANSMIT

Type:

Immediate

Format:

AT [cmds] #VTX [cmds]

Description:

Enables voice transmission during voice command mode

V.25bis COMMAND SET

CALL REQUESTED NUMBER

Type:

Immediate

Format:

CRN<#>

Description:

Dials the number given; it will ignore spaces and hyphens in the string.

CALL REQUEST WITH ADDRESS

Type:

Immediate

Format:

CRSn

Description:

Dials the number stored in NVRAM at location n

PROGRAM NUMBER

Type:

Configuration

Format:

PRNn;<#>

Description:

Stores a phone number in NVRAM at location n

REQUEST LISTED NUMBERS

Type:

Immediate

Format:

RLN

Description:

Requests the modem to return the list of stored numbers in NVRAM

DISREGARD INCOMING CALL

Type:

Immediate

Format:

DIC

Description:

Instructs the modem to ignore the incoming call, if the modem is set to automatically answer.

CONNECT INCOMING CALLS

Type:

Immediate

Format:

CID

Description:

Instructs the modem to answer an incoming call.

V.25bis/AT COMMANDS

Type:

Immediate

Format:

AT [cmds] ATC [cmds]

Description:

Toggles between V.25bis and AT command set