RAD DATA COMMUNICATIONS

CMN-CF6A (ST)

Card Type

Modem (asynchronous)

Chipset

Unidentified

Wire Type

Fiber optic cable

Maximum Data Rate

19.2Kbps x 2

Data Modulation

Unidentified

Data Bus

Proprietary

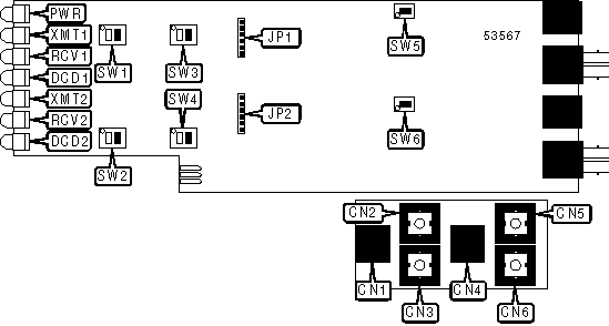
CONNECTIONS

Function

Label

Function

Label

Serial data port 1

CN1

Serial data port 2

CN4

Fiber optic ST transmit cable 1

CN2

Fiber optic ST transmit cable 2

CN5

Fiber optic ST receive cable 1

CN3

Fiber optic ST receive cable 2

CN6

USER CONFIGURABLE SETTINGS

Setting

Label

Position

í Factory configured - do not alter

JP1

Unidentified

í Factory configured - do not alter

JP2

Unidentified

í RTS to CTS delay set to 2mS on modem 1

SW1/1

Off

RTS to CTS delay set to 15mS on modem 1

SW1/1

On

í DCD forced high on modem 1

SW1/2

On

DCD follows DTR on modem 1

SW1/2

Off

í RTS to CTS delay set to 2mS on modem 2

SW2/1

Off

RTS to CTS delay set to 15mS on modem 2

SW2/1

On

í DCD forced high on modem 2

SW2/2

On

DCD follows DTR on modem 2

SW2/2

Off

í Cable shield 1 connected to signal ground

SW3/1

On

Cable shield 1 not connected to signal ground

SW3/1

Off

í Signal ground 1 not connected to chassis ground

SW3/2

Off

Signal ground 1 connected to chassis ground

SW3/2

On

í Cable shield 2 connected to signal ground

SW4/1

On

Cable shield 2 not connected to signal ground

SW4/1

Off

USER CONFIGURABLE SETTINGS (CON'T)

Setting

Label

Position

í Signal ground 2 not connected to chassis ground

SW4/2

Off

Signal ground 2 connected to chassis ground

SW4/2

On

í CN1 is DCE

SW5

On

CN1 is DTE

SW5

Off

í CN3 is DCE

SW6

On

CN3 is DTE

SW6

Off

DIAGNOSTIC LED(S)

LED

Color

Status

Condition

PWR

Green

On

Power is on

PWR

Green

Off

Power is off

XMT1

Yellow

On

Modem 1 is transmitting data

XMT1

Yellow

Off

Modem is 1 not transmitting data

RCV1

Yellow

On

Modem 1 is receiving data

RCV1

Yellow

Off

Modem 1 is not receiving data

DCD1

Yellow

On

Carrier signal detected on line 1

DCD1

Yellow

Off

Carrier signal not detected on line 1

XMT2

Yellow

On

Modem 2 is transmitting data

XMT2

Yellow

Off

Modem is 2 not transmitting data

RCV2

Yellow

On

Modem 2 is receiving data

RCV2

Yellow

Off

Modem 2 is not receiving data

DCD1

Yellow

On

Carrier signal detected on line 1

DCD1

Yellow

Off

Carrier signal not detected on line 1

MISCELLANEOUS TECHNICAL NOTE

This card is intended for use in the CMN-16 rack-mount system. The bus is used only for supplying power for the card. All other card functions are accessed through the serial ports.