PHILIPS CONSUMER ELECTRONICS, CO.

PCA11IM (SWITCH VER.)

Card Type

Modem

Chip Set

Unidentified

I/O Options

Line out, line in, microphone in, speaker out

Maximum Modem Rate

14.4Kbps

Maximum Fax Rate

14.4Kbps

Data Modulation Protocol

Bell 103/212A

ITU-T V.22, V.22bis, V.23, V.32, V.32bis

Fax Modulation Protocol

ITU-T V.17, V.27ter, V.29

Error Correction/Compression

MNP5, V.42, V.42bis

Fax Class

Class I & II

Data Bus

8-bit ISA

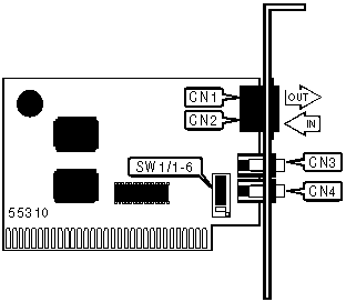
CONNECTIONS

Function

Label

Function

Label

Line out (RJ-11)

CN1

Speaker out

CN3

Line in (RJ-11)

CN2

Microphone in

CN4

SERIAL PORT ADDRESS

Setting

SW1/1

SW1/2

COM1 (3F8h)

On

On

COM2 (2F8h)

Off

On

COM3 (3E8h)

On

Off

í COM4 (2E8h)

Off

Off

INTERRUPT

Setting

SW1/3

SW1/4

SW1/5

SW1/6

IRQ2

On

Off

Off

Off

í IRQ3

Off

On

Off

Off

IRQ4

Off

Off

On

Off

IRQ5

Off

Off

Off

On

 

SUPPORTED COMMAND SET

Basic AT Commands

AT, ‘+++’, A/

A, E, H, M, P, T, V, X, Y, Z

&C, &F, &G, &M, &T, &V, &W, &X, &Y, &Z

Extended AT Commands

%A, %C, %E, %Q

\A, \B, \C, \G, \J, \K, \Q, \T, \X

S Registers

S0, S1, S2, S3, S4, S5, S6, S7, S8, S9,S10, S11, S12, S14, S16, S18, S21, S22, S23, S25

S26, S27, S30, S91

Note: See MHI Help File for full command documentation.

PROPRIETARY AT COMMAND SET

For a full command summary, see PHILIPS CONSUMER ELECTRONICS, CO. PCA11IM (JUMPER VER.)