VIDEO SEVEN

VEGA DELUXE

Card Type

Video card

Video Processor

Video Seven

Maximum Onboard Memory

256KB DRAM

I/O Options

Feature connector, light pen port

Data Bus

8-bit ISA

Video Types Supported

EGA

Highest Resolution Supported

752 x 410

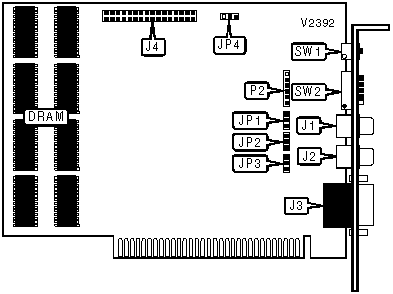
CONNECTIONS

Function

Label

Function

Label

Unidentified

J1

Feature connector

J4

Unidentified

J2

Light pen port

P2

9-pin EGA port

J3

   

USER CONFIGURABLE SETTINGS

Setting

Label

Position

»

Base I/O address set to 3D0h

JP1

Pins 1 & 2 closed

 

Base I/O address set to 2D0h

JP1

Pins 2 & 3 closed

»

Card is installed in normal slot

JP2

Pins 2 & 3 closed

 

Card is installed in XT slot 8

JP2

Pins 1 & 2 closed

»

Factory configured - do not alter

JP3

Unidentified

»

Second feature connector clock enabled

JP4

Pins 2 & 3 closed

 

Second feature connector clock disabled

JP4

Pins 1 & 2 closed

»

Card will emulate CGA and MDA modes as necessary

SW2/5

On

 

Card is 100% EGA compatible

SW2/5

Off

»

Factory configured - do not alter

SW2/6

Unidentified

MONITOR TYPE (EGA PRIMARY)

Primary

Secondary

SW1

SW2/1

SW2/2

SW2/3

SW2/4

CGA, 40 x 25

Monochrome

Off

On

Off

Off

On

CGA, 80 x 25

Monochrome

Off

Off

Off

Off

On

EGA, 40 x 25

Monochrome

On

On

On

On

Off

EGA, 80 x 25

Monochrome

On

Off

On

On

Off

Monochrome

CGA, 40 x 25

Off

On

Off

On

Off

Monochrome

CGA, 80 x 25

Off

Off

Off

On

Off

MONITOR TYPE (EGA SECONDARY)

Primary

Secondary

SW1

SW2/1

SW2/2

SW2/3

SW2/4

Monochrome

CGA, 40 x 25

Off

On

On

On

On

Monochrome

CGA, 80 x 25

Off

Off

On

On

On

Monochrome

EGA, 40 x 25

On

On

Off

On

On

Monochrome

EGA, 80 x 25

On

Off

Off

On

On

CGA, 40 x 25

Monochrome

Off

On

On

Off

On

CGA, 80 x 25

Monochrome

Off

Off

On

Off

On