VIDEO SEVEN
V7 VEGA EGA
|
Card Type |
Video Card |
|
Video Chip Set |
Unidentified |
|
Maximum Video Memory |
256KB DRAM |
|
Video Types Supported |
Monochrome, CGA, EGA, Hercules |
|
Highest Resolution Supported |
720 x 348 |
|
Data Bus |
8-bit ISA |
|
CONNECTIONS | |||
|
Function |
Label |
Function |
Label |
|
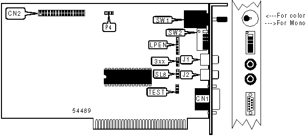
9-pin digital video port |
CN1 |
Composite video in |
J1 |
|
Feature connector |
CN2 |
Composite video in |
J2 |
|
USER CONFIGURABLE SETTINGS | |||
|
Function |
Label |
Position | |
| » |
Factory configured - do not alter |
3xx |
Pins 1 & 2 closed |
| » |
Factory configured - do not alter |
LPEN |
Unidentified |
| » |
Factory configured - do not alter |
SL8 |
Pins 2 & 3 closed |
|
EGA Display |
SW1 |
On | |
|
CGA / Monochrome |
SW1 |
Off | |
| » |
Factory configured - do not alter |
SW2/6 |
Unidentified |
|
VEGA emulation (enabled) |
SW2/5 |
On | |
|
VEGA emulation (disabled) |
SW2/5 |
Off | |
| » |
Factory configured - do not alter |
TEST |
Open |
|
DISPLAY CONFIGURATION | |||||
|
Primary Display |
Secondary Display |
SW2/1 |
SW2/2 |
SW2/3 |
SW2/4 |
|
Vega with CD |
40 x MDA or none 25 |
On |
Off |
Off |
On |
|
Vega with CD |
80 x MDA or none 25 |
Off |
Off |
Off |
On |
|
Vega with ED |
MDA or None (Normal) |
On |
On |
On |
Off |
|
Vega with ED |
MDA or None (Enhanced) |
Off |
On |
On |
Off |
|
Vega with MD |
CGA 40 x 25 |
On |
Off |
On |
Off |
|
Vega with MD |
CGA 80 x 25 or None |
Off |
Off |
On |
Off |
|
MDA |
Vega with CD 40 x 25 |
On |
On |
On |
On |
|
MDA |
Vega with CD 80 x 25 |
Off |
On |
On |
On |
|
MDA |
Vega with ED (Normal) |
On |
Off |
On |
On |
|
MDA |
Vega with ED (Enhanced) |
Off |
Off |
On |
On |
|
CGA (40 x 25) |
Vega with MD |
On |
On |
Off |
On |
|
CGA (80 x 25) |
Vega with MD |
Off |
On |
Off |
On |